Исправленная и дополненная обработка наружных поверхностей2 (1073590), страница 3
Текст из файла (страница 3)
6. Обработка ступенчатых валиков
Валики, имеющие несколько участков различного диаметра и длины, называются ступенчатыми. При их обработке резец необходимо устанавливать по длине и диаметру каждого рабочего хода, при этом установку можно производить методом пробных ходов и промеров и по упорам. Упоры обычно используются при обработке больших партий ступенчатых деталей при установке резца по длине (продольные упоры) и по диаметру (поперечные упоры).
Продольный упор (рис.39) закрепляют на направляющей станины, и ограничивает подачу суппорта. Проточив первую заготовку до нужной длины (выдерживая размер, методом пробных ходов), выключают станок и, не отводя суппорта, закрепляют упор так, чтобы он соприкасался с левой боковой гранью каретки суппорта. Все последующие детали, обработанные при подаче суппорта до упора, будут иметь одинаковый размер. Автоматическую подачу при подходе суппорта к упору на расстояние 1-2 мм выключают и заканчивают обработку при ручной подаче.
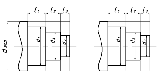
Заготовки с несколькими ступенями по длине обрабатывают по упору с мерными длинноограничителтями, в качестве которых используют наборы мерных плиток и специальные шаблоны. На рис.40 показана схема обработки, когда первую ступень на размер I1, обтачивают без длинноограничителя с подачей суппорта непосредственно до упора, вторую ступень обтачивают на длину I2, до длинноограничителя, длина которого равна l1-l2, третью ступень – I3 до длинноограничителя, длиной равной I1-I3. Повысить производительность труда позволяет использование барабанного продольного упора (рис.41).
При обработке партии деталей по продольным упорам заготовка должна упираться в уступы кулачков патрона (рис. 41), специальный внутренний упор патрона или в корпус плавающего центра (рис.24,6) установленного в передней бабке.т.е. заготовка должна занимать однозначное оложение.
Для обеспечения постоянства диаметральных размеров пользуются поперечными упорами 1 и 2 (рис.42,а), которые устанавливаются на каретках суппорта. На рис. 42,б,в,г показан пример настройки поперечного упора с длинноограничителями для обработки ступенчатой заготовки.
Высокая производительность при обработке ступенчатых поверхностей достигается за счет правильного выбора последовательности обработки ступеней. Наиболее производительной является обработка, при которой припуск каждой ступени снимают за один рабочий ход. Общий путь перемещения резца при этом равен сумме длин ступеней, L=I1+I2+I3 (рис.42,а).
Если жесткость заготовки не позволяет работать с большой глубиной резания, то разыскивается более оптимальный вариант как, например, показанный на рис. 42,б. Первым ходом, протачивают ступени I2 и I3 до диаметра d2, затем резец отводят и обтачивают ступень I1 до диаметра d1 и, наконец, обтачивают ступень I3 до диаметра d3. Общий путь резца будет L1=(I2+I3)+I1 +I2, видно, что L1 >L.
Рисунок 43. Последовательность обработки ступенчатого валика
Рассмотренные приемы обработки ступенчатых валиков характерны при использовании универсального оборудования (например токарного станка) в условиях индивидуального и серийного производства. В условиях крупносерийного и массового производства, оставляя в основе рассмотренную сущность процесса обработки, принимают все меры для повышения производительности труда. Например, используют специальные приспособления для обтачивания ступенчатых валов, применяют гидравлические, электрические и механические копировальные устройства, многорезцовые станки и станки с программным управлением.
7. Обработка плоских торцевых поверхностей
К плоским торцевым поверхностям, и уступам, предъявляются следующие основные требования: неплоскостность (выпуклость вогнутость), перпендикулярность к оси, параллельность плоскостей уступов между собой.
Перед обработкой торцовых поверхностей заготовки, закрепляют теми же средствами, что и при обработке наружных поверхностей.
Подрезание торцевых поверхностей в единичном и мелкосерийном производстве осуществляется на обычных токарных или револьверных станках. Торцы деталей, закреплённые в патроне, целесообразно подрезать проходными резцами, позволяющие применять более производительные режимы резания. Ими можно производить обработку торцов как от периферии к центру (рис.44,а), так и от центра к периферии (рис.44,б).
Рисунок 44. Подрезание торца детали, закрепленной в патроне
Чистовая обработка торцов осуществляется подрезными резцами (рис.46) в направлении как от периферии к центру (рис.44.в), так и от центра и периферии (рис.44,г). Подрезание торца с подачей резца от периферии к центру детали приводит к постоянному увеличению глубины резания - резец врезается в деталь, при этом торцевая поверхность получается вогнутой, процесс резания протекает нестойко, чистота поверхности уменьшается. При подаче подрезного резца от центра к периферии указанные отрицательные явления не наблюдаются. Однако применение этой схемы не всегда возможно из-за трудности врезания резца и невозможности определить длину обрабатываемой детали методом пробных ходов.
Известен и способ подрезания торцов широкими резцами. Однако точность обработки при этом снижается из-за влияния погрешности формы режущей кромки резца, а также его установки. Обработка широкими резцами осуществляется на револьверных станках при продольной подаче S. Резец закрепляется в револьверной головке.
В некоторых случаях торцевые поверхности обрабатывают двумя широкими резцами, при этом давление на режущие кромки уравновешивается и работа протекает более спокойно, чем при использовании одного резца.
При обработке детали в центрах торец можно подрезать со стороны задней бабки. Операция выполняется подрезным отогнутым резцом с применением полуцентра (рис.45,а) или при использовании центрового отверстия на детали с предохранительной фаской (рис.45,б).
Рисунок 45. Подрезание торца детали, установленной в центрах
На рис 46 показан торцовый (подрезной) резец.
При подрезании невысоких уступов используют проходные упорные резцы, работающие с продольной подачей, причем подрезание уступа обычно совмещается с обтачиванием наружной поверхности (рис.47,а). Режущая кромка резца в этом случае должна располагаться перпендикулярно к оси заготовки, что контролируется угольником (рис.47,б).
8. Протачивание наружных канавок и отрезание
Назначение и форма канавок. На наружных поверхностях деталей часто встречаются канавки, которые необходимы в конце резьбового участка для выхода резьбового резца, для установки стопоров, разделения поверхностей и т.д. Канавки бывают прямоугольные, трапецеидальные, с радиусным дном. Иногда в чертеже детали кроме размеров канавки особо оговаривают перпендикулярность ее стенок оси детали.
Особенности инструмента. Протачивание канавок выполняют прорезными (канавочными) резцами (рис.48), а обрезание - отрезными резцами (рис.49). На рабочей части прорезного и отрезного резца имеется режущая кромка (прямая или радиусная) и две вспомогательные кромки. Каждая вспомогательная кромка расположена по отношению к направлению поперечной подачи под небольшим вспомогательным углом в плане
= 1-2° и, кроме того, вся головка резца сужается к подошве (
= 2-3°). Это уменьшает трение вспомогательных задних поверхностей резца о стенки канавки. По принципу работы и геометрии отрезной резец не отличается от прорезного, но имеет более длинную головку.
почистить бы его
Схемы прорезки канавок и отрезания. Прорезка канавки выполняется при поперечной подаче резца (рис.50,а). Ширина канавки А выдерживается обычно резцом, глубина В может быть выдержана методом пробных ходов, по лимбу или по упорам. Размер L, координирующий положение канавки выдерживают по лимбу или по упору (рис.51).
Отрезка может быть выполнена по схеме рис.50,а или "в разбивку" (рис.50,б), когда резец перемещают на 1-2 мм в продольном направлении, не прерывая при этом поперечную подачу. Для выполнения подрезки торца при отрезании применяют резец со скошенной режущей кромкой (рис.50,в). Длину L отрезаемой детали получают при фиксации заготовки по упорам (рис. 51), а каретку суппорта упорами, показанными на рис,40,41,42. При отрезании упор откидывается.
Режимы резания при прорезке и отрезании. Подача принимается меньше, чем при наружном обтачивании или подрезании торцов. Так, рекомендуется подача 0,1-0,15 мм/об, при больших диаметрах до 0,3 мм/об. Скорость резания на 15-20% меньше, чем при наружном точении. Прорезка и особенно отрезание происходят в более тяжелых условиях, чем обтачивание, так как резец как бы заклинивается в прорезаемой канавке, поэтому эти операции выполняют при интенсивном охлаждении минеральным маслом
9. Обработка конических поверхностей
Элементы конических поверхностей. Конические поверхности характеризуются следующими элементами: углом конуса 2
- углом между двумя образующими, лежащими в одной плоскости; углом уклона
- между осью и образующей конуса; уклоном Y - тангенсом угла уклона, если известен больший диаметр D усеченного конуса, меньший диаметр d и длина l, то Y=tg(
)=(D-d)/2l; конусностью K=(D-d)/l.
Конические поверхности на токарных станках можно получить следующими способами:
1) широким резцом, 2) при повернутых верхних салазках суппорта, 3) при смещенном корпусе задней бабки, 4) при помощи конусной линейки, 5) при помощи специальных копировальных приспособлений.
Обработка широким резцом. Широкие резцы применяют для обработки конических поверхностей на жестких деталях при длине образующей коническую поверхность не более 40 мм, при больших углах уклона и невысоких требованиях к точности и шероховатости поверхности. Схема обработки конических поверхностей широким резцом приведена на рис. 52. Обработка производится резцом, главная режущая кромка которого установлена под углом
no отношению к оси детали. Резец 2 (рис. 52,а), устанавливают по шаблону 1, приложенному к детали 3, или по угломеру. Вершина резца располагается точно по линии центров станка. Обработка осуществляется при продольной или поперечной подаче резца (рис, 52,б).
Поворот верхней части суппорта. Для обработки на токарных станках коротких наружных и внутренних конических поверхностей с любыми углами наклонов необходимо повернуть верхнюю часть суппорта относительно оси станка под углом
уклона конуса (рис. 53).см стр 234 Гоца
Рис.53 Схема обработки конической поверхности поворотом салазок верхнего суппорта 1-патрон, 2- заготовка, 3 – маховичок, 4 – лимб, 5 – верхний суппорт, 6 - резец
Верхняя часть суппорта 5 устанавливается на нужный угол по делениям лимба 4. Угол поворота отсчитывается от риски на нижней части суппорта. Более мелкие отсчеты (1/2 и 1/4°) делаются на глаз. Если такая точность не удовлетворяет, то правильность поворота верхней части суппорта можно проверить по контрольному валику или с помощью индикатора. Подача S резца осуществляется при вращении маховичка 3 рукой.
Достоинства способа: возможность обработки конусов с любым углом конусности; простота наладки станка.
Недостатки способа: невозможность обработки длинных конических поверхностей, так как длина обработки ограничивается длиной хода верхнего суппорта (например у станка 1К62 длина хода 180 мм); обтачивание производят ручной подачей, что снижает производительность и ухудшает качество обработки Смещение корпуса задней бабки соб получить угол между осью центров и направлением подачи (угол
) - это сместить линию центров, сдвинуть задний центр в поперечном направлении. В этом случае ось вращения детали не будет параллельна перемещению резца, и поверхность детали оказывается обработанной на конус.
















