муфты (1070013), страница 2
Текст из файла (страница 2)
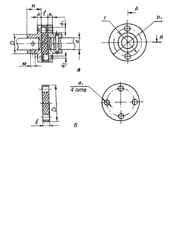
1.3.Эластичная пальцевая муфта (рис.1.5,а). Эта муфта кроме свойств обычной пальцевой муфты имеет следующие достоинства: снижает динамические нагрузки в механизмах в следствие деформаций упругого промежуточного диска (рис.1.5,б) и компенсирует небольшие несоосность, перекос и несовпадение длины. Материалы для изготовления муфты – конструкционные стали для полумуфт и кожа или технические сорта резины для упругого промежуточного диска (см. рис.1.5,б). Упругий диск может иметь и более сложную конструкцию, усиленную стальными вкладышами различной формы, стальной проволокой и т.п. Рекомендуемые размеры муфты приведены в табл. 1.3. Недостатки эластичной пальцевой муфты: большой упругий мертвый ход и усиленный износ упругого диска. Не применяется в точных кинематических цепях.
Рис 1.5. Эластичная пальцевая муфта
Рекомендуемые размеры эластичной пальцевой муфты
Таблица 1.3
| Размеры, мм | Штифт dxl, мм | |||||||||||
| d | L | D2 | d2 | D1 | d1 | M | c | D | l | d 4 | ||
| 4 6 8 10 | 7 9 12 13 | 15 20 22 24 | 3 3 4 5 | 9 12 15 18 | 4 5 5 5 | M2 M3 M3 M3 | 2 3 3 4 | 22 30 32 34 | 4 5 5 5 | 4 5 5 5 | 1х9 1,5х12 2х15 3х18 | |
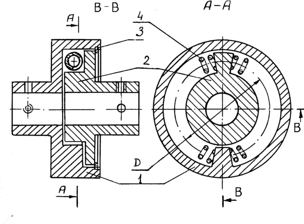
1.4. Упругая муфта с винтовыми пружинами сжатия (рис.1.6). Эту муфту применяют в приводах, когда требуется высокая степень демпфирования динамических нагрузок, подобных пусковым ударным. Конструктивно муфта состоит из двух полумуфт 1 и 2 и двух винтовых пружин 4, устанавливаемых с предварительным поджатием в кольцевой паз, профрезерованный в полумуфте 1. Паз профрезерован на угол приблизительно 340о по диаметру D. Глубина и ширина паза позволяют винтовой пружине свободно располагаться в нём. Остальные 20о играют роль двустороннего упора высотой, равной глубине паза, для винтовых пружин. Стопорное кольцо 3 предохраняет правую полумуфту от выпадения из конструкции. На второй полумуфте имеется аналогичный
Рис.1.6. Упругая муфта с винтовой пружиной
выступ такой же высоты. При сборке этот выступ устанавливают диаметрально противоположно первому. Силы поджатия пружины выбирается в соответствии формулой
где: Р1 – сила предварительного поджатия;
Мкр – номинальный момент, передаваемый муфтой;
D – средний диаметр кольцевого паза.
Теперь при приложении номинального момента к правой полумуфте одна из пружин, в соответствии с направлением действующего момента, будет передавать его на левую полумуфту без деформации. Увеличение момента сверх номинального приведет к повышению силы, сжимающей пружину, она начнет деформироваться, т.е. муфта будет передавать крутящий момент и амортизировать импульсную нагрузку. Расчет пружины на максимальную деформацию проводят по зависимостям, представленными в разд. 2.4, или пружину выбирают из табл. 2.3.
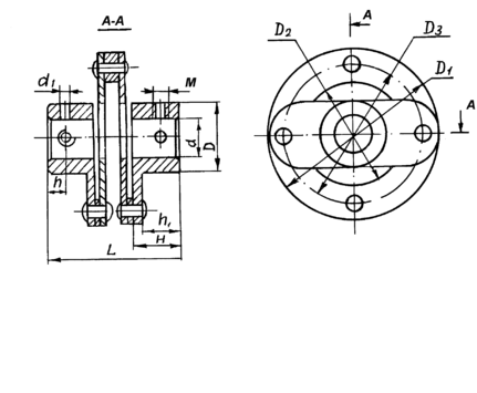
1.5. Муфта с упругим элементом (мембранные муфты) (рис.1.7). Эти муфты применяют для жесткого соединения валов (неразборные). Они компенсируют несовпадение длины валов ∆x, несоосность ∆y и перекос ∆α; могут иметь весьма малый упругий мёртвый ход и используются в кинематических цепях средней и высокой точности. Полумуфты выполняют из конструкционных сталей, упругие элементы – из материалов для изготовления пружин при соответствующей термообработке. Расчеты проводят на устойчивость упругих элементов
Механические свойства материалов для упругих элементов муфт приведены в табл. 1.4, рекомендуемые размеры конструктивных элементов муфты, представленной на рис.1.7, в табл. 1.5.
Рис.1.7. Муфта с упругим элементом
Механические свойства пружинных сталей и сплавов для упругих
деталей муфт
Таблица 1.4
| Сталь (сплав) | T0C Закал ки | T0C От-пу- ска | σB | σт | τ B | τ T | σ-1 | σо | G·10-4 | ||||||
| Мпа, не менее | |||||||||||||||
| 65 | 840 | 480 | 1000 | 800 | 700 | 500 | 320 | 550 | 8,3 | ||||||
| 70 | 830 | 480 | 1500 | 850 | 750 | 550 | 320 | 550 | 8,3 | ||||||
| 55ГС | 820 | 480 | 1150 | 1000 | 900 | 600 | 340 | 600 | 8,3 | ||||||
| 65Г | 830 | 480 | 1000 | 800 | 700 | 500 | 340 | 600 | 8,3 | ||||||
| 55С2А | 820 | 460 | 1300 | 1200 | 1000 | 700 | 420 | 720 | 8,0 | ||||||
| 60С2А | 860 | 460 | 1600 | 1400 | 1100 | 850 | 420 | 720 | 8,0 | ||||||
| 60СХ2А | 870 | 420 | 1800 | 1600 | 1250 | 1000 | 470 | 820 | 8,0 | ||||||
| 60С2ХФА | 850 | 410 | 1900 | 1700 | 1350 | 1150 | 520 | 870 | 8,0 | ||||||
| 50ХГФА | 840 | 520 | 1300 | 1200 | 950 | 750 | 340 | 750 | 8,0 | ||||||
| 50ХФА | 850 | 520 | 1300 | 1200 | 950 | 750 | 350 | 750 | 8,0 | ||||||
| 50ХВА | 850 | 520 | 1300 | 1200 | 950 | 750 | 400 | 600 | 8,0 | ||||||
Рекомендуемые геометрические размеры муфт с упругим элементом
Таблица 1.5.
| Размеры, мм | Мmax H·м | ∆α max град | ||||||||
| d | D | D1 | D2 | D3 | h | h1 | H | L | ||
| 4 6 8 9 10 12 | 8 12 15 15 18 22 | 35 35 45 45 55 55 | 22 22 30 30 35 35 | 29 29 38 38 46 46 | 3 3 4 4 5 5 | 6 6 8 8 10 12 | 8 8 11 11 13 15 | 30 30 36 36 40 40 | 1,8 1,8 7,0 9,8 10 14 | 1,0 1,2 1,5 1,7 2,5 2,6 |
Мембраны в качестве упругой детали муфты применяют достаточно редко из-за их высокой жесткости. Вместо них применяют упругие элементы в виде части мембраны или другой конструкции. Примеры таких конструкций приведены на рис.1.8 – 1.12.
Рис.1.8.
Рис.1.9.
















