мультиплексоры (1067234), страница 2
Текст из файла (страница 2)
jgero^pjjoj^^ojWTO-gMeTHWttoc^jtoflOB. Функционирование дешифратора двоично-десятичного кода (Д-кода) с весами разрядов I 8-4-2-1 определяется системой логических функций: :
10 •
(5)
Дешифратор имеет 4 входа и *0 выходов, т.е. является неполным. Неиспользуемые, т.е. запрещенные, наборы входных сигналов используются для минимизации системы функций (5). В качестве примера на рис. 9 и Ю приведены карты Вейча, на которых соответственно отражены функции /J. и ^ .
Рис, 9 Рис. Ю
Знаками "х" отмечены клетки неиспользуемых наборов переменных
Аналогично можно получить зсе выходные функции:
А>о • ^i • Ч? » ■ ^3 . Минимизируя функции /^- и f~f с учетом неиспользуемых наборов переменных, получим: '
(б)
Каждый вид Д-кода имеет свои неиспользуемые наборы входных переменных. Кодирование десятичных цифр в различных Д-кодах поясняет табл. 2.
12
- Таблица 2
: Задание и порядок выполнения работы
1. Исследование линейного двухвходового дешифратора с
инверсными выходами:
а) собрать линейный стробируемый дешифратор на элементах
ЗИ - НЕ; наборы входных сигналов Ао , А/ задать с выходов
Qo , Qi четырехразрядного счетчика на УК-г- триггерах (см. рис. И, а,б); подключить световые индикаторы к выходам триггеров и дешифратора;
б) подать на вход счетчика сигнал с выхода генератора
ОДИНОЧ. ИШ1.; изменяя состояние счетчика, составить таблицу
истинности нестробируемого дешифратора (т.е. при Е - I);
в) подать на вход счетчика сигналы СИ-I _ГТ_ и снять
временные диаграммы сигналов дешифратора;
г) определить амплитуду помех, вызванных гонками, на вы
ходах дешифратора;
д) снять временные диаграммы сигналов стробируемого дешиф
ратора; в качестве стробирующего сигнала использовать сигнал
СИ-I ~LJ~ , задержанный линией задержки лабораторного макета
УМ-П;
е) определить время задержки, необходимое для исключения
помех на выходах дешифратора, вызванных гонками.
2. Исследование дешифратора двоично-десятичного кода:
а) составить таблицу истинности дешифратора Д-кода, номер •
которого в табл. 2 задается преподавателем;
б) провести синтез дешифратора Д-кода;
в) собрать линейный дешифратор Д-кода на элементах И - НЕ;
входные сигналы Ас- и At- задать с выходов <?с- и ^четырех
разрядного счетчика на У/с -триггерах (см. рис. И);
г) подать на вход счетчика сигналы СИ-I __П_ ;
д) снять временные диаграммы сигналов дешифратора;
е) используя временные диаграммы входных и выходнчк сигна
лов, проверить соответствие работы дешифратора его тябхипе ис
тинности. ) . . '
Примечете^ Допускается собирать часть схемы дети^эпто!:^ для трех или четырех выходов.
3. Исследование дешифраторов ИМС К155ИД4 (см. рис. Ь):
а) снять временные диаграммы сигналов двухтсодоэого де>: лЪ-ратора, подавая на его адресные входы сигналы Qo и Qy с в> годов счетчика (см. рис. И), а на стробирувдие входы S? и <f> -
13
импульсы СИ-1 —П—, задержанные линией задержки макета;
б) определить время задержки стробируюшего сигнала, необ
ходимое для исключения помех на выходах дешифратора;
в) собрать схему трехвходового дешифратора на основе де
шифратора К155ИД4 (см. рис. 8), задавая входные сигналы Ао ,
Aj , .Ар Q выходов Qo> Qt i Qo с*?етчика (рис. И); снять временные диаграммы сигналов дешифратора и составить по ней таблицу истинности.
Ю Рис. И
4. Исследовать работоспособность дешифраторов ИМС 533ИД7 (рис. 12):
а) собрать стробируемый дешифратор на четыре входа на осно
ве двух ИМС 533ИД7;
14 '
б) снять временные диаграммы сигналов дешифратора, подавая на его адресные входы сигналы Qo , Qy , Ог , Qg с выходов счетчика Сем. рис. II), а на стробиругаий вход - импульсы СИ-1 _T~L_ • задержанные линией задержки макета.
5. Составить отчет.
Требования к отчету
v |T Рис. 12
Отчет должен содержать электрические функциональные схемы, таблицы истинности, временные диаграммы сигналов исследуемых дешифраторов, результаты измерений параметров выходных сигналов дешифраторов.
Контрольные вопросы
Я. Что называется дешифратором?
-
Какой дешифратор называется полным (неполным)?
-
Определите закон функционирования дешифратора аналити
чески и таблично. -
Поясните основные способы построения дешифраторов.
-
Что называется гонками и как они устраняются?
-
Каковы способы наращивания дешифраторов по количеству
входов и выходов и как они реализуются схемотехнически? -
Объясните схему включения дешифратора-демультиплексора.
-
Поясните методику синтеза неполных дешифраторов.
Работа № 2. ИСОЩЦОВАНИЕ МУЛЬТИПЛЕКСОРОВ
Цель работы - изучение принципов построения и практического применения, макетирование и экспериментальные исследования мультиплексоров.
Самостоятельная работа студента включает изучение принципов построения мультиплексоров и подготовку индивидуального задания. Перед началом работы преподаватель проводит собеседование, целью которого является проверка теоретической и практической подготовленности студента к лабораторной работе. Студент должен подготовить отчет по каждому пункту раздела "Задание и порядок выполнения работы" и знать методику выполнения каждого пункта задания. После выполнения работы студент обязан предста-
. -15
вить на проверку преподавателю оформленный индивидуальный
отчет.
Продолжительность работы - 4ч.
Теоретические сведения
Мультиплексор - это функциональный узел, имеющий /?, адресных и гп = 2 п информационных входов и выполнявший коммутацию сигнала на выход с того информационного входа, адрес которого установлен на адресных входах.
Мультиплексор реалиэу_ет логическую функцию
(7)
где А- - адресные входа и сигналы, t =• 0,1...,/?- I; -Z^' -информационные входы и сигналы, J ■ 0,1..., 2 п- I; К- - кон-ституента I, т.е. конъюнкция всех аргументов, номер которой равен числу, образованному двоичным кодом сигналов на адресных
входах.
Такой мультиплексор называется мультиплексором с прямым выходом. Выход мультиплексора может быть инверсным. Тогда на этом выходе реализуется функция У . Некоторые разновидности интегральных схем (ИС) мультиплексоров имеют как прямой, так и инверсный выходы.
Мультиплексор может иметь вход стробирования С . Стробиру-емый мультиплексор выполняет логическую Функцию
(8)
Вход стробирования можно использовать для устранения ложных сигналов на выходе мультиплексора, возникающих при переключении' его логических элементов, а также в качестве дополнительного адресного входа при наращивании мультиплексора.
ИС мультиплексоров строятся пб линейной схеме в соответст
вии с (7) или (8). Вариант реализации мультиплексора с четырех
входных линий на одну выходную линию (4-1) и его условное
графическое обозначение (УГО) приведены на рис 13, а,б соот
ветственно. Мультиплексор состоит из дешифратора, каждый конъ-
юнктор которого имеет дополнительный вход для соответствующего
информационного сигнала Д. Выходы конъюнкторов объединяются -
по операции ИЛИ дизъюнктором. Время задержки распространения
сигнала в мультиплексоре определяется задержкой цепи последо
вательно соединенных элементов НЕ, И, ИЛИ.
-16 -
4 Рис. 13
мультиплексоры широко применяются для построения:
-
коммутаторов-селекторов цифровых ..сигналов; : ~~-
-
постоянных запоминающих устройств емкостью 2 х £ бит;
-
комбинационных схем, реализующих логические функции;
-
преобразователей кодов (например, параллельного кода в
последовательный или кода с одними весами разрядов в код с дру
гими весами разрядов) и других узлов.
Ha^a^fflaKHejggbjrHjjj^KjMga^. ЧЗ^робируёмыеГ'мультй*^ илексоры можно использовать для построения ZKm -•канального мультиплексора. В общем случав для этого требуется З^л^-ка-йальных стробируемых мультиплексоров, дешифратор с К входами л 2* выходами и 2 *"-входовой логический элемент ИДИ.
(9)
(-10) (Ю),
-17
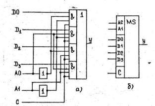
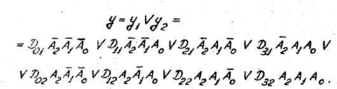
Рассмотрим построение 8-канального мультиплексора на основе 1-канального стробируемого мультиплексора. Для получения 8-ка-кального мультиплексора требуется два 4-канальных стробируемых мультиплексора- Цулииплексоры I и 2 выполняют логические функции:
Полагая С, = А„ и Cj =/4^, и логически суммируя IV) и получим

Электрическая функциональная схема 8-канального мультиплексора приведена на рис. 14. При Аг ■ • 0 происходит выбор (стробирование) мультиплексора MS1 , при Аг * 1 - мультиплексора MS 2. ' .
Рис. 14
Мультиплексоры, иыеющие три состояния на выходах, допускают непосредственное объединение внходов. Таким образом исключается элемент ИЛИ. Вход разрешения £ используется при атом как атрофирующий.
т -канального стробируемого мультиплексора {гп'ш 2") можно реализовать любую функцию отп +1 логических переменных.
Примечание. Реализация функций п переменных нат -канальном мультиплексоре тривиальна и основана на использовании только его адресных входов.
Пример. Синтезировать комбинационную схему (КС), выполня
ющую функцию у (JCj, jcp , зс^ , jx^ ), заданную диаграммой Вейча
(рис. 15), на основе 8-канального мультиплексора. Минимальная
дизъюнктивная нормальная форма (МДНФ) функции,/ (-x-y,jc~, ас , лс^)
имеет два представления: ■ ■ ■ . ■ .
18 .."■■'■•
ионовной задачей синтеза по на мультиплексорах является оптимальный выбор переменных, подаваемых х на его адресные входы, так как сложность ~—т—i—i— .
функций К: , а значит, и КС в общем слу- Х2 — — —