Лаба 4 доп (1067218)
Текст из файла
Отчет по Лабораторной Работе №4 Дополниельная
“Операционный усилитель”
Выполнил: Зайков Сергей
Группа ИУ5-42
-
Данные работы
MC3503
-33
37
-
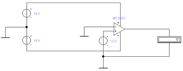
Схема установки
-
П
ередаточная характеристика
| Uвх, мВ | Uвых, В |
| 5000 | 16,81 |
| 1 | 16,81 |
| 0,5 | 16,8 |
| 0,1 | 16,8 |
| 0,05 | 13,69 |
| 0,02 | 7,646 |
| 0,01 | 5,633 |
| 0,005 | 4,626 |
| 0 | 3,619 |
| -0,005 | 0,613 |
| -0,01 | 1,606 |
| -0,02 | -0,4071 |
| -0,05 | -6,447 |
| -0,1 | -16,8 |
| -0,5 | -16,8 |
| -1 | -16,81 |
| -5000 | -16,81 |
Напряжение смещения – входное напряжение, при котором выходное напряжение равно 0: Uнс = -20мкВ
Коэффициент усиления: K = dUвых/dUвх = 201,4
-
Входное сопротивление:
На вход подаем переменное напряжение в середине наклонного участка. Ставим преобразователь напряжения со значением 1Мом. Подсоединяем вольтметр измерения переменного напряжения. Получаем напряжение, делим его на 1Мом и получаем входной ток.
Iп = 39.01e-6/10^6 = 39.01e-12 А
Rп = 20e-6/39.01e-12 = 513 кОм
Iи = 39.02e-6/10^6 = 39.02e-12 А
Rи = 20e-6/39.02e-12 = 513 кОм
-
Выходное сопротивление:
На вход подаем переменное напряжение в середине наклонного участка. Вычисляем значение резистора, который можно поставить: получаем 2.6кОм ставим больше: 5 и 6 кОм
Rвыхи = -dUвых/dIвых = 38.4 Ом
Rвыхп = -dUвых/dIвых = 38.5 Ом
-
Неинвертирующий усилитель
K = 1+ R1\R2 = 37 => R1\R2 = 36
Iвых <= 1мА, Uвых <= 18В, R = 18\1e-3 = 18кОм
R1 = 18кОм, R2 = 18000\36 = 500 Ом
АЧХ
Частота единичного усиления = 930 кГц
Входное сопротивление
На вход подаем переменное напряжение в середине наклонного участка. Ставим преобразователь напряжения со значением 1Мом. Подсоединяем вольтметр измерения переменного напряжения. Получаем напряжение, делим его на 1Мом и получаем входной ток.
Iвх = 73,07e-6/10^6 = 73,07e-12 А
Rвх = 1e-3/73,07e-12 = 13,7 МОм
Выходное сопротивление:
Rвыхи = -dUвых/dIвых = 1,47 Ом
-
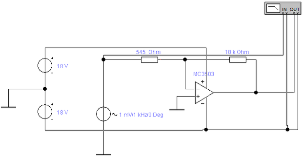
Инвертирующий усилитель
K = R1\R2 = 33
R1 = 18 кОм
R2 = 545 Ом
АЧХ
Частота единичного усиления = 930 кГц
Входное сопротивление
На вход подаем переменное напряжение в середине наклонного участка. Ставим преобразователь напряжения со значением 1Мом. Подсоединяем вольтметр измерения переменного напряжения. Получаем напряжение, делим его на 1Мом и получаем входной ток.
Iвх = 1,834/10^6 = 1,834e-6 А
Rвх = 1e-3/1,834e-6 = 545 Ом
Выходное сопротивление:
Rвыхи = -dUвых/dIвых = 9.08 Ом
| Наим. | ±Uпит, В | +Uнас, В | –Uнас, В | Uнас, В | K0 | Uсм, В | Rвх+, кОм | Rвх–, кОм | Rвых+, Ом | F1, Гц |
| ОУ | 18 | 1e-3 | -1e-3 | -20e-6 | 201,4 | -20e-6 | 513 | 513 | 1.47 | |
| Инверт | 18 | 13700 | 1.47 | 930e3 | ||||||
| Неинверт | 18 | 0.545 | 9.08 | 930e3 |
Характеристики
Тип файла документ
Документы такого типа открываются такими программами, как Microsoft Office Word на компьютерах Windows, Apple Pages на компьютерах Mac, Open Office - бесплатная альтернатива на различных платформах, в том числе Linux. Наиболее простым и современным решением будут Google документы, так как открываются онлайн без скачивания прямо в браузере на любой платформе. Существуют российские качественные аналоги, например от Яндекса.
Будьте внимательны на мобильных устройствах, так как там используются упрощённый функционал даже в официальном приложении от Microsoft, поэтому для просмотра скачивайте PDF-версию. А если нужно редактировать файл, то используйте оригинальный файл.
Файлы такого типа обычно разбиты на страницы, а текст может быть форматированным (жирный, курсив, выбор шрифта, таблицы и т.п.), а также в него можно добавлять изображения. Формат идеально подходит для рефератов, докладов и РПЗ курсовых проектов, которые необходимо распечатать. Кстати перед печатью также сохраняйте файл в PDF, так как принтер может начудить со шрифтами.
















