Лаба№2 (вар10) (1063801), страница 2
Текст из файла (страница 2)
Результирующая схема:
Схема.1 Линейный дешифратор на элементах НЕ и И
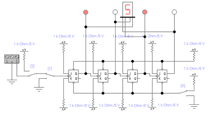
Схема 2. Четырехразрядный счетчик на JK-триггерах
Временные диаграммы сигналов дешифратора:
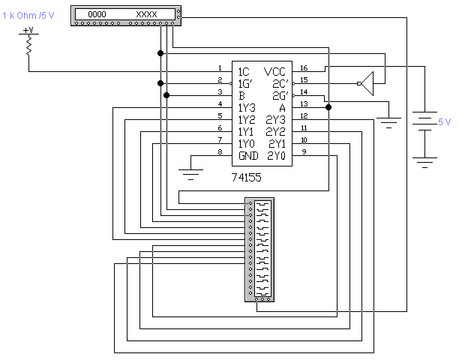
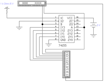
Схема 3. Исследование дешифратора ИМС К155ИД4
(74155 – К155ИД4 – 2 дешифратора-мультиплексора 2x4).
Временные диаграммы входных и выходных сигналов дешифратора ИМС К155ИД4.
Составим по временным диаграммам таблицу истинности дешифратора.
Таблица 6. Таблица истинности дешифратора ИМС К155ИД4.
| Входы | Выходы | ||||||
| 1C | 1G` | A | B | 1Y0 | 1Y1 | 1Y2 | 1Y3 |
| 1 | 0 | 0 | 0 | 0 | 1 | 1 | 1 |
| 1 | 0 | 1 | 0 | 1 | 0 | 1 | 1 |
| 1 | 0 | 0 | 1 | 1 | 1 | 0 | 1 |
| 1 | 0 | 1 | 1 | 1 | 1 | 1 | 0 |
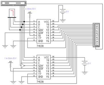
Схема 4. Схема трехвходового дешифратора на основе дешифратора К155ИД4.
Временные диаграммы входных и выходных сигналов трехвходового дешифратора на основе дешифратора К155ИД4.
Составим по временным диаграммам таблицу истинности дешифратора.
Таблица 7. Таблица истинности трехвходового дешифратора на основе дешифратора К155ИД4.
| Входы | Выходы | ||||||||||||
| 1C | 2G` | 2C` | 1G` | A | B | 1Y0 | 1Y1 | 1Y2 | 1Y3 | 2Y0 | 2Y1 | 2Y2 | 2Y3 |
| 1 | 0 | 1 | 0 | 0 | 0 | 0 | 1 | 1 | 1 | 1 | 1 | 1 | 1 |
| 1 | 0 | 1 | 0 | 0 | 1 | 1 | 0 | 1 | 1 | 1 | 1 | 1 | 1 |
| 1 | 0 | 1 | 0 | 1 | 0 | 1 | 1 | 0 | 1 | 1 | 1 | 1 | 1 |
| 1 | 0 | 1 | 0 | 1 | 1 | 1 | 1 | 1 | 0 | 1 | 1 | 1 | 1 |
| 1 | 0 | 0 | 1 | 0 | 0 | 1 | 1 | 1 | 1 | 0 | 1 | 1 | 1 |
| 1 | 0 | 0 | 1 | 0 | 1 | 1 | 1 | 1 | 1 | 1 | 0 | 1 | 1 |
| 1 | 0 | 0 | 1 | 1 | 0 | 1 | 1 | 1 | 1 | 1 | 1 | 0 | 1 |
| 1 | 0 | 0 | 1 | 1 | 1 | 1 | 1 | 1 | 1 | 1 | 1 | 1 | 0 |
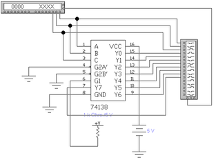
Схема 5. Исследование дешифратора ИМС К155ИД7 (ИМС 74138 – К155ИД7 – дешифратор-демультиплексор 3x8).
Временные диаграммы входных и выходных сигналов дешифратора ИМС К155ИД7.
Составим по временным диаграммам таблицу истинности дешифратора.
Таблица 8. Таблица истинности дешифратора ИМС К155ИД7.
| Входы | Выходы | ||||||||||||
| G1 | G2A` | G2B` | C | B | A | Y0 | Y1 | Y2 | Y3 | Y4 | Y5 | Y6 | Y7 |
| 1 | 0 | 0 | 0 | 0 | 0 | 0 | 1 | 1 | 1 | 1 | 1 | 1 | 1 |
| 1 | 0 | 0 | 0 | 0 | 1 | 1 | 0 | 1 | 1 | 1 | 1 | 1 | 1 |
| 1 | 0 | 0 | 0 | 1 | 0 | 1 | 1 | 0 | 1 | 1 | 1 | 1 | 1 |
| 1 | 0 | 0 | 0 | 1 | 1 | 1 | 1 | 1 | 0 | 1 | 1 | 1 | 1 |
| 1 | 0 | 0 | 1 | 0 | 0 | 1 | 1 | 1 | 1 | 0 | 1 | 1 | 1 |
| 1 | 0 | 0 | 1 | 0 | 1 | 1 | 1 | 1 | 1 | 1 | 0 | 1 | 1 |
| 1 | 0 | 0 | 1 | 1 | 0 | 1 | 1 | 1 | 1 | 1 | 1 | 0 | 1 |
| 1 | 0 | 0 | 1 | 1 | 1 | 1 | 1 | 1 | 1 | 1 | 1 | 1 | 0 |
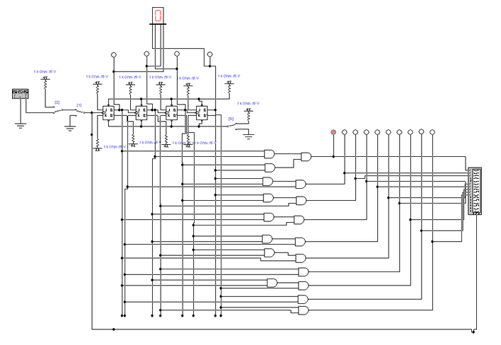
Схема 6. Схема четырехвходового дешифратора на основе дешифратора К155ИД7.
Временные диаграммы входных и выходных сигналов четырехвходового дешифратора на основе дешифратора К155ИД7.
















