Лаба №3(10 вар) (1063800), страница 2
Текст из файла (страница 2)
Изучение эффекта гонок.
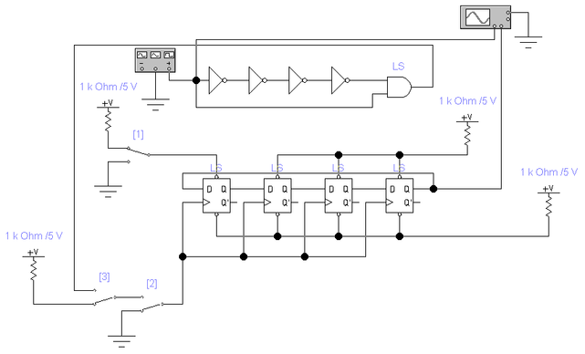
Для изучения эффекта гонок для создания регистра сдвига следует использовать неидеальный D-триггер (TTL-LS). С помощью осциллографа наблюдается сигнал на выходе 4-го разряда регистра (Q4 – крайний правый). На рис. 7 показаны осциллограммы сигнала на выходе функционального генератора (меандр) и сигнала на выходе 4-го разряда регистра (горизонтальная прямая выше оси абсцисс / оси времени /). Наблюдается устойчивая работа регистра сдвига. Эффект гонок отсутствует. Это можно объяснить следующим образом: микросхемы D-триггеров имеют особенность, которая отличает их от синхронных триггеров (JK-триггеров). Переключение D-триггеров происходит при изменении импульсов от 0 к 1, т. е. на фронте тактового импульса. Импульс сдвига минимально возможной длительности (минимально возможная длительность импульса определяется возможностями пакета Electronics Workbench v.5.12) обладает фронтом, что ведет к переключению D-триггера и сдвигу числа ( 1111 ) вправо на 1 разряд.
Рис. 7. Осциллограммы сигнала на выходе функционального генератора и
сигнала на выходе 4-го разряда регистра.
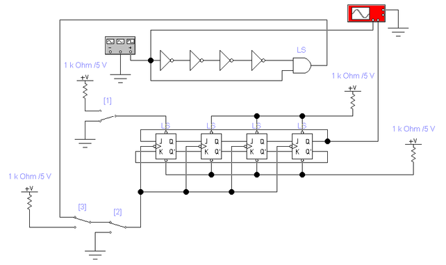
Для изучения эффекта гонок для создания регистра сдвига можно также использовать неидеальный JK-триггер (TTL-LS). С помощью осциллографа наблюдается сигнал на выходе 4-го разряда регистра (Q4 – крайний правый). На рис. 7 а) показаны осциллограммы сигнала на выходе функционального генератора (меандр) и сигнала на выходе 4-го разряда регистра. Наблюдается эффект гонок. При сдвиге по разрядам регистра числа 1111 на выходе 4-го разряда регистра должен представлять собой горизонтальную прямую выше оси абсцисс / оси времени /. Однако на выходе наблюдается импульсный сигнал, по форме напоминающий меандр. Работа регистра сдвига становится неустойчивой – наблюдается эффект гонок.
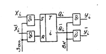
Схема 2 а). Регистр сдвига на JK-триггере, сдвигающий число ( 1111 ) вправо на один разряд.
Изучение эффекта гонок.
Рис. 7 а). Осциллограммы сигнала на выходе функционального генератора и
сигнала на выходе 4-го разряда регистра. Наблюдается эффект гонок.
Контрольные вопросы.
-
Что называется регистром? Какие функции выполняют регистры?
-
Как классифицируют регистры по способу ввода-вывода информации?
-
Как работает параллельный регистр с однофазным и парафазным приемом информации?
-
Какие типы триггеров применяются в регистрах сдвига?
-
Как работает двухтактный регистр сдвига на RS-триггерах?
-
Как работает регистр сдвига, выполненный на триггерах с двухступенчатым запоминанием информации?
-
Как работает регистр сдвига на триггерах с динамическим управлением записью?
Ответы.
1. Регистром называется операционный узел ЦВМ, предназначенный для ввода, хранения, преобразования и вывода двоичного слова или его части. Регистры выполняют следующие функции:
-
прием слова из другого регистра, сумматора, счетчика и т. п.;
-
передача слова в другой регистр, сумматор, счетчик и т. п.;
-
преобразование прямого кода в обратный и наоборот;
-
сдвиг слова влево или вправо на требуемое число разрядов;
-
преобразование последовательного кода в параллельный и обратно;
-
поразрядные логические операции (умножение, сложение, сложение по модулю 2).
2. По способу ввода и вывода информации регистры классифицируют на:
-
параллельные регистры (регистры памяти) – ввод и вывод слова выполняется параллельным способом, т. е. все разряды слова передаются одновременно, каждый разряд по своей цепи;
-
последовательные регистры (регистры сдвига) – разряды слова предаются последовательно во времени, один разряд за другим, как при вводе, так и при выводе информации;
-
параллельно-последовательные – ввод слова осуществляется параллельным способом, а вывод – последовательным или наоборот.
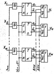
3
. Ниже, на рис. 8, изображены параллельные регистры с однофазным и парафазным приемом информации.
Рис. 8 Параллельные регистры с однофазным (слева) и парафазным (справа)
приемом информации.
В параллельном регистре с однофазным приемом информации входные логические элементы обеспечивают прием слова в момент прихода управляющего сигнала записи ("Зап."), выходные – передачу слова из регистра в прямом или обратном коде в зависимости от управляющего сигнала. Регистр имеет N информационных входов x1, x2,…,xN, N выходов y1, y2,…,yN и четыре входа для управляющих сигналов.
С помощью управляющего сигнала установки нуля ("Уст.0"), поступающего на R-входы триггеров, все триггеры устанавливают в нулевое состояние. Это состояние Q1Q2…QN=00…0 сохраняется до тех пор, пока на входах регистра не появятся сигналы x1, x2,..,xN и управляющий сигнал записи. При xi=1 с приходом управляющего сигнала записи происходит переключение триггера i-го разряда в единичное состояние, при xi=0 триггер остается в нулевом состоянии. Одновременное действие сигналов установки нуля и записи недопустимо, так как комбинация S=R=1 на входах RS-триггера является запрещенной. Считывание информации из регистра осуществляется в прямом или обратном коде по сигналу выдачи прямого (ВПК) или обратного (ВОК) кода. Очевидно, что одновременное действие сигналов ВПК и ВОК запрещено. В каждом разряде рассматриваемого регистра прием и выдача информации осуществляются по одному каналу.
В параллельном регистре с парафазным приемом информации для записи используется парафазный код слова, т.е. одновременно прямой и обратный коды. Прием информации в регистр в этом случае осуществляется без предварительной установки его в нулевое состояние, т.е. за один такт. По сигналу записи триггер i-го разряда регистра устанавливается в состояние, соответствующее значению xi, независимо от предшествующего состояния триггера. Выдача информации из регистра происходит также в парафазном коде по двум каналам при поступлении сигнала считывания, или выдачи кода (ВК).
4. Для построения регистров сдвига могут быть использованы триггеры разных типов: D, RS, JK, DV.
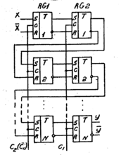
5. На рис. 9 приведена схема регистра для сдвига информации вправо по двухтактной схеме, выполненная на тактируемых RS-триггерах.
Рис. 9. Схема регистра для сдвига информации вправо по двухтактной схеме, выполненная на тактируемых RS-триггерах.
В регистре на потенциальных элементах сдвиг информации осуществляется по двухтактной схеме. Каждый разряд регистра состоит из двух триггеров: основного и вспомогательного. Основные и вспомогательные триггеры образуют два регистра: основной (RG1) и вспомогательный (RG2).
Сдвиг информации в схеме осуществляется за два такта, сначала по сигналу C1 содержимое основного регистра переписывается во вспомогательный, а затем по сигналу C2 информация из вспомогательного регистра возвращается в основной регистр со сдвигом на один разряд вправо. Направление сдвига и количество разрядов, на которые проводится сдвиг, определяется коммутацией выходов одного и входов другого регистра.
Регистр, изображенный на рис. 9, за одну посылку управляющих импульсов C1, C2 обеспечивает сдвиг информации на один разряд влево. Для сдвига на m разрядов требуется m таких посылок. Две последовательности управляющих сигналов C1, C2 можно заменить одной C1, соединив шину C1 с шиной C2 через инвертор.
6. На рис. 10 приведена схема регистра сдвига, выполненного на триггерах с двухступенчатым запоминанием информации.
Рис. 10. Схема регистра сдвига, выполненного на триггерах с двухступенчатым запоминанием информации.
Переброс ступеней у двухтактного триггера происходит в следующем порядке: ступень master – по переднему фронту управляющего импульса, ступень slave – по спаду управляющего импульса. При использовании триггеров с двухступенчатым запоминанием информации схемы регистров сдвига приобретают более простой вид. Выходы одних триггеров непосредственно соединяются с входами других, а сигналы сдвига подаются на общую линию, соединенную с синхровходами C триггеров. Сдвиг кода здесь осуществляется каждым управляющим импульсом, поэтому такие схемы называют регистрами с одноактным сдвигом.
7. На рис. 11 приведена схема регистра сдвига, выполненная на триггерах с динамическим управлением записью.
Рис. 11. Схема регистра сдвига, выполненная на триггерах с динамическим управлением записью.
В случае применения триггеров с прямым динамическим управлением состояние триггера изменяется от положительного фронта сигнала сдвига (переключение D-триггера происходит при изменении импульсов от 0 к 1 , т. е. на фронте тактового импульса).
11
















