Лекция2-биореология(продолжение)-2008 (1059248), страница 3
Текст из файла (страница 3)
Для гладких мышц
,
на 1- 2 порядка выше.
-
Активная мышечная ткань
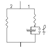
Большое количество экспериментов по нагружению активной мышечной ткани показало, что ее можно описать с помощью модели, в которой параллельно вязкостному элементу включен некоторый активный сократительный элемент
:
Такая модель называется моделью Хилла.
Для нахождения реологического соотношения для тела Хилла нужно для каждого элемента диаграммы записать зависимость
от
.
Для элемента
исходная длина равна
, а после деформации -
. Тогда величина деформации будет равна
Видно, что
зависит от
и параметра, характеризующего активность мышцы (
). Так как сократительная активность зависит от концентрации ионов кальция
, то за
можно взять эту концентрацию. В общем случае за
можно взять величину, характеризующую электрическую стимуляцию.
После арифметических вычислений мы обнаружим, что при наличии активного сократительного элемента получающееся в итоге реологическое соотношение имеет ту же структуру, что и уравнение Кельвина:
Тогда значения параметров
,
и
будут следующими:
Если переопределить деформацию
, то получим уравнение, структура которого идентична уравнению Кельвина
Поэтому можно ожидать, что такое тело тоже будет иметь свойства тела Кельвина.
10
















