Лекция2-биореология -презентация (1059247)
Текст из файла
Биореология (продолжение)
Реологические свойства крови
Ротационный вискозиметр
Капиллярный вискозиметр
Ур. Кэссона:
где
,
- напряжения сдвига,
- скорость сдвига.
Динамические течения (временные эффекты)
Тиксотропия
На плоскости
построим траекторию движения:
Еще один динамический эффект, присутствующий в крови - эффект Фареуса-Линквиста.
Общие свойства мягких тканей.
-
Мягкие ткани, как правило, испытывают большие деформации.
-
В отличие от тех ситуаций, которые рассматриваются в технике, у мягких тканей, как правило, нет определенного исходного (или естественного) состояния с фиксированным напряжением и деформацией.
-
Для мягких тканей свойства сильно зависят от предыстории, то есть от той нагрузки, которое испытывало тело до того, как начали что либо измерять. Поэтому чтобы изучать определенные свойства, это тело надо подвергать определенной нагрузке, то есть создавать определенную предысторию.
Эта особенность хорошо проявляется в явлении гистерезиса.
Если мы нарисуем зависимость между величиной напряжения и величиной деформации для полоски, то обнаружим следующее:
Состав мягких тканей
Мягкие биологические ткани состоят в основном из двух видов ткани – коллагена и эластина, которые различаются по своим механическим свойствам. Коллаген – это жесткая ткань, модуль Юнга которого 109 - 1011 дин/см2 , у эластина данный показатель существенно меньше. Зависимость напряжения от деформации для этих тканей имеет вид:
Свойства некоторых видов тканей приведены в таблице:
Мягкие ткани. Тело Кельвина + d/dt = E ( ε + dε/dt )
- напряжение,
ε - деформация
| Вид ткани | Состав | Разрушающая деформация | Модуль Юнга, дин/см2 | Модуль объемного сжатия, дин/см2 | Модуль сдвига, дин/см2 | , с | , с |
| коллаген | 109 - 1011 | ||||||
| эластин | (3-6)*106 | ||||||
| хрящ | 20-25% веса – коллагеновые волокна; аморфный гель | 6*106 | 7.5*106 | 2*106 | 102 | 103 | |
| кость | 13-18% поры; твердая фаза: 40-50% коллаген + соли кальция | 1-5% | 1011 | 10-6 | 10-6 100 мин при ε >10-4 | ||
| сухожилие | 75% сухого вещества – коллаген, 2% - эластин | 10% | (1-10)109 | 1 | 10 | ||
| кожа | 70% сухого вещества – коллаген | 200% | 0,1 | 1 | |||
| Скелетная мышца расслабленная | 106 | 1 | 1-5 | ||||
| Скелетная мышца напряженная | 107 | 0.5 | 1 |
Где 10 дин/см2 = 1 Па; 1 МПа = 107 дин/см2
Модуль сдвига – величина, равная отношению напряжения сдвига к углу сдвига.
Модуль объемного сжатия – величина, равная отношению приложенной силы к относительному изменению объема.
Свойства мышц
Мышца – самая уникальная из всех тканей, поскольку это активная ткань. У такой ткани реологическое соотношение и реологическая диаграмма должны отличаться от тех, которые мы использовали для других мягких тканей. Тем не менее, оказывается, что вид уравнения Кельвина полезен для анализа свойств мышечной ткани.
1) Пассивная мышечная ткань
Рассмотрим пассивную (не стимулируемую) мышечную ткань. Такую ткань при малых деформациях мы можем описать моделью Кельвина, и для нее характерны такие значения параметров:
Для скелетной мышцы
Для гладких мышц
,
на 1- 2 порядка выше.
-
Активная мышечная ткань
Большое количество экспериментов по нагружению активной мышечной ткани показало, что ее можно описать с помощью модели, в которой параллельно вязкостному элементу включен некоторый активный сократительный элемент
:
Такая модель называется моделью Хилла.
Для нахождения реологического соотношения для тела Хилла нужно для каждого элемента диаграммы записать зависимость
от
.
Для элемента
исходная длина равна
, а после деформации -
. Тогда величина деформации будет равна
Видно, что
зависит от
и параметра, характеризующего активность мышцы (
). Так как сократительная активность зависит от концентрации ионов кальция
, то за
можно взять эту концентрацию. В общем случае за
можно взять величину, характеризующую электрическую стимуляцию.
После арифметических вычислений мы обнаружим, что при наличии активного сократительного элемента получающееся в итоге реологическое соотношение имеет ту же структуру, что и уравнение Кельвина:
Тогда значения параметров
,
и
будут следующими:
Если переопределить деформацию
, то получим уравнение, структура которого идентична уравнению Кельвина
Поэтому можно ожидать, что такое тело тоже будет иметь свойства тела Кельвина.
Реологические свойства мягких биологических тканей
К мягким тканям относятся практически все ткани нашего тела, кроме костной ткани (кожа, мышцы, сердце, мозг, легкие, печень, почки и т.д.). Свойства этих тканей сильно различны. Для того чтобы описать эти свойства на качественном и понятном уровне, используются простые скалярные соотношения.
Рассмотрим полоску длины
, на которую действует сила
. Под действием этой силы полоска растягивается на величину
. По определению величина механического напряжения равна:
а величина удлинения равна:
Для большого класса материалов величина напряжения пропорциональна удлинению:
Коэффициент пропорциональности
называется модулем Юнга.
Тела, для которых наблюдается линейная зависимость
от
, называются линейными телами Гука.
Для линейно-вязких тел наблюдается линейная зависимость
от
:
где
- скорость деформации,
- вязкость тела,
- напряжение сдвига.
Такое тело называется мягким вязким телом или телом Ньютона.
Для того чтобы представить эти тела графически, используют реологические диаграммы.
Тело Гука представляется в виде пружинки
а реологическая диаграмма для тела Ньютона – амортизатор
С помощью этих реологических диаграмм можно описать основные свойства биологических тканей – свойства упругости и мягкости.
На основе этих диаграмм можно конструировать самые разные тела.
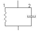
-
параллельное соединение вязкого и упругого тел
В этом случае для каждого элемента удлинение будет одинаково, а общая величина силы будет равна сумме двух сил.
Тогда имеем:
Это тело ведет себя как упругое, когда
, и как вязкое, когда
велико. Таким образом, это вязкоупругое тело Фойхта.
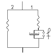
-
последовательное соединение вязкого и упругого тел
В этом случае сила, приложенная к обоим элементам, будет одинаковая, а общее удлинение будет равно сумме удлинения каждого отдельного элемента.
Такое тело ведет себя следующим образом: если к нему приложить какое-то напряжение, оно будет течь бесконечно долго. То есть это тело представляет собой вязкоупругую жидкость. Такое тело называется телом Максвелла.
-
вязкое и упругое тела соединены следующим образом:
Такое тело называется телом Кельвина. Это тело используется для описания мягких биологических тканей.
Реологическое соотношение для тела Кельвина имеет следующий вид:
Коэффициенты
,
и
выражаются через
,
и
;
и
имеют размерность времени.
Такого же вида уравнение можно получить и с помощью другой диаграммы:
Но в этом случае связь
,
и
с
и
будет другой.
Свойства тела Кельвина
-
Релаксация напряжения
В эксперименте берем полоску, растягиваем до определенной длины и держим растянутой до этой длины.
После того, как мы растянули полоску, величина напряжения резко возрастает до какой-то величины
в течение времени
, а затем начинает спадать. Это снижение называется релаксацией напряжения. Это явление хорошо описывается уравнением
В этом случае последнее слагаемое в правой части равно 0, и происходит динамический процесс снижения напряжения
с характерным временем
.
Свойство релаксации напряжения различно для разных тканей, и в некоторых тканях выражено очень сильно. Например, в гладких мышцах напряжение релаксирует почти до нуля и само значение
изменяется в 100-1000 раз за время порядка часов. Таким образом, гладкие мышцы приспосабливаются к деформации.
2) Ползучесть
Берем такую же полоску и привешиваем к ней грузик. В этом случае в реологическом соотношении для тела Кельвина перестает работать второй член в левой части. Тогда зависимость удлинения от времени имеет следующий вид:
Видно, что сначала тело испытывает линейную деформацию, но потом начинает течь и постепенно притекает к некоторой величине деформации. Такое свойство биологических мягких тканей называется текучестью. Конечное значение деформации определяется коэффициентом упругости
, а характерное время течения – это время
.
Характеристики
Тип файла документ
Документы такого типа открываются такими программами, как Microsoft Office Word на компьютерах Windows, Apple Pages на компьютерах Mac, Open Office - бесплатная альтернатива на различных платформах, в том числе Linux. Наиболее простым и современным решением будут Google документы, так как открываются онлайн без скачивания прямо в браузере на любой платформе. Существуют российские качественные аналоги, например от Яндекса.
Будьте внимательны на мобильных устройствах, так как там используются упрощённый функционал даже в официальном приложении от Microsoft, поэтому для просмотра скачивайте PDF-версию. А если нужно редактировать файл, то используйте оригинальный файл.
Файлы такого типа обычно разбиты на страницы, а текст может быть форматированным (жирный, курсив, выбор шрифта, таблицы и т.п.), а также в него можно добавлять изображения. Формат идеально подходит для рефератов, докладов и РПЗ курсовых проектов, которые необходимо распечатать. Кстати перед печатью также сохраняйте файл в PDF, так как принтер может начудить со шрифтами.
















