Лекция2-биореология(продолжение)-2008 (1059248), страница 2
Текст из файла (страница 2)
где
- скорость деформации,
- вязкость тела,
- напряжение сдвига.
Такое тело называется мягким вязким телом или телом Ньютона.
Для того чтобы представить эти тела графически, используют реологические диаграммы.
Тело Гука представляется в виде пружинки
а реологическая диаграмма для тела Ньютона – амортизатор
С помощью этих реологических диаграмм можно описать основные свойства биологических тканей – свойства упругости и мягкости.
На основе этих диаграмм можно конструировать самые разные тела.
-
параллельное соединение вязкого и упругого тел
В этом случае для каждого элемента удлинение будет одинаково, а общая величина силы будет равна сумме двух сил.
Тогда имеем:
Это тело ведет себя как упругое, когда
, и как вязкое, когда
велико. Таким образом, это вязкоупругое тело Фойхта.
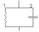
-
последовательное соединение вязкого и упругого тел
В этом случае сила, приложенная к обоим элементам, будет одинаковая, а общее удлинение будет равно сумме удлинения каждого отдельного элемента.
Такое тело ведет себя следующим образом: если к нему приложить какое-то напряжение, оно будет течь бесконечно долго. То есть это тело представляет собой вязкоупругую жидкость. Такое тело называется телом Максвелла.
-
вязкое и упругое тела соединены следующим образом:
Такое тело называется телом Кельвина. Это тело используется для описания мягких биологических тканей.
Реологическое соотношение для тела Кельвина имеет следующий вид:
Коэффициенты
,
и
выражаются через
,
и
;
и
имеют размерность времени.
Такого же вида уравнение можно получить и с помощью другой диаграммы:
Но в этом случае связь
,
и
с
и
будет другой.
Свойства тела Кельвина
-
Релаксация напряжения
В эксперименте берем полоску, растягиваем до определенной длины и держим растянутой до этой длины.
После того, как мы растянули полоску, величина напряжения резко возрастает до какой-то величины
в течение времени
, а затем начинает спадать. Это снижение называется релаксацией напряжения. Это явление хорошо описывается уравнением
В этом случае последнее слагаемое в правой части равно 0, и происходит динамический процесс снижения напряжения
с характерным временем
.
Свойство релаксации напряжения различно для разных тканей, и в некоторых тканях выражено очень сильно. Например, в гладких мышцах напряжение релаксирует почти до нуля и само значение
изменяется в 100-1000 раз за время порядка часов. Таким образом, гладкие мышцы приспосабливаются к деформации.
2) Ползучесть
Берем такую же полоску и привешиваем к ней грузик. В этом случае в реологическом соотношении для тела Кельвина перестает работать второй член в левой части. Тогда зависимость удлинения от времени имеет следующий вид:
Видно, что сначала тело испытывает линейную деформацию, но потом начинает течь и постепенно притекает к некоторой величине деформации. Такое свойство биологических мягких тканей называется текучестью. Конечное значение деформации определяется коэффициентом упругости
, а характерное время течения – это время
.
Общие свойства мягких тканей.
Мягкие ткани обладают некоторыми общими свойствами:
-
Мягкие ткани, как правило, испытывают большие деформации. Многие мягкие ткани в процессе жизнедеятельности испытывают деформации до 200% (например, кожа, легкие и т.д.).
-
В отличие от тех ситуаций, которые рассматриваются в технике, у мягких тканей, как правило, нет определенного исходного (или естественного) состояния с фиксированным напряжением и деформацией.
-
Для мягких тканей свойства сильно зависят от предыстории, то есть от той нагрузки, которое испытывало тело до того, как начали что либо измерять. Поэтому чтобы изучать определенные свойства, это тело надо подвергать определенной нагрузке, то есть создавать определенную предысторию.
Эта особенность хорошо проявляется в явлении гистерезиса.
Если мы нарисуем зависимость между величиной напряжения и величиной деформации для полоски, то обнаружим следующее:
При первом растяжении и отпускании мы обнаружим на плоскости
петлю, т.е. возврат происходит по другой траектории с большей величиной деформации. Затем мы вторично (через небольшой промежуток времени) растягиваем и отпускаем полоску. Обнаруживаем, что новая петля отличается от первой. После некоторого числа нагружений (от 3 до 20) происходит установление траектории движения, т.е. происходит установление определенного состояния ткани. Таким образов, явление различия траекторий нагрузки и разгрузки называется гистерезисом, а изменение петли гистерезиса и установление одинаковой петли при дальнейших нагрузках - разгрузках – явление установления определенного состояния в ткани. Для того чтобы исследовать свойства ткани, ее надо привести в определенное состояние, что и делается путем нескольких циклов нагрузки – разгрузки. Только после этого мы можем проводить измерения, правда, надо учитывать различные значения деформации на ветвях нагрузки и разгрузки. Для многих тел после нескольких циклов нагрузки – разгрузки ширина петли гистерезиса уменьшается. В этом случае различие свойств на ветвях не столь существенно.
Состав мягких тканей
Мягкие биологические ткани состоят в основном из двух видов ткани – коллагена и эластина, которые различаются по своим механическим свойствам. Коллаген – это жесткая ткань, модуль Юнга которого 109 - 1011 дин/см2 , у эластина данный показатель существенно меньше. Зависимость напряжения от деформации для этих тканей имеет вид:
Для эластина данная кривая почти линейная и типичная величина деформации, при которой эта линейность хорошо выполняется, примерно 0,1. Для коллагена зависимость сильно нелинейная и величина напряжения по сравнению с эластином при одинаковых деформациях на 3 – 5 порядков выше. Комбинируя эти два типа материалов с разной архитектурой и составом, можно получить различные свойства биологических тканей.
Свойства некоторых видов тканей приведены в таблице:
| Вид ткани | Состав | Разрушающая деформация | Модуль Юнга, дин/см2 | Модуль объемного сжатия, дин/см2 | Модуль сдвига, дин/см2 | , с | , с |
| коллаген | 109 - 1011 | ||||||
| эластин | (3-6)*106 | ||||||
| хрящ | 20-25% веса – коллагеновые волокна; аморфный гель | 6*106 | 7.5*106 | 2*106 | 102 | 103 | |
| кость | 13-18% поры; твердая фаза: 40-50% коллаген + соли кальция | 1-5% | 1011 | 10-6 | 10-6 100 мин при ε >10-4 | ||
| сухожилие | 75% сухого вещества – коллаген, 2% - эластин | 10% | (1-10)109 | 1 | 10 | ||
| кожа | 70% сухого вещества – коллаген | 200% | 0,1 | 1 | |||
| Скелетная мышца расслабленная | 106 | 1 | 1-5 | ||||
| Скелетная мышца напряженная | 107 | 0.5 | 1 |
Где 10 дин/см2 = 1 Па; 1 МПа = 107 дин/см2
Модуль сдвига – величина, равная отношению напряжения сдвига к углу сдвига.
Модуль объемного сжатия – величина, равная отношению приложенной силы к относительному изменению объема.
Свойства мышц
Мышца – самая уникальная из всех тканей, поскольку это активная ткань. У такой ткани реологическое соотношение и реологическая диаграмма должны отличаться от тех, которые мы использовали для других мягких тканей. Тем не менее, оказывается, что вид уравнения Кельвина полезен для анализа свойств мышечной ткани.
1) Пассивная мышечная ткань
Рассмотрим пассивную (не стимулируемую) мышечную ткань. Такую ткань при малых деформациях мы можем описать моделью Кельвина, и для нее характерны такие значения параметров:
Для скелетной мышцы
















