1 (1041576)
Текст из файла
Задача 1
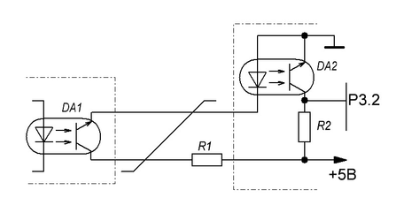
Аппаратная и программная инициализация ДК. Подключить расходомер с выходом «ОК, ОЭ фототранзистора» к контроллеру с входом «Открытый анод СД». Обеспечить ток через светодиод и на линии связи 12 мА.
Датчик, формирующий дискретный сигнал, с помощью проводов соединяется с разъёмами платы контроллера. Если два провода образуют одну ветвь цепи, применяют витую пару. На плате линия ДК соединяется с каким-либо портом МК. При необходимости подключения большого количества линий ДК используют буферы (по 8 линий ДК на каждый). Нужный буфер выбирается дешифратором, управляемым от портов МК.
Для линии, подключённой непосредственно к порту МК (например к Р1.0), программная реализация ДК выглядит следующим образом:
JB P1.0,rel ;переход к подпрограмме если на P1.0 единица
Если подключаемых линий много и используется внешняя адресация, то программа усложняется:
MOV DPTR,AC71h ;Записываем адрес буфера в указатель данных
MOVX A,@DPTR ;Записываем в аккумулятор содержимое буфера
ANL A,#00000001b ;Определяем значение интересующего бита
;с помощью приёма маскирования
JZ rel ;переход к подпрограмме, если на линии ДК ноль
Принимаем:
Тогда:
Резистор R2 обеспечивает потенциал 3В (при закрытом фототранзисторе) на входе Р3.2 при токе 1мА:
Из ряда номиналов сопротивлений резисторов выбираем резисторы 243 Ом и 2 кОм
При таком подключении придется часто следить за линией, чтобы не пропустить импульсы. Следует применить аппаратную инициализацию ДК.
За линией не придётся следить, если подключить её к выходу внешних прерываний МК.
Характеристики
Тип файла документ
Документы такого типа открываются такими программами, как Microsoft Office Word на компьютерах Windows, Apple Pages на компьютерах Mac, Open Office - бесплатная альтернатива на различных платформах, в том числе Linux. Наиболее простым и современным решением будут Google документы, так как открываются онлайн без скачивания прямо в браузере на любой платформе. Существуют российские качественные аналоги, например от Яндекса.
Будьте внимательны на мобильных устройствах, так как там используются упрощённый функционал даже в официальном приложении от Microsoft, поэтому для просмотра скачивайте PDF-версию. А если нужно редактировать файл, то используйте оригинальный файл.
Файлы такого типа обычно разбиты на страницы, а текст может быть форматированным (жирный, курсив, выбор шрифта, таблицы и т.п.), а также в него можно добавлять изображения. Формат идеально подходит для рефератов, докладов и РПЗ курсовых проектов, которые необходимо распечатать. Кстати перед печатью также сохраняйте файл в PDF, так как принтер может начудить со шрифтами.
















