Оформленное ДЗ (1041579)
Текст из файла
Домашнее задание
Вариант 30
По учебной дисциплине:
Системы автоматического управления
См замечания. 17 баллов.
Выполнил:
Студент 4курса
Группы МТ11-72
МГТУ им. Н.Э. Баумана
Шамшединов Р.Х.
Проверил: Рябов В.Т.
Москва 2014г
Задача 1
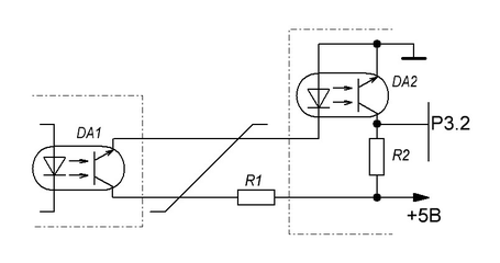
Аппаратная и программная инициализация ДК. Подключить расходомер с выходом «ОК, ОЭ фототранзистора» к контроллеру с входом «Открытый анод СД». Обеспечить ток через светодиод и на линии связи 12 мА.
Датчик, формирующий дискретный сигнал, с помощью проводов соединяется с разъёмами платы контроллера. Если два провода образуют одну ветвь цепи, применяют витую пару. На плате линия ДК соединяется с каким-либо портом МК. При необходимости подключения большого количества линий ДК используют буферы (по 8 линий ДК на каждый). Нужный буфер выбирается дешифратором, управляемым от портов МК.
Для линии, подключённой непосредственно к порту МК (например к Р1.0), программная реализация ДК выглядит следующим образом:
JB P1.0,rel ;переход к подпрограмме если на P1.0 единица
Если подключаемых линий много и используется внешняя адресация, то программа усложняется:
MOV DPTR,AC71h ;Записываем адрес буфера в указатель данных
MOVX A,@DPTR ;Записываем в аккумулятор содержимое буфера
ANL A,#00000001b ;Определяем значение интересующего бита
;с помощью приёма маскирования
JZ rel ;переход к подпрограмме, если на линии ДК ноль
Принимаем:
Тогда:
Резистор R2 обеспечивает потенциал 3В (при закрытом фототранзисторе) на входе Р3.2 при токе 1мА:
Из ряда номиналов сопротивлений резисторов выбираем резисторы 243 Ом и 2 кОм
При таком подключении придется часто следить за линией, чтобы не пропустить импульсы. Следует применить аппаратную инициализацию ДК.
За линией не придётся следить, если подключить её к выходу внешних прерываний МК.
Задача 2
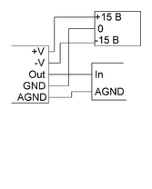
Обеспечить подключение датчика температуры с диапазоном -50..+100°С, потенциальным выходом ±10 В и питанием ±15 В к входу АК контроллера ±10 В. Выводы датчика +V, -V, GND, Out, AGND. Рассчитать и построить характеристику Т(U). Сколько градусов приходится на дискрету, если преобразование 16-и разрядное.
Найдём характеристику датчика в виде
Диапазон в 150˚С делится на 216 дискрет, на одну дискрету приходится:
Задача 3
Подключить к МК ЦАП MAX-506, регистр ДУ и буфер ДК. Дать пример обращения к третьей линии ДК.
Обращение к линии ДК3
MOV DPTR,0000h ;заносим в указатель данных адрес буфера
MOVX A, @DPTR ;читаем байт из буфера
ANL A,#00000100b ;маскируем третий бит
JZ rel ;выполняем подпрограмму если бит равен нулю
Характеристики
Тип файла документ
Документы такого типа открываются такими программами, как Microsoft Office Word на компьютерах Windows, Apple Pages на компьютерах Mac, Open Office - бесплатная альтернатива на различных платформах, в том числе Linux. Наиболее простым и современным решением будут Google документы, так как открываются онлайн без скачивания прямо в браузере на любой платформе. Существуют российские качественные аналоги, например от Яндекса.
Будьте внимательны на мобильных устройствах, так как там используются упрощённый функционал даже в официальном приложении от Microsoft, поэтому для просмотра скачивайте PDF-версию. А если нужно редактировать файл, то используйте оригинальный файл.
Файлы такого типа обычно разбиты на страницы, а текст может быть форматированным (жирный, курсив, выбор шрифта, таблицы и т.п.), а также в него можно добавлять изображения. Формат идеально подходит для рефератов, докладов и РПЗ курсовых проектов, которые необходимо распечатать. Кстати перед печатью также сохраняйте файл в PDF, так как принтер может начудить со шрифтами.
















