2 (1041577)
Текст из файла
Задача 2
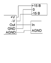
Обеспечить подключение датчика температуры с диапазоном -50..+100°С, потенциальным выходом ±10 В и питанием ±15 В к входу АК контроллера ±10 В. Выводы датчика +V, -V, GND, Out, AGND. Рассчитать и построить характеристику Т(U). Сколько градусов приходится на дискрету, если преобразование 16-и разрядное.
Найдём характеристику датчика в виде
Диапазон в 150˚С делится на 216 дискрет, на одну дискрету приходится:
Характеристики
Тип файла документ
Документы такого типа открываются такими программами, как Microsoft Office Word на компьютерах Windows, Apple Pages на компьютерах Mac, Open Office - бесплатная альтернатива на различных платформах, в том числе Linux. Наиболее простым и современным решением будут Google документы, так как открываются онлайн без скачивания прямо в браузере на любой платформе. Существуют российские качественные аналоги, например от Яндекса.
Будьте внимательны на мобильных устройствах, так как там используются упрощённый функционал даже в официальном приложении от Microsoft, поэтому для просмотра скачивайте PDF-версию. А если нужно редактировать файл, то используйте оригинальный файл.
Файлы такого типа обычно разбиты на страницы, а текст может быть форматированным (жирный, курсив, выбор шрифта, таблицы и т.п.), а также в него можно добавлять изображения. Формат идеально подходит для рефератов, докладов и РПЗ курсовых проектов, которые необходимо распечатать. Кстати перед печатью также сохраняйте файл в PDF, так как принтер может начудить со шрифтами.
















