5264-80 (1041394), страница 6
Текст из файла (страница 6)
Размеры, мм
| Условное обозначение сварного элемента | Конструктивные элементы | s = s1 | h±1 | e | g | |||
| подготовленных кромок свариваемых деталей | сварного шва | Номин. | Пред. откл. | Номин. | Пред. откл. | |||
| C27 | От 30 до 34 | 8 | 17 | ±3 | 0,5 | +2,0 -0,5 | ||
| Св. 34 до 38 | 18 | |||||||
| Св. 38 до 42 | 20 | |||||||
| Св. 42 до 46 | 21 | |||||||
| Св. 46 до 50 | 22 | |||||||
| Св. 50 до 54 | 23 | |||||||
| Св. 54 до 60 | 25 | |||||||
| Св. 60 до 66 | 12 | 28 | ±4 | +3,0 -0,5 | ||||
| Св. 66 до 72 | 30 | |||||||
| Св. 72 до 78 | 32 | |||||||
| Св. 78 до 84 | 34 | |||||||
| Св. 84 до 90 | 36 | |||||||
| Св. 90 до 96 | 38 | |||||||
| Св. 96 до 100 | 40 | |||||||
| Св. 100 до 108 | 42 | |||||||
| Св. 108 до 116 | 20 | 44 | ||||||
| Св. 116 до 124 | 46 | |||||||
| Св. 124 до 132 | 50 | ±5 | ||||||
| Св. 132 до 140 | 54 | |||||||
| Св. 140 до 148 | 57 | |||||||
| Св. 148 до 156 | 60 | |||||||
| Св. 156 до 164 | 64 | |||||||
| Св. 164 до 170 | 68 | |||||||
| Св. 170 до 175 | 72 | |||||||
Таблица 32
Размеры, мм
| Условное обозначение сварного элемента | Конструктивные элементы | s = s1 | e | e1 | g = g1 | ||||
| подготовленных кромок свариваемых деталей | сварного шва | Номин. | Пред. откл. | Номин. | Пред. откл. | Номин. | Пред. откл. | ||
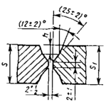
| C39 | От 12 до 14 | 16 | ±2 | 11 | ±2 | 0,5 | +1,5 -0,5 | ||
| Св. 14 до 17 | 18 | ±3 | 12 | +2,0 -0,5 | |||||
| Св. 17 до 20 | 20 | 13 | |||||||
| Св. 20 до 24 | 22 | 14 | |||||||
| Св. 24 до 28 | 25 | 16 | |||||||
| Св. 28 до 32 | 28 | 18 | |||||||
| Св. 32 до 36 | 30 | 20 | |||||||
| Св. 36 до 40 | 32 | 22 | |||||||
| Св. 40 до 44 | 35 | 24 | |||||||
| Св. 44 до 48 | 38 | 25 | |||||||
| Св. 48 до 52 | 41 | 26 | |||||||
| Св. 52 до 56 | 44 | 27 | |||||||
| Св. 56 до 60 | 47 | 28 | |||||||
| Св. 60 до 64 | 49 | ±4 | 29 | ±3 | +3,0 -0,5 | ||||
| Св. 64 до 70 | 51 | 30 | |||||||
| Св. 70 до 76 | 53 | 31 | |||||||
| Св. 76 до 82 | 55 | 32 | |||||||
| Св. 82 до 88 | 57 | 33 | |||||||
| Св. 88 до 94 | 60 | 34 | |||||||
| Св. 94 до 100 | 63 | 35 | |||||||
| Св. 100 до 106 | 66 | 36 | |||||||
| Св. 106 до 112 | 69 | 38 | |||||||
| Св. 112 до 118 | 72 | 40 | |||||||
| Св. 118 до 120 | 75 | 42 | |||||||
Таблица 33
Размеры, мм
| Условное обозначение сварного элемента | Конструктивные элементы | s = s1 | e | e1 | g = g1 | ||||
| подготовленных кромок свариваемых деталей | сварного шва | Номин. | Пред. откл. | Номин. | Пред. откл. | Номин. | Пред. откл. | ||
| C40 | От 12 до 14 | 20 | ±2 | 10 | ±2 | 0,5 | +1,5 -0,5 | ||
| Св. 14 до 17 | 22 | ±3 | 11 | +2,0 -0,5 | |||||
| Св. 17 до 20 | 23 | 12 | |||||||
| Св. 20 до 24 | 24 | 13 | |||||||
| Св. 24 до 28 | 25 | 14 | |||||||
| Св. 28 до 32 | 26 | 15 | |||||||
| Св. 32 до 36 | 27 | 16 | |||||||
| Св. 36 до 40 | 28 | 18 | |||||||
| Св. 40 до 44 | 29 | 20 | |||||||
| Св. 44 до 48 | 30 | 21 | |||||||
| Св. 48 до 52 | 31 | 23 | |||||||
| Св. 52 до 56 | 32 | 25 | |||||||
| Св. 56 до 60 | 33 | 27 | |||||||
| Св. 60 до 64 | 34 | ±4 | 29 | ±3 | +3,0 -0,5 | ||||
| Св. 64 до 70 | 36 | 30 | |||||||
| Св. 70 до 76 | 38 | 31 | |||||||
| Св. 76 до 82 | 40 | 32 | |||||||
| Св. 82 до 88 | 42 | 34 | |||||||
| Св. 88 до 94 | 44 | 36 | |||||||
| Св. 94 до 100 | 47 | 38 | |||||||
| Св. 100 до 106 | 50 | 40 | |||||||
| Св. 106 до 112 | 52 | 42 | |||||||
| Св. 112 до 118 | 54 | 44 | |||||||
| Св. 118 до 120 | 56 | 46 | |||||||
Таблица 34
Размеры, мм
* Размер для справок.
















