5264-80 (1041394), страница 5
Текст из файла (страница 5)
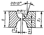
Размеры, мм
| Условное обозначение сварного соединения | Конструктивные элементы | s = s1 | c +2 -1 | h +2 -1 | f +2 -1 | e | e1 ±2 | g = g1 | |||
| подготовленных кромок свариваемых деталей | сварного шва | Номин. | Пред. откл. | Номин. | Пред. откл | ||||||
| C45 | От 8 до 11 | 4 | 6 | 12 | 14 | ±2 | 18 | 0,5 | +1,5 -0,5 | ||
| Св. 11 до 14 | 16 | ||||||||||
| Св. 14 до 17 | 20 | ±3 | +2,0 -0,5 | ||||||||
| Св. 17 до 20 | 7 | 9 | 14 | 24 | 20 | ||||||
| Св. 20 до 24 | 27 | ||||||||||
| Св. 24 до 28 | 30 | ||||||||||
| Св. 28 до 32 | 10 | 12 | 16 | 34 | 22 | ||||||
| Св. 32 до 36 | 36 | ||||||||||
| Св. 36 до 40 | 38 | ||||||||||
Таблица 27
Размеры, мм
| Условное обозначение сварного соединения | Конструктивные элементы | s = s1 | e | e1±2 | g = g1 | |||
| подготовленных кромок свариваемых деталей | сварного шва | Номин. | Пред. откл. | Номин. | Пред. откл. | |||
| С23 | От 15 до 17 | 26 | ±3 | 10 | 0,5 | +2,0 -0,5 | ||
| Св. 17 до 20 | 28 | |||||||
| Св. 20 до 24 | 30 | |||||||
| Св. 24 до 28 | 32 | |||||||
| Св. 28 до 32 | 33 | |||||||
| Св. 32 до 36 | 34 | 12 | ||||||
| Св. 36 до 40 | 35 | |||||||
| Св. 40 до 44 | 36 | ±4 | ||||||
| Св. 44 до 48 | 38 | |||||||
| Св. 48 до 52 | 40 | |||||||
| Св. 52 до 56 | 42 | |||||||
| Св. 56 до 60 | 44 | |||||||
| Св. 60 до 64 | 46 | ±5 | 14 | +3,0 -0,5 | ||||
| Св. 64 до 70 | 48 | |||||||
| Св. 70 до 76 | 50 | |||||||
| Св. 76 до 82 | 52 | |||||||
| Св. 82 до 88 | 54 | |||||||
| Св. 88 до 94 | 56 | |||||||
| Св. 94 до 100 | 60 | |||||||
Таблица 28
Размеры, мм
| Условное обозначение сварного соединения | Конструктивные элементы | s = s1 | e | e1±2 | g = g1 | |||
| подготовленных кромок свариваемых деталей | сварного шва | Номин. | Пред. откл. | Номин. | Пред. откл. | |||
| С24 | От 15 до 17 | 24 | ±3 | 10 | 0,5 | +2,0 -0,5 | ||
| Св. 17 до 20 | 26 | |||||||
| Св. 20 до 24 | 28 | |||||||
| Св. 24 до 28 | 30 | |||||||
| Св. 28 до 32 | 32 | |||||||
| Св. 32 до 36 | 34 | 12 | ||||||
| Св. 36 до 40 | 36 | |||||||
| Св. 40 до 44 | 38 | ±4 | ||||||
| Св. 44 до 48 | 40 | |||||||
| Св. 48 до 52 | 42 | |||||||
| Св. 52 до 56 | 44 | |||||||
| Св. 56 до 60 | 46 | |||||||
| Св. 60 до 64 | 48 | ±5 | 14 | +3,0 -0,5 | ||||
| Св. 64 до 70 | 50 | |||||||
| Св. 70 до 76 | 52 | |||||||
| Св. 76 до 82 | 54 | |||||||
| Св. 82 до 88 | 56 | |||||||
| Св. 88 до 94 | 58 | |||||||
| Св. 94 до 100 | 60 | |||||||
Таблица 29
Размеры, мм
| Условное обозначение сварного соединения | Конструктивные элементы | s = s1 | e | g | |||
| подготовленных кромок свариваемых деталей | сварного шва | Номин. | Пред. откл. | Номин. | Пред. откл. | ||
| С25 | Св. 8 до 11 | 10 | ±2 | 0,5 | +1,5 -0,5 | ||
| Св. 11 до 14 | 12 | ||||||
| Св. 14 до 17 | 14 | ±3 | +2,0 -0,5 | ||||
| Св. 17 до 20 | 16 | ||||||
| Св. 20 до 24 | 18 | ||||||
| Св. 24 до 28 | 20 | ||||||
| Св. 28 до 32 | 22 | ||||||
| Св. 32 до 36 | 24 | ||||||
| Св. 36 до 40 | 26 | ||||||
| Св. 49 до 44 | 28 | ||||||
| Св. 44 до 48 | 30 | ||||||
| Св. 48 до 52 | 32 | ||||||
| Св. 52 до 56 | 34 | ||||||
| Св. 56 до 60 | 36 | ||||||
| Св. 60 до 64 | 39 | ±4 | +3,0 -0,5 | ||||
| Св. 64 до 70 | 42 | ||||||
| Св. 70 до 76 | 45 | ||||||
| Св. 76 до 82 | 48 | ||||||
| Св. 82 до 88 | 51 | ||||||
| Св. 88 до 94 | 54 | ||||||
| Св. 94 до 100 | 57 | ||||||
| Св. 100 до 106 | 60 | ||||||
| Св. 106 до 112 | 63 | ||||||
| Св. 112 до 118 | 66 | ||||||
| Св. 118 до 120 | 68 | ||||||
Таблица 30
Размеры, мм
| Условное обозначение сварного соединения | Конструктивные элементы | s = s1 | e | g | |||
| подготовленных кромок свариваемых деталей | сварного шва | Номин. | Пред. откл. | Номин. | Пред. откл. | ||
| С26 | От 30 до 34 | 23 | ±3 | 0,5 | +2,0 -0,5 | ||
| Св. 34 до 38 | 24 | ||||||
| Св. 38 до 42 | 25 | ||||||
| Св. 42 до 46 | 26 | ||||||
| Св. 46 до 50 | 27 | ||||||
| Св. 50 до 54 | 28 | ||||||
| Св. 54 до 60 | 29 | ||||||
| Св. 60 до 66 | 31 | +3,0 -0,5 | |||||
| Св. 66 до 72 | 33 | ||||||
| Св. 72 до 78 | 34 | ||||||
| Св. 78 до 84 | 36 | ||||||
| Св. 84 до 90 | 38 | ±4 | |||||
| Св. 90 до 96 | 40 | ||||||
| Св. 96 до 100 | 42 | ||||||
| Св. 100 до 108 | 44 | ||||||
| Св. 108 до 116 | 46 | ||||||
| Св. 116 до 124 | 48 | ||||||
| Св. 124 до 132 | 50 | ±5 | |||||
| Св. 132 до 140 | 52 | ||||||
| Св. 140 до 148 | 54 | ||||||
| Св. 148 до 156 | 56 | ||||||
| Св. 156 до 164 | 60 | ||||||
| Св. 164 до 170 | 64 | ||||||
| Св. 170 до 175 | 68 | ||||||
Таблица 31
















