5264-80 (1041394), страница 4
Текст из файла (страница 4)
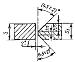
Размеры, мм
| Условное обозначение сварного соединения | Конструктивные элементы | s = s1 | e | e1 | g = g1 | ||||
| подготовленных кромок свариваемых деталей | сварного шва | Номин. | Пред. откл. | Номин. | Пред. откл. | Номин. | Пред. откл. | ||
| С43 | От 12 до 14 | 18 | ±2 | 15 | ±2 | 0,5 | +1,5 -0,5 | ||
| Св. 14 до 17 | 19 | ±3 | 16 | +2,0 -0,5 | |||||
| Св. 17 до 20 | 20 | 17 | |||||||
| Св. 20 до 24 | 22 | 18 | |||||||
| Св. 24 до 28 | 24 | 19 | |||||||
| Св. 28 до 32 | 27 | 20 | |||||||
| Св. 32 до 36 | 30 | 21 | |||||||
| Св. 36 до 40 | 33 | 22 | |||||||
| Св. 40 до 44 | 36 | 23 | |||||||
| Св. 44 до 48 | 39 | 25 | |||||||
| Св. 48 до 52 | 42 | 27 | |||||||
| Св. 52 до 56 | 45 | 29 | |||||||
| Св. 56 до 60 | 48 | 31 | |||||||
| Св. 60 до 64 | 51 | ±4 | 33 | ±3 | +3,0 -0,5 | ||||
| Св. 64 до 70 | 54 | 35 | |||||||
| Св. 70 до 76 | 57 | 37 | |||||||
| Св. 76 до 82 | 60 | 39 | |||||||
| Св. 82 до 88 | 63 | 41 | |||||||
| Св. 88 до 94 | 66 | 43 | |||||||
| Св. 94 до 100 | 69 | 45 | |||||||
Таблица 21
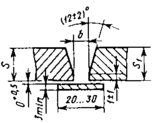
Размеры, мм
| Условное обозначение сварного соединения | Конструктивные элементы | s = s1 | e | g | |||
| подготовленных кромок свариваемых деталей | сварного шва | Номин. | Пред. откл. | Номин. | Пред. откл. | ||
| С17 | От 3 до 5 | 8 | ±2 | 0,5 | +1,5 -0,5 | ||
| Св. 5 до 8 | 12 | ||||||
| Св. 8 до 11 | 16 | ||||||
| Св. 11 до 14 | 19 | +2,0 -0,5 | |||||
| Св. 14 до 17 | 22 | ±3 | |||||
| Св. 17 до 20 | 26 | ||||||
| Св. 20 до 24 | 30 | ||||||
| Св. 24 до 28 | 34 | ||||||
| Св. 28 до 32 | 38 | ||||||
| Св. 32 до 36 | 42 | ||||||
| Св. 36 до 40 | 47 | ||||||
| Св. 49 до 44 | 52 | ±4 | |||||
| Св. 44 до 48 | 54 | ||||||
| Св. 48 до 52 | 56 | ||||||
| Св. 52 до 56 | 60 | ||||||
| Св. 56 до 60 | 65 | ||||||
Таблица 22
Размеры, мм
| Условное обозначение сварного соединения | Конструктивные элементы | s = s1 | b±1 | e | e1±1 | g | |||
| подготовленных кромок свариваемых деталей | сварного шва | Номин. | Пред. откл. | Номин. | Пред. откл. | ||||
| С18 | От 3 до 5 | 3 | 10 | ±2 | 4 | 0,5 | +1,5 -0,5 | ||
| Св. 5 до 8 | 16 | ||||||||
| Св. 8 до 11 | 4 | 20 | |||||||
| Св. 11 до 14 | 24 | 6 | |||||||
| Св. 14 до 17 | 5 | 28 | ±3 | +2,0 -0,5 | |||||
| Св. 17 до 20 | 32 | ||||||||
| Св. 20 до 24 | 36 | 8 | |||||||
| Св. 24 до 28 | 40 | ||||||||
| Св. 28 до 32 | 44 | ||||||||
| Св. 32 до 36 | 48 | ||||||||
| Св. 36 до 40 | 50 | ||||||||
| Св. 40 до 44 | 54 | ±4 | |||||||
| Св. 44 до 48 | 56 | ||||||||
| Св. 48 до 52 | 60 | ||||||||
| Св. 52 до 56 | 63 | ||||||||
| Св. 56 до 60 | 68 | ||||||||
Таблица 23
Размеры, мм
| Условное обозначение сварного элемента | Конструктивные элементы | s = s1 | b±1 | e | g | |||
| подготовленных кромок свариваемых деталей | сварного шва | Номин. | Пред. откл. | Номин. | Пред. откл. | |||
| C19 | От 6 до 10 | 8 | 17 | ±2 | 0,5 | +1,5 -0,5 | ||
| Св. 10 до 14 | 19 | |||||||
| Св. 14 до 18 | 22 | ±3 | +2,0 -0,5 | |||||
| Св. 18 до 22 | 24 | |||||||
| Св. 22 до 26 | 12 | 26 | ||||||
| Св. 26 до 30 | 28 | |||||||
| Св. 30 до 35 | 30 | |||||||
| Св. 35 до 40 | 32 | |||||||
| Св. 40 до 47 | 34 | ±4 | ||||||
| Св. 47 до 54 | 36 | |||||||
| Св. 54 до 60 | 38 | |||||||
| Св. 60 до 66 | 40 | ±5 | +3,0 -0,5 | |||||
| Св. 66 до 72 | 44 | |||||||
| Св. 72 до 78 | 48 | |||||||
| Св. 78 до 85 | 52 | |||||||
| Св. 85 до 92 | 56 | |||||||
| Св. 92 до 100 | 60 | |||||||
Таблица 24
Размеры, мм
| Условное обозначение сварного элемента | Конструктивные элементы | s | b±1 | e | g | |||
| подготовленных кромок свариваемых деталей | сварного шва | Номин. | Пред. откл. | Номин. | Пред. откл. | |||
| C20 | От 3 до 5 | 3 | 10 | ±2 | 0,5 | +1,5 -0,5 | ||
| Св. 5 до 8 | 16 | |||||||
| Св. 8 до 11 | 4 | 20 | ||||||
| Св. 11 до 14 | 24 | |||||||
| Св. 14 до 17 | 5 | 28 | ±3 | +2,0 -0,5 | ||||
| Св. 17 до 20 | 32 | |||||||
| Св. 20 до 24 | 36 | |||||||
| Св. 24 до 28 | 40 | |||||||
| Св. 28 до 32 | 44 | |||||||
| Св. 32 до 36 | 48 | |||||||
| Св. 36 до 40 | 50 | |||||||
| Св. 40 до 44 | 54 | ±4 | ||||||
| Св. 44 до 48 | 56 | |||||||
| Св. 48 до 52 | 60 | |||||||
| Св. 52 до 56 | 63 | |||||||
| Св. 56 до 60 | 68 | |||||||
Таблица 25
Размеры, мм
| Условное обозначение сварного соединения | Конструктивные элементы | s = s1 | e | e1±2 | g = g1 | |||
| подготовленных кромок свариваемых деталей | сварного шва | Номин. | Пред. откл. | Номин. | Пред. откл. | |||
| С21 | От 3 до 5 | 8 | ±2 | 8 | 0,5 | +1,5 -0,5 | ||
| Св. 5 до 8 | 12 | |||||||
| Св. 8 до 11 | 16 | 10 | ||||||
| Св. 11 до 14 | 19 | |||||||
| Св. 14 до 17 | 22 | ±3 | +2,0 -0,5 | |||||
| Св. 17 до 20 | 26 | |||||||
| Св. 20 до 24 | 30 | |||||||
| Св. 24 до 28 | 34 | |||||||
| Св. 28 до 32 | 38 | |||||||
| Св. 32 до 36 | 42 | 12 | ||||||
| Св. 36 до 40 | 47 | |||||||
| Св. 40 до 44 | 52 | ±4 | ||||||
| Св. 44 до 48 | 54 | |||||||
| Св. 48 до 52 | 56 | |||||||
| Св. 52 до 56 | 60 | |||||||
Таблица 26
















