bjd_themes (1023446), страница 5
Текст из файла (страница 5)
6) Двойная изоляция.
Состоит из рабочей и дополнительной, которая служит для защиты человека от поражения электрическим током в случае повреждения рабочей. Рабочая -
.
Усиленная рабочая изоляция обеспечивает такую же защиту, как двойная – 5МОм.
7) Средства индивидуальной защиты.
Основные СИЗ выдерживают рабочее напряжение. В эл. установках до 1000В к ним относятся :
- инструмент с изолированными рукоятками;
- диэлектрические перчатки;
- указатели напряжения.
Дополнительные СИЗ защищают от напряжения шага – коврики, боты.
Производство работ в электроустановках, допуск и оформление работ строго регламентировано ПТБ.
Технические меры защиты.
Технические меры защиты обеспечивают безопасность персонала при выполнение работ с полным или частичным снятием напряжения с эл. установки.
а) отключение с видимым разрывом (или двойное);
б) вывешивание плакатов по ТБ (Например: «Не включать работают люди», «Работать здесь». И при необходимости установка временных ограждений.);
в) проверка отсутствия напряжения на токоведущих частях установки;
г) наложение временных заземлений.
-
Организационные меры обеспечения электробезопасности: обучение, проверка знаний, аттестация, условия производства работ в действующих электроустановках.
а) наряд или устное распоряжение с записью в журнал; в наряде указывают состав бригады, квалификацию по ТБ, меры электрозащиты, лицо ответственное за безопасность;
б) допуск бригады к работе (дежурный указывает отключенный участок и показывает, что напряжение отсутствует указателем или рукой);
в) надзор за бригадой во время работы;
г) оформление переходов (на другие участки) и окончание работы.
-
Предложите в дополнение к защитному заземлению второй технический метод, обеспечивающий повышение уровня электробезопасности эксплуатации электроустановки в сети с изолированной нейтралью. Приведите общую принципиальную схему.
Защитное отключение.
Защитное отключение (а.з.о.) – быстродействующая защита, обеспечивающая автоматическое отключение электроустановки при возникновении опасности поражения человека током.
В основе З.О. лежит принцип ограничения времени протекания тока через человека. Наибольшее распространение получили З.О. с
,
.
Основные требования к а.з.о.
время отключения а.з.о. складывается из времени срабатывания прибора з.о. (реле
) и времени срабатывания собственного автомата (0,06с электромагнитного и
с теплового)
;
б) надежность, т.е. отсутствие отказов, а также ложных срабатываний;
в) высокая чувствительность, т.е. способность реагировать на малые изменения входного сигнала;
г) селективность – отключение только аварийного участка;
д) самоконтроль, а.з.о. могут применятся в сетях любого напряжения с любым режимом нейтрали (больше – до 1000В).
Принцип построения схем а.з.о. зависит от типа входного сигнала, поступающего к датчику:
- напряжение на корпусе (прямого действия);
- напряжение нулевой последовательности (косвенного действия);
- ток нулевой последовательности (косвенного действия);
- ток замыкания на землю (прямого действия);
- комбинированные.
Применяется в СССР:
- в передвижных устройствах;
- как дополнительная мера к защите заземления и заземления;
- в электроинструментах.
Пример: удар током от прикосновения к троллейбусу (если есть утечка на корпус). Ежегодно от этого гибнет около 50 человек.
Схема а.з.о. (вх. сигнал – напряжение на корпусе). Схема осуществляет защиту от глухих замыканий на землю и пригодна для сетей с изолированной и заземленной нейтралью, любого напряжения.
Такие схемы могут применятся только совместно с заземлением или другими мерами защиты. Напряжение срабатывания
, при этом
воздействует на реле
, нормально – замкнутые контакты
которого размыкаются и отключают МП.
Достоинства - простая.
Недостатки:
-
нет контроля исправности и самоконтроля;
-
трудности с селективностью при общем заземлении;
-
требуются вспомогательные заземления.
Схема а.з.о. (входной сигнал – ток нулевой последовательности). В этой схеме датчиком является трансформатор тока нулевой последовательности ТТНЛ. Первичная обмотка ТТНЛ – три фазных провода (1), вторичная обмотка (2) намотана на кольцевом магнитопроводе (3).
| Схема а.з.о. по току н.п. а) принципиальная б) ТТНП |
|
Схемы этого типа осуществляют защиту от глухих (
) или неполных (
) замыканий на землю.
Назначение – обеспечить безопасность при прикосновении и заземлении или занулении корпуса при попадании ан него фазы или при прикосновении к токоведущим частям электроустановки.
В нормальном режиме геометрическая сумма токов трех фаз равна нулю
. При замыкании на корпус симметрия токов нарушается
.
Реле тока Т срабатывает при
и отключается с помощью МП оборудованное М.
Схема имеет:
-
высокое быстродействие;
-
чувствительность;
-
обеспечивает селективность;
-
не зависит от сопротивления заземления;
-
пригодность для схем с заземленной и изолированной нейтралью (
).
-
Охарактеризуйте понятия и укажите пороговые значений ощутимого, неотпускающего и фибрилляционного токов частоты 50 Гц.
Электрический шок - тяжелая нервно- рефлекторная реакция организма на чрезмерное раздражение электрическим током, сопровождающаяся глубокими расстройствами кровообращения, дыхания, обмена веществ и т.п. Шок длится от десятка секунд до суток.
Токи поражения (ГОСТ 12.1.009-76)
Электрические токи подразделяют на ощутимые, неотпускающие и фибрилляционные.
-
Ощутимый ток – электрический ток, вызывающий ощутимые раздражения при прохождении через организм человека
-
Неотпускающий ток – электрический ток, вызывающий при прохождении через организм человека непреодолимое судорожное сокращение мышц руки, в которой зажат проводник, находящийся под напряжением.
-
Фибрилляционный ток – вызывает при прохождении через организм фибрилляцию сердца.
Пороговый ток – наименьшее значение тока вызывающий соответствующую реакцию. Пороговые значения различны для переменного и постоянного тока. Кроме того, они неодинаковы для различных людей.
Сердце: фибрилляция - нарушение ритмичности сокращения мышцы, что приводит к нарушению подачи крови и кислорода к органам
100мА - среднее значение переменного фибрилляционного тока
~5мин - клиническая смерть, в теч. этого времени можно оказать помощь;
>5мин - необратимые нарушения, приводящие к смерти.
-
Изложите классификацию помещений по степени опасности поражения электрическим током.
Классификация помещений по электробезопасности:
1 класс: Помещения с повышенной опасностью.
Признаки (один из):
-токопроводящий пол;
-повышенная влажность (от 75%);
-температура от 35град. длительно;
-возможность одноврем. прикосновения к металлическим нетоковедущим частям электроустановки и заземленным коммуникациям;
-токопроводящая пыль в помещении.
2 класс: Помещения особо опасные.
Признаки (один из):
-100% влажность (насыщенный пар);
-химически активная среда;
наличие 2-х м более признаков помещения 1-го класса.
3 класс: Помещения без повышенной опасности.
Признак:
-отсутствие признаков 1-го и 2-го классов.
-
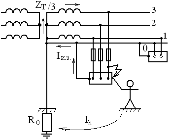
Привести электрическую принципиальную схему зануления с повторным заземлением. Найти ток через человека при прикосновении к корпусу электроприбора, оказавшегося под напряжением?
Повторные заземлители.
Применяют для снижения напряженности на корпусе относительно земли в момент прохождения тока к.з. и особенно при обрыве нулевого защитного проводника. Повторное заземление выполняют путем заземления нулевого защитного проводника на вводе здания и на концах питающей ЛЭП. Общее сопротивление повторных заземлителей нулевого защитного проводника должно быть:
Повторное и рабочее заземления действуют как делитель напряжения.
При замыкании фазы на корпус и отсутствии обрыва ток через человека при использовании повторного заземлителя
При обрыве нулевого защитного проводника
|
| Рис.23. Схема зануления а) принципиальная; б) замещения. |
-
Привести электрическую принципиальную схему зануления. Сравнить напряжения на корпусе поврежденного электроприбора: а) при отсутствии зануления и повторного заземления; б) при наличии только зануления; в) при наличии только повторного заземления
г) при наличии зануления и повторного заземления.
Зануление.
Зануление применяют в сетях с глухозаземленной нейтралью напряжением до 1000В.
Назначение зануления - устранение опасности поражения током в случае прикосновения к металлическим нетоковедущим частям, оказывающимся под напряжением.
Принцип действия защиты занулением заключается в автоматическом отключении поврежденного участка и одновременно – в снижении
корпуса на время, пока не сработает отключающий аппарат (max токовая защита).
|
| Рис.23. Схема зануления а) принципиальная; б) замещения. |
Основные требования к занулению – обеспечить надежное и быстрое (доли секунды) срабатывание защиты для отключения поврежденного оборудования. Для этого необходимо обеспечить условие:
















