bjd_themes (1023446), страница 4
Текст из файла (страница 4)
|
| Рис.23. Схема зануления а) принципиальная; б) замещения. |
-
Защитное отключение: определение, область применения, защитная функция, основные требования к защитному отключению.
Защитное отключение.
Защитное отключение (а.з.о.) – быстродействующая защита, обеспечивающая автоматическое отключение электроустановки при возникновении опасности поражения человека током.
В основе З.О. лежит принцип ограничения времени протекания тока через человека. Наибольшее распространение получили З.О. с
,
.
Основные требования к а.з.о.
время отключения а.з.о. складывается из времени срабатывания прибора з.о. (реле
) и времени срабатывания собственного автомата (0,06с электромагнитного и
с теплового)
;
б) надежность, т.е. отсутствие отказов, а также ложных срабатываний;
в) высокая чувствительность, т.е. способность реагировать на малые изменения входного сигнала;
г) селективность – отключение только аварийного участка;
д) самоконтроль, а.з.о. могут применятся в сетях любого напряжения с любым режимом нейтрали (больше – до 1000В).
Принцип построения схем а.з.о. зависит от типа входного сигнала, поступающего к датчику:
- напряжение на корпусе (прямого действия);
- напряжение нулевой последовательности (косвенного действия);
- ток нулевой последовательности (косвенного действия);
- ток замыкания на землю (прямого действия);
- комбинированные.
Применяется в СССР:
- в передвижных устройствах;
- как дополнительная мера к защите заземления и заземления;
- в электроинструментах.
Пример: удар током от прикосновения к троллейбусу (если есть утечка на корпус).
Ежегодно от этого гибнет около 50 человек.
Схема а.з.о. (вх. сигнал – напряжение на корпусе). Схема осуществляет защиту от глухих замыканий на землю и пригодна для сетей с изолированной и заземленной нейтралью, любого напряжения.
Такие схемы могут применятся только совместно с заземлением или другими мерами защиты. Напряжение срабатывания
, при этом
воздействует на реле
, нормально – замкнутые контакты
которого размыкаются и отключают МП.
Достоинства - простая.
Недостатки:
-
нет контроля исправности и самоконтроля;
-
трудности с селективностью при общем заземлении;
-
требуются вспомогательные заземления.
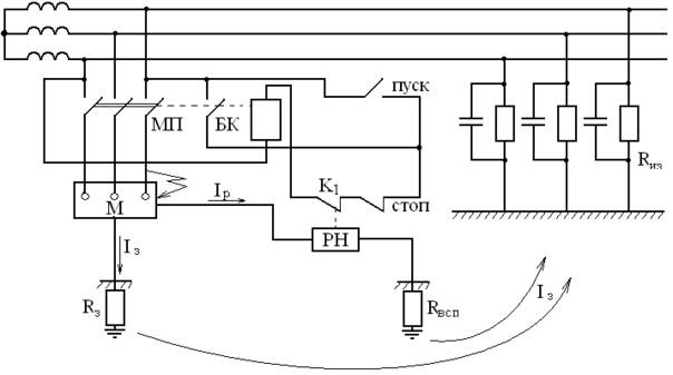
Схема а.з.о. (входной сигнал – ток нулевой последовательности). В этой схеме датчиком является трансформатор тока нулевой последовательности ТТНЛ. Первичная обмотка ТТНЛ – три фазных провода (1), вторичная обмотка (2) намотана на кольцевом магнитопроводе (3).
| Схема а.з.о. по току н.п. а) принципиальная б) ТТНП |
|
Схемы этого типа осуществляют защиту от глухих (
) или неполных (
) замыканий на землю.
Назначение – обеспечить безопасность при прикосновении и заземлении или занулении корпуса при попадании ан него фазы или при прикосновении к токоведущим частям электроустановки.
В нормальном режиме геометрическая сумма токов трех фаз равна нулю
. При замыкании на корпус симметрия токов нарушается
.
Реле тока Т срабатывает при
и отключается с помощью МП оборудованное М.
Схема имеет:
-
высокое быстродействие;
-
чувствительность;
-
обеспечивает селективность;
-
не зависит от сопротивления заземления;
-
пригодность для схем с заземленной и изолированной нейтралью (
).
-
Компенсация емкостных токов через человека: область применения, защитные функции, принцип действия, выражение для тока Ih.
Компенсация емкостных токов.
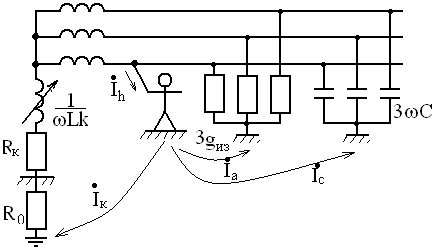
Протяженные сети, кабельные линии обладают большой емкостью фаз относительно земли (
) и большим сопротивлением изоляции фаз
.
Изменение тока
при увеличении С показано на рисунке 9-б. При больших емкостях фаз ток опасен даже при
.
Для компенсации емкостной составляющей тока через человека в нейтраль или на каждую фазу включают индуктивное сопротивление – дроссель.
При полной компенсации ток
равен
где
- проводимость дросселя (
=
+
)
Ток
зависит только от активных сопротивлений
и
.
| Требуемая для полной компенсации индуктивность дросселя находится из условия | |
| Рис.14. Зависимость Ih(c) | |
-
Перечислите и охарактеризуйте технические средства обеспечения электробезопасности, которые могут применяться в трехфазных электрических сетях с изолированной нейтралью.
По характеру защитные меры можно подразделить:
-
организационные – определяющие вероятность прикосновения человека к электроустановке (инструктаж, организация рабочего места, режим труда, применение СИЗ, плакаты, сигнализация и т.д.);
-
организационно-технические – определяющие вероятность появление напряжения на электроустановках (изоляция, ограждение токоведущих частей электроустановок, применение блокировок, переносные заземлители);
-
технические – определяющие вероятность того, что ток, проходящий через человека, не превысит допустимого значения:
-
применение малых напряжений
-
электрическое разделение сетей
-
контроль и профилактика изоляции
-
компенсация емкостных токов утечки
-
защитные заземления.
-
зануление (защитное зануление)
-
защитное отключение
-
двойная изоляция
-
защита от перехода высокого напряжения на сторону низкого напряжения
-
Эти способы применят отдельно или в сочетании, в зависимости от номинального значения напряжения, рода тока, режима нейтрали и возможных условий включений человека в цепь.
С точки зрения электробезопастности электроустановки подразделяются:
-
по напряжению
-
до 1000 В
-
свыше 1000 В;
-
по режиму нейтрали
-
с изолированной нейтралью
-
с заземлённой нейтралью
Способы и средства электрозащиты (ГОСТ 12.1.019-79)
-
Изоляция токовопроводящих частей электроустановок (рабочая, дополнительная, усиленная, двойная с устройством её непрерывного контроля.)
-
Компенсация емкостных токов
-
Защитное заземление
-
Зануление
-
Защитное отключение с самоконтролем
-
Выравнивание потенциалов
-
Малое напряжение (42 В переменного, 110 постоянного тока)
-
Электрическое разделение сетей
-
Ограждения
-
Сигнализация, блокировка, знаки безопасности
-
Средства индивидуальной защиты
Эти способы и средства применяют отдельно или в сочетании в зависимости от Uном, рода тока, режима нейтрали трансформатора, возможных включений человека в цепь тока (двухфазное, однофазное прикосновение к токоведущим частям, попадание под напряжение в зоне растекания тока).
-
Перечислите и охарактеризуйте технические средства обеспечения электробезопасности, которые применяются в трехфазных электрических сетях с заземленной нейтралью.
Прочие способы электрозащиты.
1)Использование малого напряжения.
- переменный ток
, а в помещениях особоопасных
, с повышенной опасностью
;
2) Электрическое разделение сетей.
Питание оборудования от специального разделительного трансформатора, который отделяет электрический приемник от первичной разветвленной протяжной сети (с большой емкостью и малым активным сопротивлением).
3)Оградительные устройства.
Обеспечивают недоступность токопроводящих частей для случайного прикосновения к ним.
4)Блокировка (механическая, электрическая).
Препятствует проникновению человека в опасную зону или устраняет опасность на время пребывания человека в этой зоне.
5)Предписывающие плакаты.
Предупреждающие: «Под напряжением. Опасно для жизни!»
Запрещающие: «Не влезай, убьет».
Разрешающие: «Работать здесь».















