bjd_themes (1023446), страница 8
Текст из файла (страница 8)
Для отражающих экранов используют металлы (медь, латунь, алюминий, сталь), имеющие высокую проводимость. Экраны в виде: листов толщиной 0,5 мм (или по расчёту); сетки из проволоки 0,11,0 мм с ячейками 11, 1010 мм (в зависимости от , нужно ). Форма экранов: замкнутые (камеры); незамкнутые (щит, П-образный, полусфера и т.п.).
При использовании экранов ЭМ энергия поглощается в поверхностном слое металла, частично отражаясь в сторону источника. Основная характеристика экрана - эффективность экранирования, т.е. степень ослабления ЭМП.
Экранирование высокочастотных термических установок.
Рабочий элемент-конденсатор.
Расчёт заключается в определении размеров экрана. В качестве экрана может быть использован, например, замкнутая труба квадратного сечения.
а) продольное и б) поперечное сечение экрана.
Напряжённость электрического поля Е ослабляется экраном и убывает обратнопропорционально квадрату расстояния (Х) от источника до оператора.
Отсюда соотношение геометрических размеров экрана:
где
– напряжённость на рабочем месте.
-
Виды, принцип действия и особенности конструкций экранов для защиты от электромагнитных полей радиочастот.
Экранирование.
Для отражающих экранов используют металлы (медь, латунь, алюминий, сталь), имеющие высокую проводимость. Экраны в виде: листов толщиной 0,5 мм (или по расчёту); сетки из проволоки 0,11,0 мм с ячейками 11, 1010 мм (в зависимости от , нужно ). Форма экранов: замкнутые (камеры); незамкнутые (щит, П-образный, полусфера и т.п.).
При использовании экранов ЭМ энергия поглощается в поверхностном слое металла, частично отражаясь в сторону источника. Основная характеристика экрана - эффективность экранирования, т.е. степень ослабления ЭМП.
Экранирование высокочастотных термических установок.
Рабочий элемент-конденсатор.
Расчёт заключается в определении размеров экрана. В качестве экрана может быть использован, например, замкнутая труба квадратного сечения.
а) продольное и б) поперечное сечение экрана.
Напряжённость электрического поля Е ослабляется экраном и убывает обратнопропорционально квадрату расстояния (Х) от источника до оператора.
Отсюда соотношение геометрических размеров экрана:
где
– напряжённость на рабочем месте.
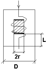
Рабочий элемент-индуктор.
Экран - замкнутый цилиндр с диаметром D.
где I, r, n - ток, радиус индуктора, число его витков;
x - расстояние до рабочего места.
-
Методика расчета энергетической нагрузки при облучении ЭМП в свободном пространстве.
Расчёт энергетической освещённости на рабочем месте.
где
- плотность потока энергии в световом пучке, Вт/см
;
- угол расходимости луча, рад.;
- угол между нормалью к отражающей поверхности и направлением на оператора;
- коэффициент отражения поверхности;
R - расстояние от поверхности до оператора.
Из выражения следует, что энергетическая освещённость (Е) тем меньше, чем меньше отражение от мишени (
) и больше удаление от мишени (R).
Основные требования, чтобы
мишень должна быть из несгораемого материала с малым
(например асбоцемент).
-
Принципы нормирования ЭМП радиочастот и методы контроля интенсивности излучения.
Воздействие электромагнитных полей (ЭМП) на человека и нормирование.
Действие ЭМП на человека тем значительнее, чем выше напряжённость поля, частота излучения и длительность воздействия. При облучении происходит нагрев тела с повышением его температуры. Нарушается работа сердечно-сосудистой системы. Жалобы на боли в сердце, нарушение сна, головная боль, быстрое утомление, раздражительность, потеря памяти. Большинство изменений накапливается. Предельно допустимые уровни (ПДУ) облучений установлены в зависимости от частоты излучения ЭМП условно подразделяют на 3 вида:
| Вид ЭМП | F,МГц | ,м |
| вч | 0,0330 | 1000010 |
| увч | 30300 | 101 |
| свч | 300300000 | 10,001 |
ЭМП любой частоты имеет 3 условные зоны в зависимости от расстояния X до источника:
-
Зону индукции (пространство с радиусом Х 2);
-
Промежуточную зону (зону дифракции);
-
Волновую зону, Х2
Рабочие места вблизи источников ВЧ полей попадают в зону индукции. Для таких источников уровни облучений нормированы величиной напряжённости электрического Е(Вм) и магнитного Н(А/м) полей.
ГОСТом 12.1.006-84 установлены ПДУ на рабочем месте в течении всего рабочего дня:
Работающие с генератором СВЧ попадают в волновую зону. В этих случаях ПДУ облучения нормируется по плотности потока мощности (мВт / см²).
ПДУ для СВЧ установлены в зависимости от длительности облучения:
| Длительность облучения | , мВТ/см² |
| 7 часов | 0,01 |
| Менее 2 часов | 0,1 |
| Менее 20 минут | 1(с очками) |
-
Из каких материалов выполняются отражающие экраны, используемые для защиты от электромагнитных полей СВЧ диапазона? Выбрать от чего зависит толщина экранов:
а) от времени работы человека с источником излучения; б) от материала экранов; в) от коэффициента направленности излучения на рабочее место.
Защита рабочего места и помещений.
При невозможности экранировать источник и защититься от утечки, экранируют рабочее место, используя эластичные материалы для чехлов, спецодежды (х/б ткань с металлическим проводом в виде сетки с ячейкой
0,5 мм). Площадь нормируется от 40 до 70 м
в зависимости от мощности источника. Металлические предметы и оборудование, отражающие предметы и оборудование, отражающие утечки энергии, удаляют.
Профилактика: медосмотры 1 раз в год; дополнительный отпуск - 12 рабочих дней; сокращённый рабочий день - при превышении ПДУ.
Экранирование.
Для отражающих экранов используют металлы (медь, латунь, алюминий, сталь), имеющие высокую проводимость. Экраны в виде: листов толщиной 0,5 мм (или по расчёту); сетки из проволоки 0,11,0 мм с ячейками 11, 1010 мм (в зависимости от , нужно ). Форма экранов: замкнутые (камеры); незамкнутые (щит, П-образный, полусфера и т.п.).
При использовании экранов ЭМ энергия поглощается в поверхностном слое металла, частично отражаясь в сторону источника. Основная характеристика экрана - эффективность экранирования, т.е. степень ослабления ЭМП.
Экранирование высокочастотных термических установок.
Рабочий элемент-конденсатор.
Расчёт заключается в определении размеров экрана. В качестве экрана может быть использован, например, замкнутая труба квадратного сечения.
а) продольное и б) поперечное сечение экрана.
Напряжённость электрического поля Е ослабляется экраном и убывает обратнопропорционально квадрату расстояния (Х) от источника до оператора.
Отсюда соотношение геометрических размеров экрана:
где
– напряжённость на рабочем месте.
Рабочий элемент-индуктор.
Экран - замкнутый цилиндр с диаметром D.
где I, r, n - ток, радиус индуктора, число его витков;
x - расстояние до рабочего места.
Защита от СВЧ энергии.
При снятии характеристик РЛС для ослабления облучения к волноводу подключат поглощающую нагрузку - порошковое железо, граффито - цементный наполнитель и др.
От утечек энергии защищаются металлическими экранами замкнутого и незамкнутого типа. Металлы отражают практически всю падающую на них энергию, существенно отражают и др. металлы. Частично отражённую от экранов, оборудования энергию поглощают с помощью покрытий из непроводящих материалов (каучук, поролон и др., с проводящими добавками), где энергия рассеивается в виде тепловых потерь.
Коэффициент отражения:
















