ТЕОРИЯ К ЭКЗАМЕНУ-1 (1022073), страница 8
Текст из файла (страница 8)
инверсию Y- и Z-форм, А- и В-форм, H- и
G-форм. Историческисложилосьтак,что
для A-формы (ее будем считать основной)
положительные направления для токов и
напряжений соответствуют рис. а; для Y-, Z-, H-, G-форм — рис. б, В-форме — рис. в. Обратим внимание, на то, что ток I2* на рис, б направлен противоположно току I2* на рис. а. На рис. в I1* и I2* изменили направление по сравнению с токами I1* и I2* на рис. а.
-
Определение коэффициентов А-формы записи уравнений четырехполюсника.
Комплексные коэффициенты А, В, С, D, входящие в уравнения U1* = AU2* + BI2* и
I1* = CU2* + DI2* , можно определить по формулам, если схема внутренних соединений четырехполюсника и ее параметры известны, либо используя входные сопротивления четырехполюсника, полученные опытным или расчетным путем. Комплексные входные сопротивления находят опытным путем с помощью ваттметра, амперметра и вольтметра по схеме для двухполюсника, с тем отличием, что вместо двухполюсника Зажимами mn и pq (в зависимости от определяемого входного сопротивления) подключают испытуемый четырехполюсник. Определим комплексное входное сопротивление четырехполюсника при трех различных режимах его работы. 1. При питании со стороны зажимов mn и разомкнутой ветви pq (I2* = 0, индекс х). Z1x = U1x* / I1x* = z1xejφ = A / C. 2. При питании со стороны зажимов mn и коротком замыкании ветви pq (U2 = 0, индекс к). Z1k = U1k* / I1k* = z1kejφ = B / D. 3. При питании со стороны зажимов pq и коротком замыкании зажимов mn (U2 = 0). Z2k = z2kejφ = B / A. Таким образом имеем четыре уравнениями: AD – ВС = 1,
Z1x = А / С; Z1k = B / D; Z2k = В / А. После преобразований получим:
. Коэффициенты А и D имеют нулевую размерность, коэффициент В имеет размерность Ом, коэффициент С — См.
Пример. Опытным путем было найдено, что Z1x = 7,815еj51^12 Ом; Z1k = 12,5еj66^23 Ом; Z2k = З,ЗЗе j27^33 Ом. Определить коэффициенты А, В, С, D четырехполюсника.
Решение. Найдем Z1x – Z1k = 5 – 6j -12j -5 = -18j, тогда:
; C = A / Z1x = 1,28ej39^40 / 7,81e-j51^21 = 0,166ej90^.
B = AZ2k = 4,26ej67^, D = B / Z1k = 0,34.
-
Т и П схемы замещения пассивного двухполюсника .
четырехполюсника как передаточного звена
между источником питания и нагрузкой
может выполнять Т-схема (схема звезды рис.
а) или эквивалентная ей П-схема
треугольника (рис. б).
Предполагается, что частота ω фиксирована. Три сопротивления Т- или П-схемы подсчитывают с учетом того, что схема замещения должна обладать теми же коэффициентами А, В, С, D, что и заменяемый ею четырехполюсник. Задача эта однозначна, так как схема замещения содержит три элемента, и четырехполюсник характеризуется тоже тремя параметрами (связь между A,B,C,D задана уравнением
AD –BC = 1 ). Приведем основные формулы: ( для рис. а слева, для рис. б справа. )
| A = 1 + ( Z1 / Z3 ) B = Z1 + Z2 + Z1Z2 / Z3 C = 1 / Z3 D = 1 + Z2 / Z3 | Z3 = 1 / C Z1 = ( A – 1 ) / C Z2 = ( D – 1 ) / C | и | A = 1 + ( Z4 / Z5 ) B = Z4 C = ( Z4 + Z5 + Z6 ) / Z5Z6 D = Z4 / Z5 + 1 | Z4 = B Z5 = B / ( D – 1 ) Z6 = D / ( A – 1 ) |
-
Определение коэффициентов одной формы через коэффициенты другой формы.
При переходе от донной формы записи к другой требуется находить коэффициенты одной формы записи через коэффициенты другой формы, для этого необходимо выразить какие-либо две одинаковые величины в этих двух формах и сопоставить их, учтя направления токов I1* и I2* в них.
| Для А –формы: | U1* = I1*A / C – I2*/ C | Для Z –формы: | U1* = I1*Z11 + I2*Z12 | |
| U2* = I1*/ C – I2* D / C | U2* = I1*Z21 + I2*Z22 |
В итоге получаем у ниверсальную таблицу переходов:
| Z | Z11 = A / C | Z12 = 1 / C | Z21 = 1 / C | Z22 = D / C |
| Y | Y11 = D / B | Y12 = -1 / B | Y21 = -1 / B | Y22 = A / B |
| H | H11 = B / D | H12 = 1 / D | H21 = -1 / D | H22 = C / D |
| G | G11 = C / A | G12 = -1 / A | G21 = 1 / A | G22 = B / A |
| B | B11 = D | B12 = B | B21 = C | B22 = A |
Пример. Определить Y-параметры четырехполюсника через Z -параметры. Решение. Решим уравнения для Z –формы относительно I1* и I2* сопоставим полученные уравнения с уравнениями для Y -формы. В результате получим:
Y11 = Z22 / ∆Z , Y22 = Z11 / ∆Z , Y12 = Y21 = -Z12 / ∆Z , где ∆Z = Z11Z22 – Z122.
Для Т –схемы: ∆Z = ( Z1 + Z3 )*( Z2 + Z3 ) – Z32 = Z1Z2 + Z1Z3 + Z2Z3 , тогда
Y11 = ( Z2 + Z3 ) / ∆Z ; Y22 = ( Z1 + Z3 ) / ∆Z , Y12 = -Z3 / ∆Z .
-
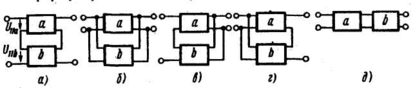
Соединение четырехполюсников.
При нахождении связи между входными и выходными величин нами различным образом соединенных четырехполюсников (при определении коэффициентов эквивалентного четырехполюсника) используют Z-, Н-, G-, Y- и А-формы
последовательном соединении
четырехполюсников а и b (рис. а)
применяют Z-форму, при
параллельно-параллельном соединении
(рис. б ) — Y-форму, при последовательно-параллельном (рис. в) — H-форму, при параллельно-последователыюм (рис. г) — G-форму, при каскадном (рис.д)— A-форму.
Форму записи уравнений выбирают, исходя из удобств получения матрицы составного четырехполюсника. Так, Z-матрица последовательно-последовательно соединенных четырехполюсников равна сумме Z-матриц этих четырехполюсников, так как напряжение на входе (выходе) эквивалентного четырехполюсника равно сумме напряжений на входе (выходе) составляющих его четырехполюсников, а токи соответственно на входе(выходе) у последовательно-последовательно соединенных четырехполюсников одинаковы. Y-матрица параллельно-параллельно соединенных четырехполюсников равна сумме их Y-матриц, так как ток на входе (выходе)эквивалентного четырехполюсника равен сумме токов на входе (выходе) параллельно-параллельно соединенных четырехполюсников, а напряжения на входе (выходе) у них одинаковы. Аналогично и в отношении H-матрицы при последовательно-параллелыюм и G-матрицы при параллельно-последовательном соединениях четырехполюсников. При каскадном соединении ток и напряжение на входе первого четырехполюсника равны входным току и напряжению второго четырехполюсника, поэтому А-матрица двух каскадно соединенных четырехполюсников а и b равна произведению A-матриц этих четырехполюсников.
-
Условие регулярности.
При параллельно-параллельном, последовательно-последовательном, параллельно-последовательном и последовательно-параллельном соединениях необходимо соблюдать условие регулярности соединения четырехполюсников — через оба первичных зажима каждого четырехполюсника должны течь равные но значению и противоположные по направлению токи; то же и по отношению к вторичным зажимам каждого четырехполюсника. При регулярном соединении матрица каждого четырехполюсника должна оставаться такой же, какой она была до соединения четырехполюсников.
Пример нарушения условия регулярности
при последовательно-последовательном
соединении показан на рис. а. Так соединять
четырехполюсники 1 и 2 нельзя, поскольку
входные зажимы второго четырехполюсника
оказались накоротко соединенными с его
выходными зажимами. Регулярное
соединение тех же четырехполюсников
показано на рис. б — перекрещены обе пары концов второго четырехполюсника (при перекрещивании обеих пар концов все элементы любой матрицы остаются неизменными).
-
Характеристические и повторные сопротивление четырехполюсника.
















