Бланк Л_Р (333) (1021966)
Текст из файла
ЖУРНАЛ
ЛАБОРАТОРНЫХ РАБОТ ПО
ЭЛЕКТРОТЕХНИКЕ
(работы №№ 1, 2, 3, 4, 6, 7)
Лаборатория №333
Студент _______________________
Группа ____________
Курс ______
Выполнено _______________ Сдано _______________
ЛАБОРАТОРНАЯ РАБОТА №1
ИССЛЕДОВАНИЕ ЛИНЕЙНОЙ ЦЕПИ ПОСТОЯННОГО ТОКА
Измерительные приборы
Таблица 1.1.
| Наименование прибора | Предел измерения | Цена деления |
ОПЫТ 1
Исследование последовательного соединения резисторов
Электрическая схема опыта
Экспериментальные данные
Таблица 1.2.
| Опыт | Расчет | ||||||||||||
| I, | U, | U1, B | U2, B | U3, B | P, | R1, Oм | R2, Oм | R3, Oм | Rэк, Oм | Р1, Вт | Р2, Вт | Р3, Вт | Р, |
Расчетные формулы:
ОПЫТ 2
Исследование параллельного соединения резисторов
Электрическая схема опыта
Экспериментальные данные
Таблица 1.3.
| Опыт | Расчет | |||||||||||
| U, | I, | I1, | I2, | I3, | G1, | G2, | G3, | Gэк, | Р1, | Р2, | Р3, | Р, |
Расчетные формулы:
ОПЫТ 3
Снятие вольт-амперных характеристик ламп накаливания и оценка класса точности приборов
Электрическая схема опыта
Экспериментальные данные
Таблица 1.4.
| U, В | 50 | 100 | 150 | 200 | 50 | 100 | 150 | 200 |
| I, А | ||||||||
| R, Ом |
Эталонная вольт-амперная характеристика лампы накаливания
График зависимости U=f(I)
Выводы по работе: _______________________________________________________
________________________________________________________________________
________________________________________________________________________
Выполнено _______________ Сдано _______________
ЛАБОРАТОРНАЯ РАБОТА №2
ИССЛЕДОВАНИЕ НЕРАЗВЕТВЛЕННОЙ ЦЕПИ ОДНОФАЗНОГО СИНУСОИДАЛЬНОГО ТОКА ПРИ ПОСЛЕДОВАТЕЛЬНОМ СОЕДИНЕНИИ ЭЛЕМЕНТОВ R, L И C
Электрическая схема опыта
Результаты измерений и вычислений
Таблица 2.1.
| № пп. | С, | Измерено | Вычислено | |||||||
| U, В | I, А | P, Вт | UK, В | UC, В | Z, Ом | XC, Ом | cos | | ||
| 1. | ||||||||||
| 2. | ||||||||||
| 3. | ||||||||||
| 4. | ||||||||||
| 5. | ||||||||||
Расчетные формулы
По результатам измерений для режима, близкого к резонансному,
рассчитать параметры ветви с катушкой:
Таблица 2.2.
| ZK, Ом | RK, Ом | XK, Ом | LK, Гн | cos K | K |
Расчетные формулы
Построить по результатам опытов графики зависимомтей I, UL, UC, cos от
изменения емкости С.
Построить векторные диаграммы.
Выводы по работе: ____________________________________________________
____________________________________________________________________
____________________________________________________________________
Выполнено _______________ Сдано _______________
ЛАБОРАТОРНАЯ РАБОТА №3
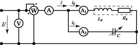
ИССЛЕДОВАНИЕ РАЗВЕТВЛЕННОЙ ЦЕПИ ОДНОФАЗНОГО СИНУСОИДАЛЬНОГО ТОКА ПРИ ПАРАЛЛЕЛЬНОМ СОЕДИНЕНИИ ВЕТВЕЙ С ЭЛЕМЕНТАМИ R, L И C
Электрическая схема опыта
Результаты измерений и вычислений
Таблица 3.1.
| № пп. | С, | Измерено | Вычислено | |||||||
| U, В | I, А | P, Вт | IK, А | IC, А | Y, См | ВС, См | cos | | ||
| 1. | ||||||||||
| 2. | ||||||||||
| 3. | ||||||||||
| 4. | ||||||||||
| 5. | ||||||||||
По результатам измерений для режима, близкого к резонансному,
рассчитать параметры ветви с катушкой:
Таблица 3.2.
| YK, См | GK, См | BK, См | RK, Ом | cos K | K |
Расчетные формулы:
Графики зависимости I, Iк, Ic, cos от емкости C
Векторные диаграммы.
Выводы по работе: _______________________________________________________
________________________________________________________________________
________________________________________________________________________
Выполнено _______________ Сдано _______________
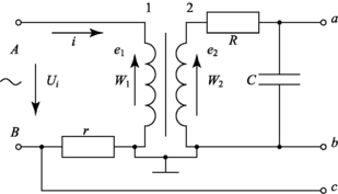
ЛАБОРАТОРНАЯ РАБОТА №4
свойства магнитных цепей электротехнических устройств
Электрическая схема опыта
| W1 – исследуемая катушка с магнитопроводом; W2 – вспомогательная обмотка; RC – интегрирующая цепь; r – малое сопротивление. |
Порядок построения
Снять с помощью осциллографа кривые
и
.
Определить угол сдвига фаз δ между i и Ф (δ – угол магнитного запаздывания)
________________________________________________________________ t
Снять с помощью осциллографа петлю гистерезиса и в соответствии с приведенным выше порядком построения построить кривую
, кривую
и определить δ.
Выполнено _______________ Сдано _______________
ЛАБОРАТОРНАЯ РАБОТА №6
Испытание однофазного трансформатора
Паспортные данные трансформатора:
SH=250ВА, U1H=220В, U2H=24В, f=50Гц, I1H=1,15А, I2H=10А
Опыт №1 «Холостой ход»
Электрическая схема опыта
Таблица 6.1.
| Измеренные величины | Вычисленные величины | ||||||
| U10=Uн,В | I10, А | P0, Вт | U20, В | К | Z12, Ом | R12, Ом | X12, Ом |
Опыт №2 «Короткое замыкание»
Электрическая схема опыта
Таблица 6.2.
| Измеренные величины | Вычисленные величины | ||||||||
| U1K, В | I1=I1н, А | Pк, Вт | I2=I2н, А | Zк, Ом | RК, Ом | XK, Ом | UK, % | UKА, % | UKP, % |
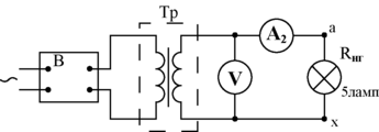
Опыт №3 «Испытание трансформатора под нагрузкой»
Электрическая схема опыта
Таблица 6.3.
| № | Измеренные величины | Вычисленные величины | |||||
| U1, В | I1, А | P1, Вт | U2, В | I2, А | P2, Вт | η, % | |
| 1 | |||||||
| 2 | |||||||
| 3 | |||||||
| 4 | |||||||
| 5 | |||||||
Выводы по работе: _______________________________________________________
Характеристики
Тип файла документ
Документы такого типа открываются такими программами, как Microsoft Office Word на компьютерах Windows, Apple Pages на компьютерах Mac, Open Office - бесплатная альтернатива на различных платформах, в том числе Linux. Наиболее простым и современным решением будут Google документы, так как открываются онлайн без скачивания прямо в браузере на любой платформе. Существуют российские качественные аналоги, например от Яндекса.
Будьте внимательны на мобильных устройствах, так как там используются упрощённый функционал даже в официальном приложении от Microsoft, поэтому для просмотра скачивайте PDF-версию. А если нужно редактировать файл, то используйте оригинальный файл.
Файлы такого типа обычно разбиты на страницы, а текст может быть форматированным (жирный, курсив, выбор шрифта, таблицы и т.п.), а также в него можно добавлять изображения. Формат идеально подходит для рефератов, докладов и РПЗ курсовых проектов, которые необходимо распечатать. Кстати перед печатью также сохраняйте файл в PDF, так как принтер может начудить со шрифтами.
















