ЛБ-ПР05(ТР,Оп) (1021964)
Текст из файла
ЛАБОРАТОРНО-ПРАКТИЧЕСКАЯ РАБОТА №5
«Исследование однофазных трансформаторов»
1. Цель работы:
1. Ознакомление с методикой построения схем и моделирования работы устройств в компьютерной лаборатории электротехники и электроники.
2. Исследование работы однофазного трансформатора.
2. Краткие теоретические сведения.
2.1. Принцип действия.
Трансформатором называется электромагнитный аппарат который предназначен для преобразования электрической энергии переменного тока одного напряжения в электрическую энергию переменного тока другого напряжения без изменения частоты.
Трансформатор состоит из замкнутого магнитного сердечника и по крайней мере из двух изолированных обмоток (Рис.1):
-одна соединенная с источником электрической энергии, называемая первичная (число витков N1);
-другая соединенная с нагрузкой и называемая вторичная (число витков N2).
Рис.1
На этом рисунке обозначены следующие величины:
Первичные Вторичные
Для изучения принципа действия трансформатора представим себе идеальный трансформатор - трансформатор у которого активные сопротивления обмоток равны нулю, магнитный поток рассеяния отсутствует и идеальный магнитный сердечник, без потерь.
В этом случае можно представить принцип действия трансформатора как логическая последовательность действий и явлений:
1) Напряжение
приложено к первичной обмотке. Если выключатель В1 замкнут, то по цепи течет ток
.
2) Намагничивающая сила
создает рабочий магнитный поток
.
3) Этот поток индуцирует в первичной и во вторичной обмотках э.д.с.
и
. В результате на выходе трансформатора возникает вторичное напряжение
.
4) Когда выключатель В2 замкнут по вторичной цепи течет ток
и намагничивающая сила
размагничивает трансформатор. Как следствие уменьшается магнитный поток
и э.д.с.
и
. Однако приложенное напряжение
остается постоянным и тогда ток
увеличивается, заставляя возрастать магнитный поток
до его первоначального значения.
Вывод:
Рабочий магнитный поток трансформатора
остается постоянным, независимым от характера и величины нагрузки.
2.2. Коэффициент трансформации.
Отношение
к
называется коэффициентом трансформации:
Для идеального трансформатора имеем
Выведем формулу отношения первичного и вторичного токов, используя формулы для активной мощности
Пренебрегая потерями в трансформаторе и считая, что
, получим
,
Когда напряжение
уменьшается к k раз, ток
увеличивается в k раз и наоборот.
Если k>1, получаем понижающий трансформатор.
Если k<1, получаем повышающий трансформатор.
Если k=1, получаем разделительный трансформатор.
2.3. Основные уравнения трансформатора и схема замещения.
Согласно II закону Кирхгофа и схеме реального трансформатора (Рис.6.1) получим уравнения электрического состояния первичной и вторичной обмоток:
Уравнение магнитного состояния показывает, что намагничивающие силы без нагрузки и с нагрузкой одинаковы:
Окончательно в комплексном виде получим три основных уравнения трансформатора со вторичными параметрами приведенными к первичным:
Согласно основным уравнениям возможно смоделировать полную эквивалентную схему трансформатора ( Т- образная схема, Рис.2).
Рис.2
Для определения параметров трансформатора и его схемы замещения используются два опыта: опыт холостого хода и опыт короткого замыкания.
2.4. Опыт холостого хода трансформатора (Рис.3).
Рис.3
Описание опыта холостого хода:
Для проведения этого опыта прикладываем к первичной обмотке номинальное напряжение
и измеряем потребляемую мощность
, ток холостого хода
и вторичное напряжение
. В этом случае вторичный ток
равен нулю, ток
соответствует току намагничивания, достигающему 4-10% от номинального значения
, и мощность
соответствует потерям холостого хода.
Чтобы определить коэффициент трансформации используем известную формулу:
Так как приложенное напряжение равно номинальному
, а ток
величина не значительная по сравнению с номинальной, то можно рассматривать мощность
как потери в стали сердечника (магнитные потери).
Зная измеренные величины, можно рассчитать параметры схемы замещения: - коэффициент мощности
;
- полное сопротивление холостого хода
;
- активное сопротивление холостого хода
;
- реактивное сопротивление холостого хода
.
2.5. Опыт короткого замыкания (Рис.4).
В этом опыте увеличиваем первичное напряжение
до тех пор, как первичный ток станет равным номинальному
.
Вторичный ток также равен номинальному
, а мощность
соответствует потерям в меди обмоток (электрические потери).
Легко определяем коэффициент трансформации:
.
Рис.4
Исходя из измеренных величин, рассчитаем параметры схемы замещения: - коэффициент мощности
;
- полное сопротивление короткого замыкания
;
- активное сопротивление короткого замыкания равно сумме сопротивлений двух обмоток
;
-реактивное сопротивление короткого замыкания равно сумме реактивных сопротивлений двух обмоток
.
2.6. Нагрузка трансформатора (Рис.5).
При нагрузке можно определить изменение вторичного напряжения и коэффициент полезного действия трансформатора.
Рис.5
Изменение вторичного напряжения и внешняя характеристика
Разность
, выраженная в процентах к напряжению
называется
изменением вторичного напряжения
Внешняя характеристика трансформатора - это зависимость вторичного напряжения от нагрузки (Рис.6)
с учётом коэффициента мощности.
U2
U20 cos2 =1
cos2 = 0.8
1.0 2.0 3.0
Рис.6
Коэффициент полезного действия
Трансформатор - это электрическая машина с очень высоким к.п.д., порядка 90%.
Как известно к.п.д. определяется отношением полезной мощности к мощности потребляемой, т.е. вторичной к первичной. Выражение для к.п.д. в процентах может быть представлено как
Выразим магнитные и электрические потери через параметры холостого хода и короткого замыкания
подставим значение коэффициента нагрузки и получим окончательную формулу для к.п.д.
Из этой формулы видно, что к.п.д. растет до определенного значения, а потом падает, т.е. имеет место максимальное значение при оптимальном значении коэффициента нагрузки
Кривая на графике (Рис.7) представляет зависимость к.п.д. от нагрузки.
Рис.7
-
Порядок выполнения работы.
3.1 Моделирование схемы опыта холостого хода трансформатора.
Рис.8
3.2 Опыт№1.
Параметры опыта холостого хода.
(смотрите методику измерения параметров).
-
Моделирование схемы опыта короткого замыкания трансформатора.
Рис.9
3.4 Опыт№2.
Параметры опыта короткого замыкания.
(смотрите методику измерения параметров).
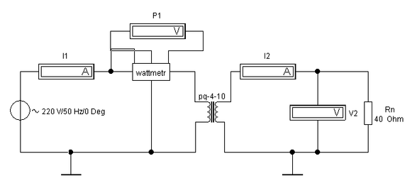
3.5 Моделирование схемы опыта нагрузки трансформатора.
Рис.10
3.6 Опыт№3.
Параметры опыта нагрузки.
(смотрите методику измерения параметров).
3.7 Построение внешней характеристики трансформатора U2 = f(I2)
и коэффициента полезного действия %) = f(I2).
4. Методики проведения опытов.
-
Методика проведения опыта холостого хода трансформатора.
Для измерения параметров холостого хода трансформатора необходимо установить номинальное напряжение питания U1н=220В в диалоговом окне источника питания, которое открываем при помощи правой кнопки мыши.
Нажав в правом верхнем углу клавишу
, получаем показания приборов и записываем в соответствующую таблицу.
| | |
| U1н, B I1х, A Pх, Вт Uх, B | K Zх, Ом Rх, Ом Xх, Ом |
Расчет параметров проводится по известным формулам
-
Методика проведения опыта короткого замыкания трансформатора.
Для измерения параметров короткого замыкания трансформатора необходимо установить напряжение питания при котором ток в первичной и вторичной обмотках трансформатора был бы номинальным, примерно U1к=25В с помощью диалогового окна источника питания, которое открываем при помощи правой кнопки мыши.
Нажав в правом верхнем углу клавишу
, получаем показания приборов и записываем в соответствующую таблицу.
| ИЗМЕРЕНИЕ | РАСЧЕТ |
|
U1К, B I1Н, A PК, Вт I2Н, A |
K ZК, Ом RК, Ом XК, Ом |
Расчет параметров проводится по известным формулам
4.3 Методика проведения опыта нагрузки трансформатора.
Характеристики
Тип файла документ
Документы такого типа открываются такими программами, как Microsoft Office Word на компьютерах Windows, Apple Pages на компьютерах Mac, Open Office - бесплатная альтернатива на различных платформах, в том числе Linux. Наиболее простым и современным решением будут Google документы, так как открываются онлайн без скачивания прямо в браузере на любой платформе. Существуют российские качественные аналоги, например от Яндекса.
Будьте внимательны на мобильных устройствах, так как там используются упрощённый функционал даже в официальном приложении от Microsoft, поэтому для просмотра скачивайте PDF-версию. А если нужно редактировать файл, то используйте оригинальный файл.
Файлы такого типа обычно разбиты на страницы, а текст может быть форматированным (жирный, курсив, выбор шрифта, таблицы и т.п.), а также в него можно добавлять изображения. Формат идеально подходит для рефератов, докладов и РПЗ курсовых проектов, которые необходимо распечатать. Кстати перед печатью также сохраняйте файл в PDF, так как принтер может начудить со шрифтами.
















