ЛБ-ПР02(ПерТ,Бл) (1021961)
Текст из файла
ЛАБОРАТОРНО-ПРАКТИЧЕСКАЯ РАБОТА №2
«Исследование электрических цепей однофазного переменного тока»
Опыт №1
Электрическая цепь переменного тока при последовательном соединении элементов RLC.
Схема включения
Расчетные формулы:
Таблица №1
| C (Ф) | |||||||||||||
| I (A) | |||||||||||||
| UС (B) | |||||||||||||
| UL (B) | |||||||||||||
| P (Вт) | |||||||||||||
| cos | |||||||||||||
Графики зависимостей I=f(C), UL=f(C), UC=f(C), cos f(C).
U(B), I(A), cos
120,0 1,20
100,0 1,0
80,0 0,8
60,0 0,6
40,0 0,4
20,0 0,2
0
10,0 20,0 30,0 40,0 50,0 60,0
С (мкФ)
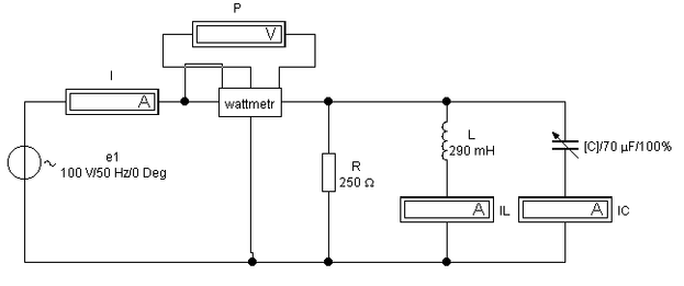
Опыт №2
Электрическая цепь переменного тока при параллельном соединении элементов RLC.
Схема включения
Расчетные формулы:
Таблица №2
| C (Ф) | |||||||||||||
| I (A) | |||||||||||||
| IС (A) | |||||||||||||
| IL (A) | |||||||||||||
| P (Вт) | |||||||||||||
| cos | |||||||||||||
Графики зависимостей I=f(C), IL=f(C), IC=f(C), cos f(C).
I(A), cos
1,0
2,0 0,8
1,5 0,6
1,0 0,4
0,5 0,2
0
10,0 20,0 30,0 40,0 50,0 60,0
С (мкФ)
Характеристики
Тип файла документ
Документы такого типа открываются такими программами, как Microsoft Office Word на компьютерах Windows, Apple Pages на компьютерах Mac, Open Office - бесплатная альтернатива на различных платформах, в том числе Linux. Наиболее простым и современным решением будут Google документы, так как открываются онлайн без скачивания прямо в браузере на любой платформе. Существуют российские качественные аналоги, например от Яндекса.
Будьте внимательны на мобильных устройствах, так как там используются упрощённый функционал даже в официальном приложении от Microsoft, поэтому для просмотра скачивайте PDF-версию. А если нужно редактировать файл, то используйте оригинальный файл.
Файлы такого типа обычно разбиты на страницы, а текст может быть форматированным (жирный, курсив, выбор шрифта, таблицы и т.п.), а также в него можно добавлять изображения. Формат идеально подходит для рефератов, докладов и РПЗ курсовых проектов, которые необходимо распечатать. Кстати перед печатью также сохраняйте файл в PDF, так как принтер может начудить со шрифтами.
















