Измерители скорости Примеры расчета (1014414)
Текст из файла
МОСКОВСКИЙ АВИАЦИОННЫЙ ИНСТИТУТ
КАФЕДРА 401
А.А СОСНОВСКИЙ
РАДИОЛОКАЦИОННЫЕ И РАДИОНАВИГАЦИОННЫЕ
ИЗМЕРИТЕЛИ СКОРОСТИ
Примеры выполнения заданий
Учебное пособие к курсовому проектированию
ОГЛАВЛЕНИЕ
1. 1. КАНАЛ ИЗМЕРЕНИЯ СКОРОСТИ БОРТОВОГО РАДИОЛОКАТОРА 2
1.1. Структурные схемы. 4
1.2. Параметры антенной системы. 6
1.3. Параметры сигналов и помех. 6
1.4. Параметры устройств обработки сигналов. 7
1.5. Погрешности следящего измерителя частоты 7
1.6. Энергетические параметры 10
1.7. Вспомогательные параметры. 11
1.8. Технические требования к радиолокатору 12
1.9. Технические требования к элементам радиолокатора 12
2. АКТИВНЫЙ ИЗМЕРИТЕЛЬ СКОРОСТИ 14
2.1. Структурные схемы 15
2.2. Параметры антенной системы НРЛ 17
2.3. Параметры сигналов 17
2.4. Параметры устройств обработки сигналов 17
2.5. Погрешности следящего измерителя частоты 18
2.6. Энергетические параметры 20
2.7. Вспомогательные параметры 20
2.8. Технические требования к радиолокатору 20
2.9. Технические требования к элементам радиолокатора 21
3. САМОЛЕТНЫЙ ДОПЛЕРОВСКИЙ ИЗМЕРИТЕЛЬ СКОРОСТИ 22
3.1. Структура ДИС 25
3.2. Параметры полета и отражающей поверхности 26
3.3. Параметры антенной системы 28
3.4. Параметры преобразованного сигнала 30
3.5. Параметры фильтров 31
3.6. Погрешности ДИС и ССП 31
3.7. Энергетические параметры 32
3.8. Вспомогательные параметры 32
3.9. Технические требования к ДИС 32
3.10. Технические требования к элементам ДИС 32
4. ЛИТЕРАТУРА 33
1.1. КАНАЛ ИЗМЕРЕНИЯ СКОРОСТИ БОРТОВОГО РАДИОЛОКАТОРА
Задание на проектирование
Разработать канал измерения скорости, входящий в состав самолетного радиолокатора (РЛ). Самолет предназначен для атаки цели, совершающей маловысотный (МВП)или крейсерский (при отсутствии режима МВП) полет. Атака выполняется на встречном курсе при скорости самолета V и высоте его полета Н. Пуск ракет производится на дальности Rп до цели. Разрешающая способность РЛ по дальности
, a по углу
, где
- ширина ДН круглой ФАР диаметром
.
Минимальная суммарная погрешность измерения
на дальности Rmах при ЭПР цели So и наличии на трассе распространения радиоволн зоны протяженностью Rос, интенсивность осадков в которой Q. Информация о скорости выделяется из доплеровского сдвига несущей частоты отраженного импульсного сигнала.
Считать, что значение
достигается при оптимизации измерителя для дальности Rmах , при потерях в трактах РЛ Ln и коэффициенте шума приемника, равном 5.Значения КПД составляют: антенны-0,78; фидерных трактов - 0,9; обтекателя (в одном направлении) - 0,7. Полоса пропускания УПФ перед частотным дискриминатором I кГц.
1. Составить и описать структурную схему РЛ с указанием номиналов частот всех сигналов.
2. Определить параметры антенны ; зондирующего и отраженного сигналов ; трактов формирования и обработки сигналов ; выдаваемого
измерителем двоично-десятичного кода скорости, а также мощность передатчика.
3. Выбрать дальность Rо, для которой производится оптимизация измерителя скорости, используя оценки суммарной погрешности
при R0=Rmax и R0=Rп. Построить зависимость суммарной погрешности от R/Rmax.
4. Разработать технические требования к основным элементам РЛ, достаточные для дальнейшего проектирования. Учесть, что все частоты в РЛ Формируются с помощью когерентного генератора с частотой f кг — 60 МГц, входящего в синтезатор частот. Указать допустимую нестабильность частоты f кг.
Исходные данные:
| V км/ч | H км | Rmax км | Rn км | км | град | da м | So м2 | м/c | Roc Км | Q мм/ч | Lп дБ |
| 1440 | 5 | 30 | 15 | 120 | 1,5 | 0,47 | 5 | 0,7 | 5 | 1 | 15 |
Предполагается, что целью является штурмовик, совершающий маловысотный полет, параметры которого имеют следующие значения: высота полета
= 100 м.; скорость полета
= 720 км/ч ;
ускорение а = 8 м/
; производная от ускорения J = 3 м/
.
Тактическая ситуация
Рис 1.1
Радиолокатор (РЛ) самолета-истребителя предназначен для поиска, обнаружения и определения угловых координат, дальности и скорости целей, находящихся в заданной области пространства (зоне обзора), имеющей вид, показанный на рис. 1.1. Сначала поиск ведется в наиболее опасной ближней зоне БЗ, включающей дальности от
до R*= 0,7
, на которой выполняется условие однозначного измерения дальности импульсным методом. Если цель на дальностях
не обнаружена, то РЛ переходит в режим обзора дальней зоны ДЗ. При этом используется высокая частота повторения импульсов и уменьшаются угловые размеры зоны обзора
и
, что способствует увеличению дальности обнаружения цели при сохранении того же значения времени обзора (несколько секунд). При наблюдении целина фоне земной поверхности и использовании ракетного вооружения высокая частота повторения импульсов сохраняется и в ближайшей зоне для облегчения выделения отраженного от цели сигнала.
Тактическая ситуация, соответствующая исходным данным на проектирование, предполагает решение частной задачи, когда атака цели производится на встречном курсе и истребитель сближается с целью, находящейся впереди и летящей на ему встречу. Радиолокатор должен рассчитываться на перехват цели в наиболее неблагоприятных условиях, когда истребитель находится выше цели, совершающей маловысотный полет, и РЛ наблюдает ее на фоне земной поверхности. Подобная ситуация показана на рис. 1.2, а. На рис. 1.2,б изображен спектр помехи, создаваемой отражениями от земной поверхности при непрерывном и немодулированном сигнале, а на рис. 1.2.в- спектр такой помехи при импульсном сигнале и положение одной из спектральных составляющих отраженного от цели сигнала в свободной от помех частотной области.
Рис. 1.2
Информация о скорости тела заключена в доплеровском сдвиге частоты
отраженного от цели сигнала, значение которой зависит от угла визирования цели
. От
зависит и выбор частоты повторения импульсов зондирующего сигнала. Поэтому при рассмотрении тактической ситуации следует найти диапазон изменения угла
, а заодно и необходимый сектор обзора РЛ в вертикальной плоскости, используя соотношения:
Используя исходные данные имеем :
Тогда сектор обзора в вертикальной плоскости
.
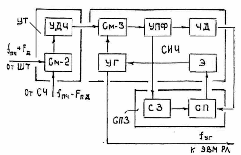
1.1.Структурные схемы.
Структурные схемы радиолокатора и входящего в него канала измерения скорости показаны на рис. 1.3 и рис. 1.4 соответственно.
Рис. 1.3
Рис. 1.4
На схемах приняты следующие условные обозначения:
СЧ – синтезатор частот ; УС – управляющий сигнал ;
-несущая частота ;
- промежуточная частота ;
- частота подставки ; Прд – передатчик ; ИД – измеритель дальности ; ПУТ – приемно-усилительный тракт ;
и
- суммарный и разностные сигналы ; ШТ – широкополосный тракт усиления ; УТ – узкополосный тракт ; ИЧ – измеритель частоты ;
- доплеровский сдвиг частоты ; УУДН – устройство управления диаграммой направленности ; ППП – переключатель прием – передача ; АС/ВТ – антенная система и волноводный тракт ; ФД – фазовый детектор углового дискриминатора; ОДЦ – обнаружитель движущихся целей ; СО – сигнал обнаружения цели ; ЭВМ РЛ – ЭВМ радиолокатора ; ПИ – потребитель информации, выдаваемой радиолокатором ; УДЧ – усилитель доплеровских частот ; См – смеситель ; УПФ – узкополосный фильтр ; ЧД – частотный дискриминатор ; СИЧ – следящий измеритель частоты ; УГ – управляемый генератор ; Э – экстраполятор ; СПЗ – схема поиска и захвата ; СЗ – схема захвата ; СП – схема поиска ;
- частота управляемого генератора .
Обоснование выбора приведенных схем и их описание дано в работе (1) (см. параграф 1.1 этой работы).
Расчет параметров канала измерения скорости и связанных с этим каналом узлов радиолокатора приведен в последующих разделах данного параграфа.
1.2.Параметры антенной системы.
ширина диаграммы направленности ФАР
(1.5).
коэффициент усиления ФАР
(1.6).
Активная площадь ФАР
[(1.7) и (1.8)].
1.3.Параметры сигналов и помех.
Расчет выполняется для граничных углов визирования
и
. Индекс «1» при расчетном значении параметра соответствует углу
Характеристики
Тип файла документ
Документы такого типа открываются такими программами, как Microsoft Office Word на компьютерах Windows, Apple Pages на компьютерах Mac, Open Office - бесплатная альтернатива на различных платформах, в том числе Linux. Наиболее простым и современным решением будут Google документы, так как открываются онлайн без скачивания прямо в браузере на любой платформе. Существуют российские качественные аналоги, например от Яндекса.
Будьте внимательны на мобильных устройствах, так как там используются упрощённый функционал даже в официальном приложении от Microsoft, поэтому для просмотра скачивайте PDF-версию. А если нужно редактировать файл, то используйте оригинальный файл.
Файлы такого типа обычно разбиты на страницы, а текст может быть форматированным (жирный, курсив, выбор шрифта, таблицы и т.п.), а также в него можно добавлять изображения. Формат идеально подходит для рефератов, докладов и РПЗ курсовых проектов, которые необходимо распечатать. Кстати перед печатью также сохраняйте файл в PDF, так как принтер может начудить со шрифтами.
















