Измерители скорости Примеры расчета (1014414), страница 2
Текст из файла (страница 2)
1) Длина волны зондирующего сигнала
=0,008 м (1.8).
Примечание : При определении
следует учесть, что в рассматриваемом РЛ несущая частота
получается умножением в n раз ( n –целое число ) частоты когерентного генератора
=60 МГц. Поэтому полученное при расчете значение n = 627.25 следует округлить и принять n=627. Тогда
=37.62 ГГц, а
=7.9745
м. Для упрощения расчетов можно принять
=0.008 м.
2) Ширина спектра помехи, формируемой отражаемой площадкой, ограниченной основным лепестком диаграммы направленности антенны (ДНА)
= 0.2 кГц и
=0.4 кГц (1.10).
3) Доплеровский сдвиг частоты в направлении оси ДНА
=99 кГц и
Максимальная частота спектра помехи, вызываемой отражением сигнала отземной поверхности
=109 кГц и
=104 кГц (1.9).
Доплеровский сдвиг частоты отраженного от цели сигнала
=148 кГц и
=142 кГц (1.2).
Рекомендация: Результаты расчета зависящих от угла визирования
параметров целесообразно свести в таблицу:
6)Расчётное значение частоты повторения зондирующих импульсов
= 326 кГц (1.11,б).
7) Длительность зондирующих импульсов
=0,8 мкс (1.12).
8) Округленное значение скважности импульсов
=4 (1.13).
9) Период повторения зондирующих импульсов Тп=3.2 мкс (1.13).
10) Частота повторения импульсов Fп=312 кГц.
1.4.Параметры устройств обработки сигналов.
В данном разделе следует учитывать максимальное значение доплеровского сдвига частоты отраженного от цели сигнала
= = 150 кГц, соответствующий атаке цели, летящей на одной высоте с носителем РЛ (1.2) при
= 0.
1) Частота подставки
= 360 кГц (1.14).
Примечание: При определении
следует учесть, что эта частота получается путем дробного рационального преобразования частоты когерентного генератора
, т.е. при делении этой частоты в m раз и умножения в п раз, где m и n - целые числа:
=(m/n)
.
Полоса пропускания УПЧ
= 1,55 МГц (1,15).
Полоса пропускания УДЧ
= 312 кГц (I.I6).
Диапазон поиска по скорости (частоте)
= 47 кГц (I.I7).
Скорость поиска по скорости Vn.с =
Гц/с (I.I8).
Время поиска по скорости Tv = 47 мс (I.I9).
1.5.Погрешности следящего измерителя частоты
Расчет следует начинать с определения степени астатизма следящего измерителя частоты (СИЧ). В рассматриваемом случае считается, что цель способна совершать резкие маневры, сопровождающиеся изменением ускорения, т.е. J = da /dt=± 0. Поэтому следует выбрать СИЧ с астатизмом П порядка и использовать формулы , приведенные в нижней строке табл. 1.2 работы (1) .
Исходным является предположение, что минимальное значение суммарной погрешности
на дальности Rmax может быть достигнуто только при оптимизации СИЧ для дальности Ro = Rmax. Это предположение позволяет, используя (1.25) и (1.20) , найти (флуктуационную
и динамическую
) погрешности при дальности Rmax и произвести полный расчет погрешностей СИЧ.
Задача заключается в определении точности на всех дальностях от Rmin = 0.5сн до Rmax и выборе того варианта оптимизации СИЧ, при котором точность на дальности пуска оружия Rп (наиболее важной при атаке цели) будет максимальной. При этом допустимо некоторое снижение точности на Rmax по сравнению с заданным значением.
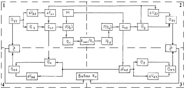
Рис. 1.5
Расчет выполняется в 4 этапа, в соответствии с номерами которых производится индексация погрешностей. Алгоритм расчета дан на рис. 1.5. Индексы при других параметрах соответствуют дальности оптимизации СИЧ: индекс «1» соответствует
км, а индекс «2» -
км.
На первом этапе расчета, исходя из сказанного выше, принимается
и рассчитываются параметры СИЧ на дальности
.
динамическая погрешность
= 0.313 м/с ((1.20) при
м/с и (1.26)).
Флуктуационная погрешность
м/с (1.25).
Полоса пропускания СИЧ
=1.55 Гц (табл.1.2 (1)).
Масштабный коэффициент М=0.004 (м/с)/Гц (1.23).
Эквивалентная спектральная плотность шума на выходе частотного дискриминатора
=0.1264 м/с
/Гц (формула для
из таблицы 1.2 (1)).
Отношение мощностей сигнала и шума на входе частотного дискриминатора
(1.24) и график
, приведенный на рис. 1.2 (1), при
(формула для G из таблицы 1.2(1)).
На втором этапе расчета определяется точность СИЧ, оптимизированного для дальности
, т.е. имеющего полосу пропускания
, на дальности
, для этого рассчитывается значение
=35.2 (1.26) и функция
=1.68 (1.24). на этом и следующих этапах используются указанные выше соотношения и формулы табл.1.2 из работы (1). Результаты расчета сведены в таблицу:
| N | R | |||||||
| 1 | 2,2 | 0,1264 | 1,55 | 0,626 | 0,313 | 0,7 | ||
| 2 | 35,2 | 0,0268 | 1,55 | 0,288 | 0,313 | 0,49 | ||
| 3 | 35,2 | 0,0268 | 2,11 | 0,337 | 0,168 | 0,38 | ||
| 4 | 2,2 | 0,1264 | 2,11 | 0,73 | 0,168 | 0,75 |
Сравнение результатов, полученных на этапах 2 и 3 расчета (вторая и третья строки таблицы), показывает, что большая точность на дальности
достигается, как и следовало ожидать, при оптимизации СИЧ для этой дальности. Следовательно, в проектируемом СИЧ следует предусмотреть полосу пропускания
Гц. Снижение точности примерно на 7% на дальности
можно считать допустимым.
Графики, иллюстрирующие зависимость суммарной погрешности от дальности при оптимизации СИЧ для дальностей R max и
, приведены на рис. 1.6. За R = 0 принята дальность Rmin = 0,5 c
. При построении графиков учтено, что при данной полосе пропускания СИЧ динамическая погрешность не зависит от дальности, а флуктуационная погрешность, как следует из расчетных соотношений, связана с флуктуационной погрешностью на максимальной дальности
формулой
Эта формула при
1 = 1,55 Гц;
=
=0,626 м/с и
= 7,9 позволяет определить флуктуационную погрешность
на дальности R по соотношению
а при F2 = 2,11 ;
=
= 0,73 м/с
Рис.1.6
Следует иметь ввиду, что соотношение (1.24) применимо при
q
80. Когда q > 100 для расчета F(q) можно использовать формулу
1.6.Энергетические параметры
I) Минимальная мощность принимаемого сигнала, при которой обеспечивается расчетная точность,
Вт (1.27).
2) Мощность передатчика при отсутствии потерь в атмосфере
Р10 = 70,44 Вт (1.29).
3) Потери в атмосфере определяются с учетом потерь из-за поглощения в кислороде (рис. 1.7,а) и в парах воды (рис. 1,7,б).
Рис.1.7
Значения коэффициентов поглощения для
= 0,008м составляют: для кислорода
1 = 0,06 дБ/км, а для паров воды
2 = 0,3 дБ/км. При этом общие потери составят:
4) Требуемая мощность передатчика
Вт
1.7.Вспомогательные параметры.
1) Допустимая нестабильность частоты при
м/с
(1.30). Это значение
необходимо обеспечить на интервале
м/с.
2)Цена младшего разряда двоично-десятичного кода при
м/с ■
V* = 0,133 , что дает при округлении
V =0,1 м/с (1.33).
3) Число декад кода
= 4 (1.34) при Vmах = 600 м/с и кодируемом числе 600,1.















