Измерители скорости Примеры расчета (1014414), страница 3
Текст из файла (страница 3)
4)Число разрядов кода
=16 (1.35).
5)Выбор промежуточной частоты
. Целесообразно принять
=
. Тогда частота гетеродина будет
= (
-1) = 3,756*
Гц или 37,56 ГГц (здесь коэффициент умножения
=627 был рассчитан в разделе 1.3 данного пособия).
В целях улучшения фильтрации сигнала можно построить широкополосный тракт усиления по схеме с двойным преобразованием частоты, выбрав первую промежуточную частоту порядка сотен мегагерц. Соответствующие значения частот гетеродинов и промежуточных частот рассчитываются так же, как и при однократном преобразовании частоты.
1.8.Технические требования к радиолокатору
Измеряемые величины: дальность, угловые координаты и скорость цели
Диапазон измерения;
дальности, км ......... …………………….. 0,12...30
азимута, градусы …………………………………..±60
угла. места, градусы ………………………………………. ±20
скорости, м/с …………………………………………..400...600
Допустимая средняя квадратичная погрешность:
по дальности, м …………………............................................. —
по азимуту, градус ……………………………………………—
по углу места, градус……………… …………………. –
по скорости, м/с…………………….. ………………………….0,75
Минимальное отношение мощностей сигнала и шума . ………..2,2
Минимальная мощность принимаемого сигнала Вт . …………4,5*
Разрешающая способность:
по дальности, м ...........................120
по угловым координатам, градус:………….. …………. 1,5
1.9.Технические требования к элементам радиолокатора
Антенная_система.
Рабочая, длина волны, м . ……………………………………………. 0,008
Тип антенны – круглая ФАР
Размеры, антенны, м ………………………………………. 0,4
Ширина диаграммы, направленности, градус:
в горизонтальной плоскости…………………………………………...1
в вертикальной, плоскости……………………………………………….….1
Сектор обзора, градус:
по азимуту ............................................120
по углу места ..........................................40
Скорость обзора, град/с:
по азимуту .....................................—
по углу места ........................................…….—
Коэффициент полезного действия ……………………..0.78
Коэффициент усиления ……………………………32000
Активная площадь,
………………………………..0,163
Передатчик
Рабочая длина волны, м ……………………….0,008
Вид модуляции…………………............импульсная
Параметры модулирующего сигнала:
период, с …………………………………………………………………..3,2*
длительность импульса, с …………………………….0,8*
скважность…………………………………………………….4
Мощность передатчика, Вт ….………….….332
Волноводный тракт
Коэффициент полезного действия …………………………0,9
Коэффициент развязки, дБ …………………………………
Приемно-усилительный тракт
Частота принимаемого сигнала, ГГц……………………………………….37,62
Коэффициент шум………………………………………………………………5
Допустимое ухудшение коэффициента шума …………………………….
Коэффициент потерь, дБ……………………………………………15
Частота настройки УПЧ, МГц………………………………………60
Полоса пропускания, МГц:
УПЧ…………………………………………………………………………1,55
усилитель доплеровских частот…..…………………………………….0,312
Частота подставки, МГц…………………………………………………0,36
Частота гетеродинов, МГц:
Гет-1……………………………………………………. 37,560
Гет-2 …………………………………………. 59,64
Следящий измеритель частоты
Частота настройки УПФ и дискриминатора, Гц . ……………………………
Полоса пропускания УПФ, кГц …………………………………….1
Степень астатизма ………………………….………………….......2
Полоса пропускания измерителя, Гц ………………………………2,11
Диапазон поиска, Гц………………………………………………….47
Время поиска, с ……………………………………………….0,048
Параметры кода скорости:
вид кода………………………………………………двоично-десятичный
цена младшего разряда, м/с……………………………………….…..0,1
число разрядов …………………………………………...16
Синтезатор частот
Частота когерентного генератора, МГц ……………………………60
допустимая относительная нестабильность частоты………..
на интервале времени, с ......... …………………………………
Номиналы выдаваемых синтезатором частот: 37,62 ГГц; 37,56 ГГц; 59,64 МГц ; 312 кГц.
2.АКТИВНЫЙ ИЗМЕРИТЕЛЬ СКОРОСТИ
Задание на проектирование
Разработать канал измерения скорости наземного радиолокатора (РЛ), используемого при испытаниях беспилотных ЛА (БПЛА), снабженных бортовыми ответчиками. БПЛА летит со скоростью V на высоте Н при максимальном ускорении а.
РЛ работает в непрерывном режиме, основан на фазовом методе измерения координат, имеет угловую разрешающую способность = , где - ширина ДН квадратной ФАР со стороной la . Зона обзора РЛ по углу места
. Минимальная суммарная погрешность измерения скорости
на дальности R max при наличии зоны протяженностью Rос = Rmax, интенсивность осадков в которой Q . Коэффициент преобразования частоты в ответчике Кп.ч= 16/15. . '
Считать, что значение
достигается при оптимизации измерителя для дальности Rmах, потерях в трактах РЛ LП.З, и коэффициенте шума приемника, равном 5. Принять, что дальности действия РЛ и ответчика одинаковы и равны Rmах , а мощность принимаемого ответчиком сигнала (с учетом потерь в ответчике) должна быть не менее
. Значения КПД составляют:
Антенны - 0,78, Фидерных трактов - 0,9 и обтекателя (в одном направлении) - 0,7. Полоса пропускания УПФ перед частотным дискриминатором 0,5 кГц.
Составить и описать структурную схему измерителя с указанием номиналов частот всех сигналов.
Определить для РЛ параметры антенны; зондирующего и принимаемого сигналов; трактов формирования и обработки сигналов.
Найти мощности передатчиков РЛ и ответчика.
Выбрать дальность
, для которой производится оптимизация измерителя скорости, используя оценки суммарной погрешности при R Q = Rmах и R Q = Rmin. Построить зависимость суммарной
погрешности от R / Ртах .
Разработать технические требования к основным элементам
РЛ, достаточные для дальнейшего проектирования. Учесть, что в РЛ
все частоты формируются с помощью когерентного генератора с часто
той fк.г =10 МГц, входящего в синтезатор частот. Указать допустимую относительную нестабильность частоты fк.г
Исходные данные
Тактическая ситуация.
Разрабатываемый измеритель скорости входит в состав радиолокационной системы с активным ответом, состоящей из наземного радиолокатора (НРЛ), выполняющего функцию запросчика, и ответчика, установленного на БПЛА. Радиолокатор должен измерять радиальную скорость, угловые координаты и дальность БПЛА. Предполагается, что угловые координаты и дальность измеряются фазовым методом.
Рис. 2.1
Соответствующая тактическая ситуация показана на рис. 2.1а, где буквой Ц обозначена цель (БПЛА). Из рисунка следует, что скорость цели V может иметь как положительный, так и отрицательный знак, а дальность цели лежит в пределах от R
= R mах , соответствующей углу визирования цели
, до R2 = Rmin , которая имеет место при
.
Угол визирования
= 2,29° (2.2).
Минимальная дальность R2 = Rmin = 1200 м (2.1).
Напоминаем, что расчетные формулы, указанные в скобках, берутся из работы [1] .
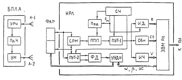
2.1.Структурные схемы
Структурные схемы НРЛ и входящего в него канала скорости показаны на рис. 2.2 и рис. 2.3 соответственно.
Рис. 2.2
Рис. 2.3
На схемах приняты следующие условные обозначения:
УРЧ- усилитель радиочастоты ; Пр.Ч - преобразователь частоты в КП.Ч = 16/15 раз ; A-I и А-2 - приемная и передающая антенны ответчика (БПЛА); ФАР- фазированная антенная решетка ; СРМ - суммарно-разностный мост, обеспечивающий получение суммарного и разностного сигналов (схема показана для случая пеленгации в одной плоскости) ; ППП - переключатель прием-передача ; Прд - передатчик ; ПУТ-1 - приемно-усилительный тракт суммарного сигнала ; ПУТ-2 - приемно-усилительный тракт угломерного канала; ФД - фазовый детектор ; УУДН - устройство управления диаграммой направленности; Обн - обнаружитель; ИД и ИЧ - измерители дальности и частоты; ЭВМ РЛ - ЭВМ радиолокатора; УС - управляющий положением диаграммы направленности антенны (ДНА) сигнал; См - смеситель; УПЧ - усилитель промежуточной частоты; УДЧ - усилитель доплеровских частот.
Считается, что в качестве зондирующего используется непрерывный амплитудно-модулированный сигнал, спектр которого показан на рис. 2.1,б. Информация о скорости цели извлекается из доплеровского сдвига частоты ответного сигнала, спектр которого дан на рис. 2.1,в. В качестве измерителя частоты используется следящий измеритель (СИЧ), подобный тому, схема которого показана на рис. 1.4.
Обоснование выбора приведенных схем и их описание дано в разделе 2.1 работы [l].
Расчет параметров канала измерения скорости и связанных с этим каналом узлов НРЛ приведен в последующих разделах данного параграфа.
2.2.Параметры антенной системы НРЛ
По заданию антенна НРЛ представляет собой квадратную ФАР. В целях пеленгации б двух плоскостях ФАР должна содержать четыре антенных модуля со своими фазовыми центрами ФЦ (рис. 2.4).
Рис. 2.4















