Измерители скорости Примеры расчета (1014414), страница 6
Текст из файла (страница 6)
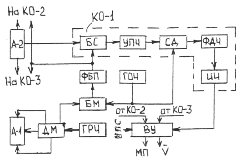
Рис. 3.3
Структурная схема выбранного варианта ДИС показана на рис.3.3, где приняты следующие условные обозначения: A-I и А-2 - передающая и приемная антенны ; K0-I...КО-3-каналы обработки принимаемых сигналов; БС - балансный смеситель ; УПЧ - усилитель промежуточной частоты ; СД - синхронный детектор ; ФДЧ - фильтр доплеровских частот ; ИЧ - измеритель частоты ; ФБП - фильтр, выделяющий боковую полосу модулированного сигнала ; ГОЧ - генератор опорной (промежуточной) частоты; БМ - балансный модулятор ; ДМ - делитель мощности; ГРЧ генератор радиочастоты ; УПС - сигналы, характеризующие угловые положения самолета (курс, крен, тангаж) ; ВУ - вычислительное устройство ; МП - место самолета.
Следует иметь в виду, что ДИС с непрерывным немодулированным зондирующим сигналом требует высокой степени подавления просачивающегося в приемный тракт сигнала передатчика (более чем в 107 раз). Поэтому, если расчетный коэффициент развязки оказывается меньше -80 дБ, необходимо либо уменьшить мощность ГРЧ, либо использовать ДИС с частотно-модулированным зондирующим сигналом.
В любом типе ДИС для измерения доплеровского сдвига частоты применяют следящие измерители, например, подобные показанному на рис. 1.4 данного пособия.
3.2.Параметры полета и отражающей поверхности
Параметры полета
Необходимые для дальнейших расчетов параметры полета сведены в таблицу, основанием для составления которой являются исходные данные к заданию на проектирование и рис. 3.1 данного пособия:
| Режим | | | | | |
| 1 | 250 | 27,8 | 277,8 | 222,2 | 6,34 |
| 2 | 200 | 27,8 | 227,8 | 172,2 | 7,91 |
| 3 | 200 | 13,9 | 213,9 | 186 | 3,97 |
| 4 | 77,8 | 13,9 | 91,7 | 63,9 | 10,12 |
В этой таблице нумерация режимов полета произведена в соответствии с таблицей, содержащейся в исходных данных. Здесь и в дальнейшем рекомендуется присваивать расчетным параметрам индекс «j», соответствующий тому режиму, для которого данный параметр вычислялся ( j = I, 2, 3 или 4).
Параметры отражающей поверхности
В этом разделе определяются удельная ЭПР поверхности Sу.п и коэффициент К см , характеризующий изменение Sу.п в пределах ширины ДНА. Оба параметра можно найти с помощью рис. 3.4 при В0- заданном значении установочного угла луча в вертикальной плоскости.
1) Удельная ЭПР Sу.п = - 32 дБ. Находится по графику функции Sу.п (Во), соответствующему уровню волнения моря lm = 1 балл при заданном установочном угле луча в вертикальной плоскости Во = 70° .
2) Производная
. Вычисляется как угол наклона касательной к графику Sу.п(BО) в точке BО = 70°.
3) Коэффициент KСM = 11,9 (3.8).
Рис. 3.4
3.3.Параметры антенной системы
В проектируемом ДИС целесообразно использовать широко применяемое X -образное расположение лучей антенной системы (АС). Все лучи как передающей, так и приемной антенны имеют одинаковый установочный угол BО, Установочные углы лучей в горизонтальной плоскости показаны на рис. 3.5.
Рис. 3.5
Обе антенны представляют собой одинаковые по размерам волноводно-щелевые фазированные антенные решетки с прямоугольной апертурой, размером
x × lz.
Рассчитываемые ниже угловые параметры АС показаны на рис. 3.6 на примере луча 1 (см.рис. 3.5).
Рис. 3.6
Предполагается, что самолет находится в точке 0, а OX и OZ - оси связанной с летательным аппаратом координатной системы. Проекция плоскости XOZ на земную поверхность обозначена через X'О'Z' , а отражающая площадка ОП условно показана в виде прямоугольника. Точка М этой площадки соответствует центру ДНА.
-
Установочные углы луча ДНА: Го = 25° (3.4) ;
=71,9° (3.5) и
о = 81,7° (3.5). -
Ширина ДНА в плоскости параллельной плоскости Х001, определяется из (3.7) по заданному значению
(3.35) и полученному выше коэффициенту Ксм. Расчет дает
= 2,54°. -
Ширина ДНА в плоскости, параллельной плоскости Z00' ,
= 5,08° (3.10). -
Ширина ДНА в плоскостях углов
и
определяются
с помощью (3.II) и составляют
=2,675° и
= 5,14°. -
Коэффициент усиления ФАР GA =2356 (3.12).
3.4.Параметры преобразованного сигнала
I) Экстремальные значения доплеровского сдвига несущей частоты отраженного сигнала [соотношение (3.14) при Vц =0 и Vг =
= Vrмin или Vr = Vrmax]
2)Ширина спектра доплеровского сигнала
F
,
F
и
Fд [соотношения (3.15) - (3.17) при
F
=
Fzy = 0].
Mx = 0,0228 ; Мz = 0,0489.
3) Масштабные коэффициенты
Рассчитываются по формулам табл. 3.2 работы[1] .
Эквивалентная спектральная плотность флуктуаций на выходе
частотного дискриминатора в крейсерском режиме полета
= 0,8 (м/с)2/Гц [(3.20) при
Fн = О,1Гц] .
Функция F ( q2) = 1,73 [(3.22) при
F фл= F д1 = 0,889 Гц]
Отношение мощностей сигнала и шума на входе частотного
дискриминатора в крейсерском режиме полета q2=31 [(3.23) и
рис. 1.5 работы [I]].
Отношение мощностей сигнала и шума на входе частотного
дискриминатора в максимальном режиме и режиме МВП определяется
с помощью (3.24). Затем находятся функции F ( qj ) для соответствующих режимов полета и эквивалентные спектральные плотности флуктуаций. При этом используются соотношения (3.23) и (3.22).
Результаты расчета шумовых параметров ДИС сведены в таблицу,где значения Gэx и Gэz даны в (м/с)
/Гц. В режиме МВП значение
>>80 и следует применить для расчета функции F(
)соотношение, приведенное на стр. Error: Reference source not found данного пособия.
3.5.Параметры фильтров
Частота настройки УПЧ fпч = 10 МГц.
Полоса пропускания.УПЧ
fупч= 19 кГц (3.25).
-
Полота пропускания фильтра доплеровских частот
Fфдч = 8 кГц.
Частота настройки узкополосного фильтра измерителя частоты
fупф = 500 кГц.
Полоса пропускания узкополосного фильтра
Fупф = 890 Гц (3.21).
3.6.Погрешности ДИС и ССП
Погрешности ДИС
Погрешности ДИС рассчитываются только для крейсерского (2-го) режима и режима маловысотного полета (3-й).
Флуктуационная погрешность, вызываемая шумом приемного
тракта((3.33) при
Fн = 0,1 Гц].
-
Флуктуационная методическая погрешность бмт [(3.34)
при
Fн = 0,1 Гц].
Погрешность смещения
VCM [(3.35) и (3.36) при
VУ = 0 и бy = 0].
4) Полная (суммарная) погрешность
[(3.29) и (3.28)].
Результаты расчета составляющих погрешностей по координатным осям X и Z сведены в таблицу, где все погрешности даны в м/с.
Погрешность системы счисления пути
Погрешности ССП рассчитываются для наихудшего случая полета при встречном ветре, когда скорость полета минимальна. Считается, что j-м режиме полета скорость полета и погрешность по скорости (
и
) являются постоянными.
















