rpd000009323 (1011428), страница 4
Текст из файла (страница 4)
7. Преобразование Лапласа, основные определения и терминология.
8. Оригиналы и изображения (по Лапласу) элементарных функций, примеры.
9. Свойство линейности преобразования Лапласа.
10. Дифференцирование оригинала и преобразование Лапласа.
11. Интегрирование оригинала и преобразование Лапласа.
12. Запаздывание и преобразование Лапласа.
13. Теорема о предельных значениях в преобразовании Лапласа.
14. Передаточная функция объекта регулирования в форме преобразования Лапласа.
15. Различия передаточных функций в операторной форме и в форме преобразования Лапласа.
16. Структурные схемы систем регулирования. Основные элементы (звенья, связи, сумматоры).
17. Структурные схемы систем регулирования. Сумматоры и их свойства.
18. Построение структурной схемы по дифференциальным уравнениям системы регулирования.
19. Суммирование сигналов нескольких звеньев в структурных схемах систем регулирования.
20. Последовательное соединение нескольких звеньев в структурных схемах систем регулирования.
21. Цепи с местной обратной связью в структурных схемах систем регулирования.
22. Перенос сумматоров в структурных схемах систем регулирования.
23. Перенос узлов в структурных схемах систем регулирования.
24. Замена звеньев прямой и обратной связи в структурных схемах систем регулирования.
25. Перенос узлов в структурных схемах систем регулирования.
26. Переход к единичной обратной связи в структурных схемах систем регулирования.
27. Преобразование структурной схемы системы регулирования с использованием правил преобразования на примере.
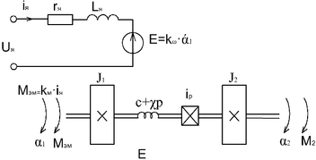
28. Составление дифференциальных уравнений объекта регулирования и представление их в операторной форме и в виде структурной схемы на примере двухмассовой системы с упругостью.
29. Типовые входные воздействия (единичные ступенчатое и импульсное). Временные характеристики звеньев.
30. Гармоническое входное воздействие. Понятие о частотных характеристиках. Определения и терминология. Частотные характеристики, их параметры и представление в графическом виде.
31. Изображение частотных характеристик на комплексной плоскости. Связь с передаточной функцией, основные соотношения.
32. Логарифмические частотные характеристики. Графическое представление, связь с передаточной функцией, основные соотношения.
33. Экспериментальное определение частотных характеристик. Схема и методика измерений.
34. Единичное ступенчатое воздействие. Понятие о переходной функции. Вид переходной функции и передаточная функция звена.
35. Единичное импульсное воздействие. Понятие о весовой функции. Вид весовой функции и передаточная функция звена.
36. Экспериментальное определение переходной и весовой функций.
37. Типовые звенья и их виды. Представление произвольной передаточной функции в виде совокупности типовых звеньев.
38. Корни передаточной функции и виды типовых звеньев.
39. Безинерционный усилитель. Уравнение, передаточная функция. Переходная и весовая функции. Частотная характеристика в аналитическом и графическом виде на комплексной плоскости. Логарифмическая амплитудная и фазовая частотные характеристики в аналитическом и графическом виде.
40. Апериодическое звено 1-го порядка. Уравнение, передаточная функция. Переходная и весовая функции. Частотная характеристика в аналитическом и графическом виде на комплексной плоскости. Логарифмическая амплитудная и фазовая частотные характеристики в аналитическом и графическом виде.
41. Интегрирующее звено. Уравнение, передаточная функция. Переходная и весовая функции. Частотная характеристика в аналитическом и графическом виде на комплексной плоскости. Логарифмическая амплитудная и фазовая частотные характеристики в аналитическом и графическом виде.
42. Дифференцирующее звено. Уравнение, передаточная функция. Переходная и весовая функции. Частотная характеристика в аналитическом и графическом виде на комплексной плоскости. Логарифмическая амплитудная и фазовая частотные характеристики в аналитическом и графическом виде.
43. Форсирующее звено 1-го порядка. Уравнение, передаточная функция. Переходная и весовая функции. Частотная характеристика в аналитическом и графическом виде на комплексной плоскости. Логарифмическая амплитудная и фазовая частотные характеристики в аналитическом и графическом виде.
44. Колебательное звено. Уравнение, передаточная функция. Переходная и весовая функции. Частотная характеристика в аналитическом и графическом виде на комплексной плоскости. Логарифмическая амплитудная и фазовая частотные характеристики в аналитическом и графическом виде.
45. Консервативное звено. Уравнение, передаточная функция. Переходная и весовая функции. Частотная характеристика в аналитическом и графическом виде на комплексной плоскости. Логарифмическая амплитудная и фазовая частотные характеристики в аналитическом и графическом виде.
46. Апериодическое звено 2-го порядка. Уравнение, передаточная функция. Переходная и весовая функции. Частотная характеристика в аналитическом и графическом виде на комплексной плоскости. Логарифмическая амплитудная и фазовая частотные характеристики в аналитическом и графическом виде.
47. Переходной и установившийся процессы в системах регулирования. Основные определения и параметры.
48. Переходной и установившийся процессы в системах регулирования. Связь параметров с составляющими решения дифференциального уравнения системы регулирования.
49. Построение логарифмических амплитудной и фазовой частотных характеристик сложных систем с использованием типовых звеньев. Правила суммирования амплитуд и фаз.
50. Понятие устойчивости систем регулирования. Устойчивые и неустойчивые системы и их механическая интерпретация.
51. Виды устойчивости систем регулирования (в малом, в большом, абсолютная)и их механическая интерпретация.
52. Понятие устойчивости систем регулирования по Ляпунову. Определения и графическая интерпретация.
53. Необходимое условие устойчивости линейной системы.
54. Понятие о критериях устойчивости. Виды критериев устойчивости (алгебраические, частотные).
55. Частотный критерий Найквиста для частотной характеристики на комплексной плоскости.
56. Частотный критерий Найквиста для логарифмических частотных характеристик.
Варианты курсовой работы ТАУ .doc
Блок №1 Основы теории автоматического управления
Курсовая работа (проект) №1 Курсовая работа
Трудоемкость (объем часов): 8
Тематика:
Часть 1. Составление дифференциальных уравнений и структурной схемы модели объекта.
Часть 2. Построение частотных характеристик.
Часть 1. Составление диф. уравнений и структурной схемы модели объекта.
Таблица 1 Для схем A…C Таблица 2 Для схем D,E
| № | Вход (X) | Выход (Y) |
| 1 | α1 | α2 |
| 2 | α1 | M2 |
| 3 | M1 | α2 |
| 4 | M1 | M2 |
| 5 | α1 | α2′ |
| 6 | α1 | α2″ |
| 7 | M2 | α1 |
| 8 | M2 | α1′ |
| Вход (X) | Выход (Y) | |
| 1 | Uя | α2′ |
| 2 | Uя | M2 |
| 3 | Uя | iя |
| 4 | M2 | iя |
| 5 | M2 | α1′ |
| 6 | M2 | α2′ |
| 7 | M2 | α1 |
| 8 | M2 | α2 |
Для заданного варианта задания:
-составить дифференциальные уравнения модели объекта в математической и операторной
формах (схемы A…E);
-представить модель объекта в виде структурной схемы;
-используя правила преобразования структурных схем, определить передаточную функцию (табл.1,2)
W(p) = Y(p)/ X(p)
Часть 2.Построение частотных характеристик.
Таблица 3. Передаточная функция разомкнутой системы
Таблица 4 Параметры разомкнутой системы
| Вариант | К | Т1 | T2 | |
| 1 | 10 | 0.1 | 0.01 | 0.4 |
| 2 | 30 | 0.4 | 0.04 | 0.4 |
| 3 | 50 | 0.6 | 0.06 | 0.4 |
| 4 | 80 | 0.8 | 0.08 | 0.6 |
| 5 | 100 | 1.0 | 0.1 | 0.6 |
| 6 | 10 | 2.0 | 0.2 | 0.6 |
| 7 | 30 | 4.0 | 0.4 | 0.8 |
| 8 | 50 | 6.0 | 0.6 | 0.8 |
Для заданного варианта задания:
-
построить логарифмические амплитудно-частотные характеристики (ЛАЧХ) разомкнутой автоматической системы с передаточной функцией из табл.3 и параметрами в соответствии с табл.4;
-
построить фазо-частотную характеристику (ФЧХ) разомкнутой системы;
-
исследовать устойчивость замкнутой системы; если система устойчива, то определить запасы устойчивости по фазе и амплитуде; если замкнутая система не устойчива, определить значение коэффициента усиления К , при котором система находится на границе устойчивости.
Версия: AAAAAAU2yEE Код: 000009323















