ДЗ (1004783)
Текст из файла
МГТУ им. Н.Э. Баумана
Домашнее задание по курсу
Специальные технологии
Выполнил:Краснобрыжий И.А.
группа СМ10-71
Преподаватель Кравченко И.И.
Москва, 2009
6Г
Определить насколько изменится радиус сферической поверхности за счет износа резца.
R = 150 мм
D1 = 170 мм
D2 = 95 мм
S = 0.21 мм/об
Обрабатываемый материал – Сталь45
Материал инструмента – Т15К6
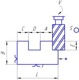
15Б
Планка размером B×L устанавливается в тисках. Определить погрешность базирования при фрезеровании уступа. Выдерживаемые размеры A и E.
C = 16+0.11 мм
D = 23-0.13 мм
B = 18+0.18 мм
Решение:
Погрешность базирования размера A: ∆εб=TC+TD=
Погрешность базирования размера E: ∆εб=TB=+0.18
Список литературы
1. Дальский А.М., «Справочник технолога-машиностроителя. Том 1», Москва, 2001
Характеристики
Тип файла документ
Документы такого типа открываются такими программами, как Microsoft Office Word на компьютерах Windows, Apple Pages на компьютерах Mac, Open Office - бесплатная альтернатива на различных платформах, в том числе Linux. Наиболее простым и современным решением будут Google документы, так как открываются онлайн без скачивания прямо в браузере на любой платформе. Существуют российские качественные аналоги, например от Яндекса.
Будьте внимательны на мобильных устройствах, так как там используются упрощённый функционал даже в официальном приложении от Microsoft, поэтому для просмотра скачивайте PDF-версию. А если нужно редактировать файл, то используйте оригинальный файл.
Файлы такого типа обычно разбиты на страницы, а текст может быть форматированным (жирный, курсив, выбор шрифта, таблицы и т.п.), а также в него можно добавлять изображения. Формат идеально подходит для рефератов, докладов и РПЗ курсовых проектов, которые необходимо распечатать. Кстати перед печатью также сохраняйте файл в PDF, так как принтер может начудить со шрифтами.
















