3 часть (1004266)
Текст из файла
3 Детальная разработка конструкции рекомендуемого варианта моста
3.1 Расчет береговой опоры
3.1.1 Расчет фундамента береговой опоры
Расчет фундамента производится при помощи программы «OPORA_X».
Расчет произведен 17.05.2016 15:36:36.
Версия программы 7.17.01 Январь 2013г.
Тип моста: Автодорожный.
Расчет производится по СП хх.13330.2011 (действуют с 20 Мая 2011г).
Уровень ответственности сооружения: нормальный.
Коэффициент надежности по ответственности: 1.000.
Алгоритм расчета в программе «ОПОРА_Х»:
Программа ОПОРА_Х предназначена для cбора нагрузок и расчета фундаментов устоев и промежуточных опор автодорожных, железнодорожных и пешеходных мостов (любых габаритов проезжей части, с разрезными и неразрезными пролетными строениями, мостов на кривых, и косых путепроводов) на следующие нагрузки и их сочетания:
- Постоянные нагрузки от веса конструкций и воздействия грунта и воды;
- Временные вертикальные нагрузки;
- Ветровая нагрузка с учетом динамической составляющей;
- Ледовые нагрузки (для русловых опор);
- Сейсмические нагрузки при сейсмичности от 7 до 9 баллов.
Для свайных фундаментов производится:
- Расчет усилий в головах и по длине свай;
- Определение экстремальных усилий в сваях для проверок и расчета армирования свай;
- Проверку сваи по грунту на вертикальные нагрузки;
- Проверку давления сваи на грунт по боковой поверхности;
- Проверку несущей способности грунта в основании свай (как для условного массивного фундамента) для многорядных свайных фундаментов;
- Проверку несущей способности подстилающих слоев грунта (как для условного массивного фундамента), или на давление под торцом одиночной сваи;
- Проверку несущей способности заделки сваи в скальный грунт (для свай, забуренных в скалу);
- Проверку сваи на воздействие морозного пучения грунта по [5] –СниП 2.02.04-88
Исходные данные для расчета:
Конструкция рассчитываемой опоры схематично приведена на рисунке 3.1.
Рис. 3.1 Конструкция рассчитываемой опоры
Схема моста: +24+33+33+24+
Данные по пролетным строениям приведены в таблице 3.1.
Применяются Резиновые ОЧ с модулем сдвига G = 100.00 т/м2.
Максимальное перемещение в уровне опорных частей 0.05 м.
Таблица 3.1 – Данные о пролетных строениях моста
| № пролета | Полная длина пролета | Расчетная длина пролета | Момент инерции пролета | Строительная высота в пролете | Нагрузка от веса балок, тс/м | Вид опорных частей | Площадь РОЧ в одном ряду | Высота РОЧ, м | |||
| слева | справа | ||||||||||
| 1 | 24,0 | 23,4 | 1,0 | 1,20 | 10,0 | резиновые | - | 0,1 | 0,2 | ||
| 2 | 33,0 | 32,4 | 1,0 | 1,50 | 10,0 | резиновые | - | 0,1 | 0,2 | ||
| 3 | 33,0 | 32,4 | 1,0 | 1,50 | 10,0 | резиновые | - | 0,1 | 0,2 | ||
| 4 | 24,0 | 23,4 | 1,0 | 1,20 | 10,0 | резиновые | - | 0,1 | 0,2 | ||
Расстояние между торцами балок (среднее): 0,05 м
Габарит пролетных строений приведен на рисунке 3.2.
Рис.3.2 – Габарит пролетных строений
Таблица 3.2 – Прочие общие данные и нагрузки
| 1 | 2 | 3 |
| Погонные нагрузки от веса, тс/м: | Тротуаров и перил | 0,34 |
| Защитного слоя бетона | 0 | |
| Покрытия проезжей части | 3,69 | |
| Число полос движения | Общее число полос | 2 |
| Максимальное в одном направлении | 1 | |
| Отметки уровней | Высокий ледоход | 0,660 |
| Уровень высокой воды | 1,25 | |
| Уровень межени | -0,160 | |
| Дополнительные данные | Класс временной нагрузки | А14 |
| Дополнительная временная нагрузка | НК-100 | |
| Толщина льда, м | 0,7 | |
| Сейсмичность в баллах | 6,0 | |
| Угол между опорой и осью моста | 90 |
Данные по опоре:
Номер рассчитываемой опоры – 1;
Основание опоры: свайный фундамент;
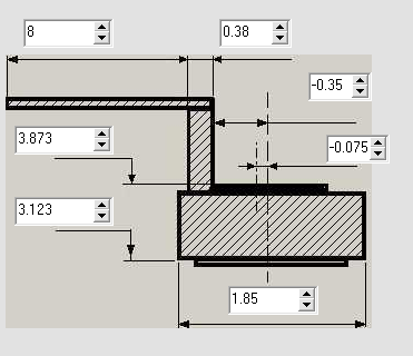
Смещение по Х шкафной стенки от оси насадки: 0,35 м;
Смещение по Х оси опирания от оси насадки: 0.075 м;
Высота опорных частей: 0,2 м;
Толщина шкафной стенки: 0,38 м;
Длина переходной плиты (вдоль моста): 8.0 м;
Толщина переходной плиты: 0.4 м;
Уклон конуса насыпи: 1/2;
Объемный вес грунта засыпки: 1,80 тс/м3;
Угол внутреннего трения грунта засыпки: 35°,
Общий вид ригеля приведен на рисунке 3.3.
Рис. 3.3 – Общий вид ригеля
.
Таблица 3.3 – Отметки уровней, м
| 1 | 2 |
| Верха проезжей части | 5,273 |
| Верха опорной площадки | 3,873 |
| Подошвы фундамента (ростверка) | 3,123 |
| Отметка верха грунта | -0,360 |
| Отметка низа свай | -11,296 |
Таблица 3.4 – Данные о ступенях опоры
| Ступень 1. Вид сечения – прямоугольное Число элементов – 1 Отметка низа ступени – 3,123 | |||||||
| Характеристика верхнего сечения | Характеристика нижнего сечения | ||||||
| Размер Х | Размер Y | Смещ. Х | Смещ. Y | Размер Х | Размер Y | Смещ. Х | Смещ. Y |
| 1,850 | 14,140 | 0,000 | 0,000 | 1,850 | 14,140 | 0,000 | 0,000 |
| Ступень 2. Вид сечения – круглое Число элементов – 4 Отметка низа ступени – 0,640 | |||||||
| Диаметр сечения | Координаты голов стоек и тангенсы углов наклона | ||||||
Продолжение таблицы 3.4
| 1,35 | Х | Y | tg X | tg Y |
| 0,000 0,000 0,000 0,000 | 1,750 -1,750 5,250 -5,250 | 0,000 0,000 0,000 0,000 | 0,000 0,000 0,000 0,000 | |
| Ступень 3. Вид сечения – круглое Число элементов – 4 Отметка низа ступени – -11,296 | ||||
| Диаметр сечения | Координаты голов стоек и тангенсы углов наклона | |||
| 1,50 | Х | Y | tg X | tg Y |
| 0,000 0,000 0,000 0,000 | 1,750 -1,750 5,250 -5,250 | 0,000 0,000 0,000 0,000 | 0,000 0,000 0,000 0,000 | |
Данные по сваям (столбам) в грунте:
Вид свай: Буровые сваи, бетонируемые под водой методом BПT;
Сечение сваи: круглое;
Размеры сваи: d=1,50 м;
Данные по грунтам приведены в таблице 3.5.
Расчет коэффициента пропорциональности произведен по СП 50-102-2003.
Число слоев грунта – 3.
Таблица 3.5 – Данные по грунтам
| Вид грунта | Отметка подошвы слоя | Показатель текучести | Коэффициент порист. грунта | Объемный вес | Влажность, % | Угол внутреннего трения | Удельное сцепление | Условное сопротивление | Коэффициент пропорциональности | Модуль деформации грунта |
| Супеси | -3,96 | 0.00 | 0.70 | 1,16 | 54,2 | 25,6 | 1,41 | 30,0 | 1200 | 3 |
| Суглинки | -7,57 | 0,00 | 1,22 | 1,85 | 41,7 | 18,3 | 10,00 | 26,3 | 1800 | 1 |
| Крупнообл. грунт с с песчаным заполнителем | -12,30 | 0,00 | 0,76 | 2.20 | 24,1 | 37.0 | 40,00 | 100.0 | 3000 | 44 |
Объёмы работ приведены в таблице 3.6.
Характеристики
Тип файла документ
Документы такого типа открываются такими программами, как Microsoft Office Word на компьютерах Windows, Apple Pages на компьютерах Mac, Open Office - бесплатная альтернатива на различных платформах, в том числе Linux. Наиболее простым и современным решением будут Google документы, так как открываются онлайн без скачивания прямо в браузере на любой платформе. Существуют российские качественные аналоги, например от Яндекса.
Будьте внимательны на мобильных устройствах, так как там используются упрощённый функционал даже в официальном приложении от Microsoft, поэтому для просмотра скачивайте PDF-версию. А если нужно редактировать файл, то используйте оригинальный файл.
Файлы такого типа обычно разбиты на страницы, а текст может быть форматированным (жирный, курсив, выбор шрифта, таблицы и т.п.), а также в него можно добавлять изображения. Формат идеально подходит для рефератов, докладов и РПЗ курсовых проектов, которые необходимо распечатать. Кстати перед печатью также сохраняйте файл в PDF, так как принтер может начудить со шрифтами.
















