21_Электронные ИС (1002187), страница 2
Текст из файла (страница 2)
Рис. Кольцевой делитель с омической нагрузкой.
Одинаковые трансформаторы кольца делителя предопределяют равное деление мощности по каналам. Затухание мощности при делении (прямые потери) от входа 1 до выхода 3 определяется как
C31 = 10 lg Р3/Р1, (Р3/ Р1 = 0.5), С31 = - 3 дБ
Если волновые сопротивления трансформаторов плеч различны, то сигнал делится обратно пропорционально им.
Рис. Кольцевой делитель с неравным делением мощности.
Односекционный кольцевой делитель обеспечивает удовлетворительную развязку выходов в 40% частотной диапазоне. Для расширения полосы пропускания используются многосекционные делители.
Рис. 7-секционный кольцевой делитель работает в диапазоне от 4 до 12 ГГц.
На основе кольцевых делителей строятся многоканальные разветвители, например, контрольного сигнала или сигнала гетеродина.
Рис. Многоканальный разветвитель. Для равенства выходной мощности первая секция должна быть с неравным делением.
Гибридные соединения.
Для подачи двух разных сигналов (входного и гетеродинного) в балансных устройствах: смесителях, усилителях, - целесообразно использовать 8-ми полюсные гибридные соединения или 3-дБ направленные ответвители на связанных линиях. Последние сложнее технологически реализовать. 8-ми полюсные гибридные соединения (мосты): кольцевой и шлейфный, - формируются из четвертьволновых отрезков ЛП.
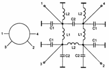
Рис. Кольцевое гибридное соединение.
Входными плечами кольцевого моста являются 1 и 3, выходными (нагрузочными) – 2 и 4. От входа 3 к нагрузкам (диодам, транзисторам) поступают синфазные сигналы в широком диапазоне частот. От входа 1 к нагрузкам поступают сигналы со сдвигом фаз 180 ° ( 3/4 λ – 1/4 λ). Это существенно ограничивает частотный диапазон.
У кольцевого гибридного соединения нет возможности использовать многоступенчатые трансформаторы в отличие от шлейфных направленных ответвителей. Шлейфные направленные ответвители более удобны конструктивно: полупроводниковые приборы находятся рядом. Тракты подвода питания, отвода промежуточной частоты не пересекают СВЧ тракты. Однако развязка подающих плеч невелика. Шлейфный направленный ответвитель распределяет входной сигнал со сдвигом фаз между выходами - 90°.
Рис. Шлейфные направленные ответвители двух- и четырехступенчатые.
Направленные ответвители на связанных линиях.
Между двумя МПЛ устанавливается электромагнитная связь. Она максимальна при четвертьволновой длине области связи ( l = λл/4) и тем больше, чем ближе МПЛ (меньше зазор S между ними).
Рис. Схема направленного ответвителя на связанных линиях.
При подаче сигнала на вход 1 в линии 1 – 3 распространяется бегущая волна, которая в линии 2 – 4 возбуждает две волны. Первая волна возбуждается электрическим полем и синфазна полю линии 1 – 3. Вторая волна возбуждается магнитным полем (согласно 2-ому закону Максвелла
) и она противофазна полю линии 1 – 3. Фазовые соотношения между этими двумя волнами оказываются такими, что в плечо 4 они приходят в противофазе, т.е. компенсируются. Плечо 4 изолировано, а в плечи 2 и 3 сигналы поступают. При подаче сигнала на вход 4 изолированным станет плечо 1, а сигналы будут поступать в плечи 2 и 3. Направленный ответвитель (НО) на связанных линиях определяется следующими параметрами (дБ):
- затухание (прямые потери) C13 = 10 lg Р1/Р3,
- связь C12 = 10 lg Р1/Р2,
- изоляция C14 = 10 lg Р1/Р4 ,
- направленность (отношение мощностей на выходе рабочего и развязанного плеча) C34 = 10 lg Р3/Р4 ,
- коэффициент деления мощности (отношение мощностей на выходе рабочих плеч основного и связанного): C23 = 10 lg Р2/Р3 = C13 - C12 .
Фазовый сдвиг между сигналами порта 1 и 2 составляет 90° как следствие емкостной связи.
НО со связью С12 = - 3 дБ (Р1/ Р2 = 1/ 2)может быть использован в качестве гибридного соединения для балансных устройств: усилителя, корректора амплитудно-частотных характеристик, смесителя с подавлением зеркального канала. В последнем случае помимо деления мощности пополам необходим фазовый сдвиг.
Рис. Связанные МПЛ: (а) – геометрические параметры, (б) – емкости при четном возбуждении, (в) – емкости при нечетном возбуждении.
Волновое сопротивление связанных линий Zв является суперпозицией волновых сопротивлений четной Zвe и нечетной Zвo волн:
Z в = √ (Zвe ∙ Zвo).
Связь между МПЛ пропорционально зависит от краевой емкости Сеа, т.е. от величины зазора S. S = 30 мкм обеспечивает связь не более 6 дБ. Для увеличения краевой емкости - связи можно использовать многосвязные гребенчатые структуры – мосты Ланге. Они реализует 3 дБ связь, но требует прецезионную операцию сварки золотых проволочек к тонким проводниками (без контактных площадок) – 2-3 параллельно для уменьшения индуктивности. Мост Ланге – самое компактное гибридное соединение.
Рис. Многосвязные гребенчатые мосты Ланге.
Рис. Мост Ланге для фазовращателя.
Увеличение краевой емкости можно добиться изменением топологии зазора от прямолинейного к зазубренному. Длина зазора существенно увеличивается, а длина области связи – нет.
Увеличение взаимной емкости при нечетном возбуждении можно достичь с помощью лицевой связи. Технологически такой НО реализуется в виде объемной интегральной схемы, многоплатной или многослойной.
Рис. Направленный ответвитель с лицевой связью.
Для сильной связи НО более простого технологического воплощения можно составить из 2-х каскадно соединенных НО со связью 8,34 дБ. Данная конфигурация позволяет дважды отобрать мощность из входного (питающего) тракта. Подобные НО известны как «Тандем ».
Рис. Каскадное включение направленных ответвителей.
Рис. Направленный ответвитель типа «Тандем».
Уровень связи НО на связанных линий не меняется в широком частотном диапазоне. Изоляция плеч одноступенчатых НО невелика, но возрастает с увеличением числа ступеней. Однако уровень связи широкополосных НО уменьшается, поскольку требуется увеличение связи ступени с наибольшей связью.
Рис. Многоступенчатые НО с симметричной и асимметричной топологией.
Рис. Направленный ответвитель на связанных неоднородных линиях.
Устройства на элементах с сосредоточенными параметрами.
Гибридные устройства дециметрового и метрового диапазона на отрезках линий передачи длиною, кратной λ/4, имеют большие габариты. Четырехполюсник отрезка линии передачи может быть заменен Т- или П- четырехполюсниками на сосредоточенных (реактивных) элементах (LC - элементах). Последние более частотнозависимы.
Рис. Т- и П- четырехполюсниками на сосредоточенных элементах, эквивалентных λ/4 отрезку линии передачи.
Волновое сопротивление Z = √ L/C, индуктивность L = Z/ω , емкость C = 1/Zω , круговая частота ω = 2πf.
В делителях и гибридных соединениях каждый из трансформаторов – отрезков линии передачи определенной длины – заменяются на LC – элементы. Для кольцевого гибридного соединения необходимы отрезки линий различной длины: З/4λ и λ/4 . Они реализуются четырехполюсниками различного вида. Разность фаз между выходами 3 и 4 составляет 180° при подаче сигнала со входа 1 (сигнал со входа 2 делится синфазно между выходами 3 и 4).
А Б
Рис. П- четырехполюсники, эквивалентные З/4λ (А) и λ/4 (Б).
Рис. Кольцевое гибридное соединение на П – четырехполюсниках.
Шлейфный направленный ответвитель со сдвигом фаз между выходами 2 и 3 - 90° может быть воспроизведен на LC – элементах.
Рис. Шлейфный направленный ответвитель со сдвигом фаз между выходами 2 и 3 - 90° на отрезках линии передачи (А), эквивалентная схема на П – четырехполюсниках (Б), та же схема сосредоточенных LC – элементах с суммированием емкостей (В).
Рис. Шлейфный направленный ответвитель со сдвигом фаз между выходами 2 и 3 - 90° для частоты 2.1.ГГц на пленочных LC - элементах в виде монолитной интегральной схемы. Зеленым представлены пленочные конденсаторы.)
Синфазный делитель мощности (делитель Уилкинсона) на LC – элементах.
А Б В
Рис. Делитель мощности на отрезках линии передачи (А), эквивалентная схема на П – четырехполюсниках (Б), та же схема сосредоточенных LC – элементах с суммированием емкостей (В).
Рис. Двухканальный делитель мощности для частоты 7.5 ГГц на пленочных LC - элементах в виде монолитной интегральной схемы и ее амплитудно – частотная характеристика.
На сосредоточенных элементах конструктивно проще реализуются многоканальные синфазные делители мощности с разветвлением от одного входа.
Рис. 3х– канальный синфазный делитель мощности (А) – на отрезках линии передачи, (Б) – эквивалентная схема на П-четырехполюсниках, (В) – топология на пленочных LC – элементах. на пленочных LC – элементах.
Рис. Толстопленочные интегральные схемы.















