Конструктивные решения одноэтажных производственных зданий с железобетонным каркасом
Лекция 3.
Конструктивные решения одноэтажных производственных зданий с железобетонным каркасом.
В подавляющем большинстве случаев конструкции одноэтажных и многоэтажных производственных зданий решается в каркасной конструктивной системе.
Несущим остовом одноэтажных каркасных производственных зданий являются поперечные рамы и связывающие их продольные элементы.
Поперечные рамы каркаса состоят из стоек, жестко заделанных в фундаменты и ригелей (ферм или балок), опертых на эти стойки.
Продольные элементы остова включают в себя фундаментные, обвязочные и подкрановые балки, несущие конструкции ограждающей части покрытия и связи.
Конструкции одноэтажных производственных зданий должны соответствовать своему функциональному назначению; иметь достаточные характеристики прочности и долговечности; быть технологичными в изготовлении, монтаже и эксплуатации; быть легкими и экономичными и иметь высокие эстетические качества.
Рекомендуемые материалы
Требования, предъявляемые к конструкциям производственных зданий, часто противоречат друг другу и для их удовлетворения часто прибегают к оптимизации этих требований или к предпочтительному выбору отдельных решений в зависимости от главенствующих в каждом конкретном случае критериев.
Железобетонные конструкции производственных зданий имеют следующие преимущества: высокую огнестойкость и влагостойкость, малый расход металла, наличие развитой базы стройиндустрии, возможность применения местных материалов для заполнителей бетона, возможность получения разнообразных пластических форм, возможность снижения массы конструкций в результате применения легких заполнителей.
К отрицательным сторонам железобетонных конструкций относятся: малая ремонтопригодность, большая масса, малая стойкость к щелочам и кислотам, сложность устройства стыков при использовании сборных элементов.
В массовом промышленном строительстве до последнего времени наиболее широко использовались сборные железобетонные конструкции. В настоящее время значительно увеличилась также применение стальных конструкций и монолитного железобетона. Это объясняется как общим уменьшением объема промстроительства, так и повышение в нем доли относительно небольших зданий. При этом предпочтение отдается быстромонтируемым и сборно-разборным зданиям из металлических конструкций или монолитным железобетонным промзданиям нетиповых архитектурных и конструктивных решений.
Железобетонные колонны каркаса – это вертикальные элементы, служащие для опирания на них несущих конструкций покрытия, восприятия крановых и технологических нагрузок и нагрузки от стен.
Шаг крайних колонн здания принимается 6 ил 12м, шаг средних колонн – 6, 12 или 18м.
Шаг колонн увязан с шагом стропильных конструкций покрытия. Если шаг крайних колонн равен 6м, а шаг средних – 12м, то используются подстропильные конструкции. Высота железобетонных колонн и их градация по высоте кратна укрупненному модулю 600мм.
Колонны классифицируются: по назначению, по размещению в здании, по воспринимаемой нагрузке и по конструкции. Высотой колонны считается отметка низа несущей конструкций.
По назначению различают несущие колонны каркаса и фахверковые колонны; по размещению колонны делятся на крайние, средние и торцевые; по нагрузке – на крановые и бескрановые и по конструкции – на сплошные (одноветвевые) и сквозные (двухветвевые).
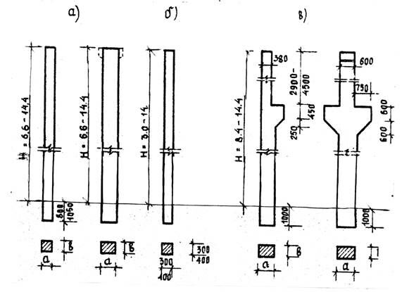
Для зданий без мостовых кранов колонны по всей высоте имеют одинаковые размеры их квадратного или прямоугольного сечений. Высоты этих колонн равны 7,2- 14,4м; размеры сечения измеряются от 400х400 до 400х800мм.
Для зданий с мостовыми кранами колонны имеют прямоугольное или двухветвевое сечение. Такие колонны имеют две основные части – развитую по сечению подкрановую часть и более тонкую надкрановую. Высота таких колонн варьируется в пределах от 8,4 до 18,0м при сечениях подкрановой (сплошной или сквозной) части от 400х600мм до 600х1900мм. Сечение надкрановой ветви принимается от 400х380мм до 600х600мм.
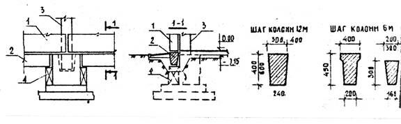
Соединение железобетонных колонн с фундаментами осуществляется в виде жесткого сопряжения. Колонны устанавливаются в специальные стаканы (гнезда) и зазоры замоноличиваются бетоном.
Фундаменты могут выполняться монолитными и сборными. Сборные фундаменты выполняют из подколонника и одной или нескольких плит. Фундаменты имеют квадратное или прямоугольное очертание в плане. Глубина заложения фундаментов зависит от технологических требований, механических свойств грунта, глубины его промерзания и нагрузок на основание.
Отметка верхнего обреза фундамента, независимо от вышеперечисленных условий, должна быть на 150мм ниже отметки чистого пола производственного здания.
Фундаментные балки служат для опоры на них самонесущих стеновых конструкций. Эти балки передают нагрузки от стен на фундаменты и устанавливаются на специальные опорные столбики на обрезах фундамента. Сечения фундаментных балок зависит прежде всего от шага колонн, которому соответствует и шаг фундаментов. Для шага 6м их высота равна 300 – 450мм, а для шага 12м 400 – 600мм. Сечения сборных фундаментных балок может быть тавровым и трапециевидным.
Верхняя грань фундаментной балки располагается на 30 – 50мм ниже отметки чистого пола здания. Для избежания промерзания окружающего грунта и самой балки, вокруг нее устраивается шлаковая засыпка.
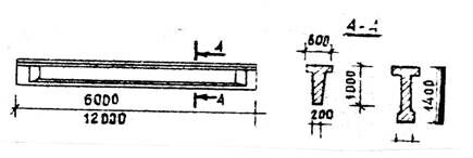
Подкрановые балки служат опорой для крановых рельсов, по которым на катках передвигаются мостовые краны. Эти балки опираются на консоли колонн и дополнительно обеспечивают продольную жесткость каркаса здания. Железобетонные подкрановые балки бывают как разрезными, так и неразрезными, таврового и двутаврового сечения.
Несущие конструкции покрытия производственных зданий подразделяются на стропильные конструкции и несущие элементы ограждающей части покрытия.
Стропильные и подстропильные конструкции в основном представлены балками и фермами. Несущие конструкции ограждающей части покрытия – это крупноразмерные плиты или прогоны или прогоном решении.
Железобетонные балки применяются для устройства покрытий в промзданиях в основном при пролетах 12 и 18м и значительно реже – для пролетов 6 или 24м. Балки могут быть двускатными или с параллельными поясами. Для облегчения балок в их стенках часто устраивают отверстия (т.н. «перфорированные балки»). Сечения железобетонных балок в основном прямоугольные или двутавровые.
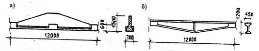
Железобетонные стропильные фермы обычно применяются для пролетов 18 и 24м при шаге колонн 6 и 12м. Фермы легче балок, но более трудоемки в изготовлении и имеют значительно большую конструктивную высоту. В современной практике промстроительства в основном применяются фермы сегментные (раскосные и безраскосные), фермы с параллельными поясами и полигональные фермы.
Фермы могут быть выполнены цельными или составленными, которые монтируются либо из двух полуферм, либо из ряда отдельных линейных элементов поясов и решетки.
Сегментные фермы могут выполняться с дополнительными стальными стойками над верхним поясом, что позволяет устраивать т.н. «малоуклонную кровлю».
В тех случаях, когда шаг колонн каркаса превышает шаг стропильных конструкций покрытия – балок или ферм, их опирают на подстропильные балки или фермы. Подстропильные конструкции применяют в тех зданиях, технологический процесс в которых требует широкого шага внутренних опор. Подстропильные конструкции опираются на средние ряды колонн каркаса и располагаются вдоль здания. В поперечном направлении на них опираются стропильные конструкции. Для уменьшения строительной высоты здания это опирание осуществляется на нижний пояс подстропильных конструкций.
Рисунок 1. Железобетонный каркас производственного здания.

1 – сборный фундамент;
2 – колонна среднего ряда;
3 – подстропильная ферма;
4 – стропильная ферма;
5 – температурный шов;
6 – сборная железобетонная плита покрытия;
7 – утеплитель по пароизоляции;
8 – цементно – песчаная стяжка;
9 – кровельный ковер (рубероид на мастике);
10 – рядовая стеновая панель;
11 – простеночная панель;
12 – окно;
13 – железобетонная подкрановая балка;
14 – фундаментная балка;
15 – крестовые металлические связи.
Рисунок 2. Конструкция железобетонных фундаментов под колонны.

Рисунок 3. Сборные железобетонные колонны каркаса.

а – железобетонные колонны для бескрановых зданий и зданий с подвесными кранами;
б – железобетонные колонны фахверка;
в – железобетонные колонны для зданий с мостовыми кранами средней грузоподъемности.
Рисунок 4. Железобетонные фундаментные балки.

1 – стеновая панель;
2 – фундаментная балка;
3 – железобетонная колонна;
4 – бетонный опорный столбик.
Рисунок 5. Железобетонные подкрановые балки.

Рисунок 6. Железобетонные стропильные балки.

а – балка с параллельными поясами двутаврового сечения;
б – полигональная балка с перфорированной стенкой;
в – полигональная балка двутаврового сечения.
Рисунок 7. Стропильные железобетонные фермы.

а – сегментная безраскосная ферма;
б – ферма с параллельными поясами.
Рисунок 8. Подстропильные железобетонные фермы.

В лекции "30 Гипотезы и условия протекания творческого процесса мышления" также много полезной информации.
а – подстропильная ферма для скатной кровли;
б – подстропильная ферма для плоской кровли.
Рисунок 9. Подстропильные железобетонные балки.

а – с опиранием стропильных конструкций на нижний пояс;
б – с опиранием стропильных конструкций на верхний пояс.






















