Сложные частотные фильтры
6. Сложные частотные фильтры
6.1. Назначение частотных фильтров
В различных областях, связанных с электронной техникой (радиотехника, передача информации, биомедицинская электроника) возникает необходимость в частотной фильтрации сигналов на фоне помех. Например, в системах радиосвязи для работы каждой радиостанции выделяется определенная частотная область, как показано на рис. 6.1.

Рис. 6.1
Между несущими частотами
задан разнос
кГц, а каждая станция занимает полосу частот
кГц. Для выделения полезного сигнала, например, на частоте
, и подавления всех других сигналов необходимо использовать частотный фильтр с полосовой АЧХ, как показано на рис. 6.1. Он должен пропускать сигнал в заданной полосе частот
кГц и подавлять в заданное число раз (например, 1000) сигналы соседних станций, отстоящих от центральной частоты
на величину
кГц.
Требуемое затухание соседних сигналов чаще задается в децибелах, в нашем примере 60 дБ.
Рекомендуемые материалы
132
6.2. Фильтры сосредоточенной селекции
Рассмотренные простые частотные фильтры не обеспечивают высокой избирательности. Фильтры сосредоточенной селекции (ФСС) обеспечивают высокую избирательность в заданной полосе частот за счет усложнения цепи.
Простейшими ФСС являются связанные колебательные контуры, пример схемы двухконтурного ФСС показан на рис.6.2. В теории цепей [2] для двух связанных контуров с одинаковыми элементами
,
и
получено выражение для АЧХ вида
,

где фактор связи
равен
,
- взаимная ин-
дуктивность связан- Рис. 6.2
ных (близко распо-
ложенных) катушек
и
,
- добротность каждого контура.
Графики нормированных АЧХ в виде отношения амплитуды тока во втором контуре к ее максимальному значению показаны на рис. 6.3. При малых
кривая подобна АЧХ одиночного колебательного контура, при
вершина кривой становится более плоской, а скаты круче, чем у одиночного контура, то есть избирательность становится выше. При
в полосе пропускания появляется провал ( это допус-
133
тимо, если глубина провала не велика) и скаты АЧХ становятся еще круче.
Таким образом, удается повысить избирательность фильтра за счет усложнения цепи.

Рис. 6.3
6.3. Синтез частотных фильтров
Синтезом частотного фильтра называют формирование его схемы и определение параметров при заданной форме и параметрах требуемой АЧХ. Имеются методики синтеза фильтров с различными свойствами и необходимая справочная литература.
Значительно удобнее и, главное, быстрее синтезировать сравнительно простой фильтр с помощью специализированных или универсальных программ, например, MicroCAP7.
На рис. 6.4 показано задание на синтез частотного фильтра Баттерворта (равномерного в полосе пропускания) с центральной частотой
МГц, полосой пропускания
кГц и затуханием 60 дБ при отстройке на
кГц от частоты
(
кГц).
134
При проектировании сложных частотных фильтров необходимо задать и поддерживать постоянными в полосе рабочих частот сопротивления источника сигнала и нагрузки, которые в рассматриваемом примере выбраны равными 50 Ом.

Рис. 6.4
Синтезированная программой MicroCAP7 схема фильтра показана на рис. 6.5. Он представляет собой соединение двух последовательных и трех параллельных колебательных контуров (последовательные контуры можно заменить эквивалентными емкостями) и обеспечивает АЧХ, показанную на рис. 6.6 (затемнены заданные границы, в которых должна находиться АЧХ).
135

Рис. 6.5

Рис. 6.6
Аналогично проведем синтез фильтра нижних частот чебышевского типа с полосой пропускания 200 Гц и высокой избирательностью: на уровне -20 дБ частота равна 218,6 Гц, а коэффициент прямоугольности –
.
Синтезированная схема фильтра показана на рис. 6.7, а на рис. 6.8 – его АЧХ. Как видно, она имеет неравномерность в полосе пропускания, но более крутые скаты АЧХ при той же сложности, что и фильтр Баттерворта.
136

Рис. 6.7

Рис. 6.8
Подобные ФНЧ можно использовать в биомедицинской технике при обработке сигналов.
![]() |
6.4. Пьезоэлектрические фильтры
Высококачественные частотные фильтры на базе реактивных элементов являются весьма сложными электрическими
137
цепями, трудоемкими и дорогими в изготовлении и настройке.
Высокоизбирательные узкополосные фильтры могут быть реализованы на базе кварцевого резонатора, условно показанного на рис. 6.9а. Это пластина, определенным образом вырезанная из монокристалла кварца, на противоположные грани которой нанесены металлические обкладки с подключенными к ним проволочными выводами.
В кварцевой пластине имеет место явление пьезоэффекта: при подаче на металлические электроды переменного напряжения определенной частоты в ней возникают механические колебания и, наоборот, при возникновении в пластине механических колебаний на ее гранях возникает переменное напряжение.
Эквивалентная электрическая схема кварцевого резонатора показана на рис. 6.9б. Ее особенностью является очень малые сопротивление потерь
(доли Ома) и емкость
(доли пикофарады).

Рис. 6.9.
На частоте

138
имеет место резонанс напряжений в последовательном контуре
, а на частоте

- резонанс токов в параллельном колебательном контуре
. На рис. 6.10 показаны зависимости от частоты модуля
, активной
и реактивной
составляющих сопротивления цепи рис. 6.9б при
Ом,
мГн,
пФ и
пФ. Обратите внимание, в каком узком диапазоне частот резко меняются сопротивления кварцевого резонатора.

Рис. 6.10
Таким образом, на базе кварцевого резонатора в окрестности частоты
можно реализовать высокочастотные (например,
МГц) весьма узкополосные (
Гц) фильтры с высокой избирательностью. Это обусловлено высокой добротностью кварцевого резонатора (до нескольких миллионов, в примере на рис. 6.10 получим
) за счет малых потерь энергии механических колебаний в монокристалле кварца (горного хрусталя). Благодаря этой особенности из него изго-
139
тавливают хрустальные бокалы с очень продолжительным «звоном».
Высокодобротные колебательные системы (например, кварцевые резонаторы) крайне необходимы для реализации генераторов гармонических колебаний с высокой стабильностью частоты, например в электронных часах.
В радиотехнике широкое применение получили пьезоэлектрические частотные фильтры на поверхностных акустических волнах (ПАВ). Они обеспечивают АЧХ с высокой прямоугольностью (эквивалентный порядок электрической цепи на реактивных элементах 100-200) и широко применяются, например, в телевизионных приемниках.
6.5. Активные RC фильтры
Частотные пассивные (без усилителей сигнала) LC фильтры включают в себя катушки индуктивности, которые достаточно сложны в изготовлении, дороги и плохо поддаются миниатюризации. С этой точки зрения удобнее безындуктивные или RC фильтры. Однако в этом случае сложно реализовать фильтры с высокой избирательностью и в них часто будет наблюдаться значительное затухание сигнала в полосе пропускания.
Широкое применение на практике находят активные RC фильтры на базе операционных усилителей (ОУ), условное обозначение которого показано на рис. 6.11а. Усилитель имеет два входа: неинвертирующий
и инвертирующий
, один выход
и выполняет операцию вида
,
где
- коэффициент усиления ОУ, который зависит от частоты сигнала, как показано на рис. 6.11б (обе оси в логарифмическом масштабе).
140
Рис. 6.11
Максимум
имеет место на низких частотах и лежит в пределах от нескольких сотен до сотен тысяч (в примере
). Затем он медленно падает до уровня
(на 3 дБ) в полосе пропускания, а далее снижается до 1 на частоте единичного усиления
. Входное сопротивление ОУ весьма велико (например, 1 МОм) и его можно считать бесконечным, а выходное – мало (например, 0,1 Ом), практически равно нулю.
![]() |
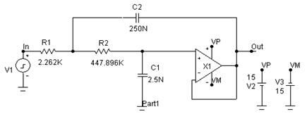
Пример схемы активного RC фильтра нижних частот второго порядка показан на рис. 6.12. Синтез активных RC фильтров с заданными частотными характеристиками можно проводить в пакете программ MicroCAP7, пример модели показан на рис. 6.13, а его АЧХ и ФЧХ показаны на рис. 6.14 (в верхней и нижней частях соответственно).
141

Рис.6.12

Рис. 6.13

Рис. 6.14
142
Лекция "Сексуальные девиации и перверсии" также может быть Вам полезна.
Подобный фильтр может применяться, например, в биомедицинской аппаратуре для выделения сигналов.
6.6. Задания для самостоятельного решения
Задание 6.1. На рис. 6.15 в частотном диапазоне показаны области, занимаемые сигналами двух радиостанций - полезной на частоте
и мешающей на частоте
, а пунктирной линией - трапециидальная АЧХ фильтра, выделяющего полезный сигнал. Определите минимальный коэффициент прямоугольности
фильтра при
МГц,
МГц и
кГц.

Рис. 6.15
Задание 6.2. В условиях задания 6.1 получите общую формулу для
, постройте график зависимости коэффициента прямоугольности от разноса частот
. Вычислите при указанных выше данных разнос частот
, при котором
.























