Радиорелейные линии синхронной цифровой иерархии
2.3 Радиорелейные линии синхронной цифровой иерархии
Как отмечалось ранее, третьим является вариант построения РРЛ изначально ориентированный на передачу цифровой информации. В настоящее время промышленностью разных стран выпускаются и на сетях связи работают большое разнообразие таких систем.
Скорость передачи аналоговых РРЛ практически ограничена потоком Е3,что определяется как полосой пропускания В4 ствола Δfств, так и неравномерностью ГВЗ, «проскальзыванию» сигнала при переключениях на резерв, используемыми видами манипуляции ВЧ сигнала.
В цифровых РРЛ влияния указанных факторов сведены до минимального, а использование многопозиционной относительной ФМ позволяет эффективно использовать полосу пропускания ствола РРЛ.
Оптимальная ширина полосы ствола при передаче цифровых сигналов по РРЛ может быть определена по формуле:
, (2.3.1)
где Δfоп – ширина полосы, численно равная скорости передачи цифрового сигнала В; Км = 1/log2M – коэффициент, учитывающий изменение полосы частот, занимаемой стволом, при использовании М-позиционной модуляции, М = 2,4,8,16,32,… . Сужение полосы пропускания ВЧ тракта ниже величины (2.3.1) вызывает сильное увеличение межсимвольных помех, расширение полосы – увеличение мощности тепловых шумов в более широкой полосе, и тот и другое приводит к увеличению коэффициента ошибок.
Так, например, для передачи 720 телефонных каналов методом ИКМ требуется скорость передачи цифровой информации 52 Мбит/с. При использовании двухпозиционной относительной ФМ (М=2) ширина полосы одного ствола согласно (2.3.1) примерно равна 52·1.3 = 68 МГц. При использовании четырехпозиционной относительной ФМ (М=4) полоса частот ствола может быть уменьшена до 34 МГц. Такую же полосу частот занимает ствол аналоговой РРЛ при передаче 1920 телефонных каналов, то есть при малой кратности модуляции ЦРРЛ уступают аналоговым РРЛ по пропускной способности в отведенной полосе частот. Ширина полосы частот радиоствола при передаче цифровых потоков РРЛ при различных видах модуляции приведена в таблице 2.2.2.
В настоящее время по ЦРРЛ передаются цифровые потоки соответствующие STM-RR и STM-1. При прохождении этих модулей по ЦРРЛ производится обработка секционного заголовка SOH, состоящего из заголовков мультиплексной MSOH и регенерационной RSOH секций и AU указателя. В соответствии со структурой секционного заголовка на ЦРРЛ выделяются мультиплексные и регенерационные секции рисунок 2.3.1.

Рекомендуемые материалы
Рисунок 2.3.1 – Мультиплексные и регенерационные секции ЦРРЛ.
На ОРС1 заканчивается мультиплексная секция MS1 кабельной соединительной линии между мультиплексным оборудованием MUX и оконечной радиорелейной станцией (ОРС) и начинаются мультиплексная MS2 и регенерационная RS1 секции РРЛ. Регенерационные секции радиорелейной линии начинаются и заканчиваются на всех пролетах. Мультиплексные секции радиорелейной линии начинаются и заканчиваются на ОРС и узловой радиорелейной станции (УРС), следовательно, на ОРС и УРС обрабатывается весь заголовок SOH STM, включая AU указатель. На промежуточной станции (ПРС) обрабатывается только заголовок регенерационной секции RSOH, а остальная часть заголовка проходит через эти станции транзитом.
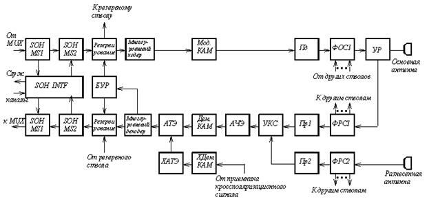
При рассмотрении структурных схем станций РРЛ СЦИ в пособии используется терминология и обозначения принятые в аппаратуре фирмы NEC (Япония). Структурная схема оконечной радиорелейной станции ОРС1 на примере аппаратуры фирмы NEC приведена на рисунке 2.3.2.

Рисунок 2.3.2 – структурная схема оконечной радиорелейной станции
На вход рабочего ствола РРЛ СЦИ по кабельной соединительной линии от MUX поступает линейный цифровой сигнал в коде CMI со скоростью 155.52 Мбит/с (STM-1).
На ОРС1 заканчивается мультиплексная секция кабельной соединительной линии, на ней производится обработка заголовка этой секции (модуль SOH MS1) рисунок 2.3.2 и 2.3.3. В этом модуле (C/N-преобразователь) осуществляется преобразование линейного кода CMI в код NRZ, который и используется в аппаратуре радиорелейных станций как наиболее узкополосный из двоичных кодов.

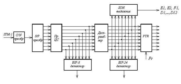
Рисунок 2.3.3 – Структурная схема обработки секционного заголовка на приемной стороне
Здесь же осуществляется преобразование входного цифрового потока 155.52 Мбит/с в восемь параллельных потоков по 19.44 Мбит/с (S/P-преобразователь), для того чтобы в дальнейшем можно было использовать микросхемотехнику с невысоким быстродействием, но при этом количество комплектов оборудования увеличивается в восемь раз. Для обеспечения этих преобразований (C/N и S/P) необходимо тактовая частота, которая выделяется из входного сигнала.
Обработка секционного заголовка заключается в выделении и соответствующей обработке байт секционного заголовка. Для определения местоположения байт заголовка в структуре синхронного транспортного модуля определяется начало его цикла, то есть осуществляется синхронизация начала цикла генераторного оборудования (ГО) приема под начало цикла принимаемого сигнала. Для этого используется приемник циклового синхросигнала (Пр.ЦС).
Контроль ошибочно принятых бит производится по коду BIP-8 (BIP-8 детектор), для чего рассчитываются битовые суммы по всем байтам текущего цикла и сравниваются с битовыми суммами, записанными на передающем конце в байт B1 следующего цикла.
Далее сигнал обрабатывается в дескремблере, где из него удаляется псевдослучайная последовательность (ПСП), введенная на передающей стороне в скремблере для того, чтобы исключить появление в передаваемом цифровом сигнале длинных последовательностей «0» и «1». Наличие таких последовательностей приводит к отсутствию в такие моменты времени информации о тактовой частоте, что ухудшает работу выделителя тактовой частоты.
Затем производится контроль ошибок по коду BIP-24 (BIP-24 детектор), для чего рассчитываются 24 битовые суммы по всем тройкам байт (кроме байт заголовка регенерационной секции RSOH) текущего цикла и сравниваются с битовыми суммами записанными на передающем конце в байты В2 следующего цикла. Здесь же производится выделение байт заголовка (SOH выделение), используемых для организации служебных каналов: Е1, Е2, F1 – каналы служебной связи на мультиплексных и регенерационных секциях; D1,…D12 – каналы для системы телеуправления. С выхода модуля SOH выделенные сигналы поступают на интерфейс секционного заголовка (SOH INTF) (рисунок 2.3.2), от куда подаются на соответствующее оборудование или проходят транзитом.
С выхода дескремблера цифровой сигнал восьмью потоками поступает на модуль обработки AU-указателя (PTR), где устраняется расхождение фаз между значением AU-указателя и местоположением первого байта нагрузки, появившееся при прохождении сигнала через мультиплексную секцию и перезаписи цифровых потоков под тактовую частоту местного генератора (reference clock). При этом изменяется значение AU-указателя.
После обработке AU-указателя сигналы поступают на модуль SOH MS2, где начинается мультиплексная секция радиорелейной линии. В этом модуле осуществляются генерация кодов BIP-8 и BIP-24 и вставление (мультиплексирование) байт заголовка SOH.
После обработки в модуле SOH MS2 сигналы поступают на модуль резервирования стволов, работой которого управляет блок управления резервированием (БУР).
В ЦРРЛ используется поучастковая система резервирования стволов, например 3+1,6+2 и так далее. Переключение рабочих стволов на резервный ствол осуществляется на оконечных и узловых станциях. На приемной стороне участка резервирования блок управления резервированием контролирует работоспособность рабочих и резервных стволов. При ухудшении качества работы одного из рабочих стволов (из-за замираний сигналов на пролетах, увеличения уровня внутренних или внешних шумов и помех) и работоспособном резервном стволе, приемная часть БУР принимает решения о переключении данного рабочего ствола на резервный ствол. По служебному каналу приемная часть БУР передает команду на передающую сторону участка резервирования.
На передающей стороне участка резервирования передающая часть БУР посылает команду на соответствующий переключатель ППд и информационный сигнал с этого момента передается параллельно по рабочему и резервному стволам. На приемной стороне вначале производится выравнивание времени распространения сигналов по рабочему и резервному стволам, чтобы исключить эффект проскальзывания сигналов. После этого производится безобрывное переключение выхода с помощью ключа ППр с рабочего ствола на резервный ствол. После восстановления работоспособности рабочего ствола восстанавливается исходная коммутация и освобождается резервный ствол.
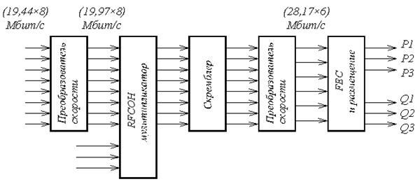
После модуля резервирования стволов сигнал STM-1 восьмью потоками суммарной скоростью 155520 кбит/с поступает на многоуровневый кодер, в котором: к выходному цифровому потоку прибавляется дополнительный заголовок радио цикла (RFCOH – Radio Frame Complementary Overhead); производится скремблирования; осуществляется кодирование (FEC – Forward Error Correction) и размещение полученных цифровых потоков на фазоамплитудной плоскости сигнала модулятора (рисунок 2.3.4).

Рисунок 2.3.4 – Структурная схема многоуровневого кодера
В преобразователе скорости 1 осуществляется увеличение суммарной скорости восьми цифровых потоков на 4.24 Мбит/с за счет того, что тактовая частота считывания из буферной памяти превышает тактовую частоту записи информации в эту память. В результате такого преобразования в выходных потоках образуются тактовые интервалы свободные от информационных символов.
В мультиплексоре дополнительного заголовка радиоцикла (рисунок 2.3.5) в свободные тактовые интервалы вставляются информационные символы служебных сигналов, основные из которых: цифровой поток 2 Мбит/с (WS – Way Side), доступный на каждой станции; служебные каналы для связи передающей и приемной сторон блока управления резервированием и для сбора информации о состоянии оборудования станций системой теленаблюдений. В этом же модуле формируется цикл по дополнительному заголовку, причем структура восьмиразрядного циклового синхросигнала может изменяться с помощью переключателя, что обеспечивает идентификацию ствола необходимую при наличии эффекта прохождения сигналов через три интервала и на узловых радиорелейных станциях с большим числом ответвлений.

Рисунок 2.3.5 – Структура сигнала на выходе многоуровневого кодера
После мультиплексора сигналы поступают на скремблер, в котором к ним добавляется псевдослучайная последовательность, устраняющая в двоичном сигнале длинные последовательности нулей и единиц.
В преобразователе скорости 2 суммарная скорость цифрового потока увеличивается на 10 Мбит/с (рисунок 2.3.5) и полученные цифровых потоков суммарной скоростью около 170 Мбит/с поступают на модуль предкоррекции ошибок и размещения. Свободные тактовые интервалы, полученные на выходе преобразователя скорости 2, присутствуют только в первом в соотношении 3/4 (три информационных символа из четырех) и втором в соотношении 11/12 цифровых потоков из шести.
Операция размещения (mapping) полученных цифровых потоков на фазоамплитудной плоскости (constellation – созвездие) сигнала модулятора заключается в том, что соседние точки на созвездии определяются первыми из шести потоков, который имеет наибольшую защиту (3/4). Это определяется тем, что из-за действия шумов и помех наиболее вероятным будет переход данной точки созвездия на соседние точки. Размещение также предполагает, что второй поток с соотношением 11/12 определяет на созвездии точки через одну. Остальные четыре потока из шести не имеют избыточных бит и определяют все остальные точки на созвездии.
В результате проведенных преобразований сигнала на выходе многоуровневого кодера формируется шесть потоков (рисунок 2.3.4), из них три потока для синфазной (Phase) составляющей Р1, Р2, Р3 и три потока для квадратурной (Quadrate) составляющей Q1, Q2, Q3, которые и определяют расположение точек на созвездии. Необходимо отметить, что количество цифровых потоков на выходе многоуровневого кодера определяется позиционностью квадратурной амплитудной модуляции М-КАМ, в рассматриваемом случае используется 64 КАМ.
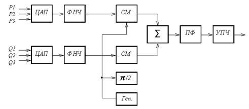
С выхода многоуровневого кодера сигнал поступает на КАМ модулятор (рисунок 2.3.6) .
В цифроаналоговом преобразователе каждый из трех двоичных потоков преобразуется в многоуровневый сигнал (в рассматриваемом случае в восьмиуровневый 23 = 8).

Рисунок 2.3.6 – Структурная схема КАМ модулятора
В фильтре нижних частот производится ограничение полосы модулирующего сигнала в пределах
ПС = ПN (1 + α), (2.3.2)
где ПN = FT /2 - полоса Найквиста; α = {0,1} – коэффициент (roll off), определяющий степень сужения полосы (зависит от фирмы производителя оборудования).
В смесителях осуществляется амплитудная и фазовая модуляция по каждой из составляющих, после сложения которых получается сигнал 64 КАМ, расположение точек которой на фазово-амплитудной плоскости (созвездии) представлено на рисунке 2.3.7.

Рисунок 2.3.7 – 64 КАМ сигнал на фазово-амплитудной плоскости
Далее в полосовом фильтре отфильтровываются побочные продукты, которые появляются в смесителях и, наконец, с помощью УПЧ устанавливается необходимый уровень на выходе модулятора.
С выхода модулятора сигнал промежуточной частоты промодулированный по амплитуде и фазе поступает на передающее устройство (Пд), где осуществляется преобразование сигнала промежуточной частоты в сигнал СВЧ и осуществляется усиление его по мощности. Существенным отличием передатчика М-КАМ сигнала от передатчиков ЧМ и М-ОФМ сигналов является то, что в нем необходимо иметь высокую линейность амплитудной характеристики, что достигается смещением рабочей точки усилителя мощности на линейный участок (смещение достигает 7дБ) и использованием линеаризатора амплитудной характеристики.
С выхода передатчика СВЧ сигнал поступает на фильтры объединения стволов (ФОС), где с помощью ферритовых вентилей и полосовых фильтров объединяются сигналы нескольких передатчиков. Объединенный сигнал поступает на устройство разделения приема и передачи (УР) и по волноводу поступает в антенну и излучается в сторону соседней станции.
На оконечной станции имеется две антенны: основная и разнесенная, что позволяет уменьшить влияние селективных замираний на качество работы РРЛ. С выходов антенн сигналы через УР поступают на фильтры разделения стволов (ФРС) и через них на основной и разнесенный приемники.
В приемниках осуществляется: усиление сигналов в малошумящих усилителях; преобразование СВЧ сигналов в сигналы промежуточной частоты, после чего сигналы поступают на устройства комбинирования сигналов (УКС). При приеме цифровых сигналов для устранения эффекта проскальзывания нельзя использовать автовыбор сильного сигнала, как это делается в аналоговых РРЛ, поэтому в РРЛ СЦИ используется сложение разнесенных сигналов.
Для осуществления сложения, осуществляется фазирование сигнала ПЧ разнесенного приемника под сигнал ПЧ основного приемника, для чего в цепи гетеродина разнесенного приемника устанавливается фазовращатель, управляемый с выхода фазового детектора УКС. После сложения сфазированных сигналов сигнал ПЧ с выхода УКС поступает на корректор ГВЗ, с помощью которого достигается высокая линейность фазочастотной характеристики. После корректора ГВЗ сигнал поступает в УПЧ, где осуществляется: основное усиление сигнала ослабленного на пролете; автоматическая регулировка усиления и фильтрация сигналов соседних стволов в полосовом фильтре.
С выхода УПЧ сигнал поступает на адаптивный частотный эквалайзер (АЧЭ), где производится компенсация селективных замираний сигнала в стволе. После АЧЭ сигнал поступает на когерентный демодулятор КАМ сигнал, на выходе фазовых детекторов синфазного и квадратурного каналов которого получается восьмиуровневые сигналы. Эти сигналы посредством аналого-цифрового преобразователя (АЦП) преобразуются в восемь цифровых потоков и подаются на адаптивный трансверсальный эквалайзер (АТЭ).
Вам также может быть полезна лекция "17 Бронхиальная астма".
В АТЭ осуществляется компенсация межсимвольных помех, вызванных ограничением полосы сигнала в приемной и передающей частях оборудования и трактом распространения. Здесь же производится компенсация межсимвольных помех от кроссполяризационной составляющей при использовании в системе поляризационного уплотнения, то есть при передаче на одной частоте информации двух стволов на разных поляризациях (ХДем, КАМ и ХАТЭ). После компенсации всех известных видов межсимвольных помех осуществляется регенерация сигнала и преобразование его в шесть потоков (три по синфазной и три по квадратурной составляющим), которые подаются на многоуровневый декодер.
В многоуровневом декодере производится обнаружение и исправление ошибок, после чего тактовые интервалы, соответствующие избыточным битам удаляются преобразователем скорости.
Дескремблер удаляет псевдослучайную последовательность, введенную в сигнал на передающей стороне скремблером.
Далее осуществляется выделение служебных сигналов из дополнительного заголовка радио цикла (RFCOH), после чего тактовые интервалы, соответствующие битам занятым служебными сигналами удаляются преобразователем скорости.
После многоуровневого декодера сигналы восьмью потоками поступают через переключатели модуля резервирования стволов на модуль обработки секционного заголовка мультиплексной секции радиорелейной линии (SOH MS2), где обрабатывается AU-указатель, детектируются коды BIP-8, BIP-24 и выделяются 15 байт с помощью которых передаются служебные сигналы (рисунок 2.3.3).
Потом сигнал поступает на модуль обработки секционного заголовка мультиплексной секции кабельной соединительной линии (SOH MS1), в котором осуществляется генерирование кодов BIP-8, BIP-24, скремблирование, преобразование восьми потоков в один и преобразование кода NRZ в код CMI.





















