Обработка связки соосных отверстий
17. Обработка связки соосных отверстий
3. Два соосных отверстия, параллельных плоскости
Пример конструкции показан на рис.8:

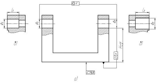
Рис.8 Два варианта конструкции
а – сквозные гладкие отверстия, могут быть разного диаметра
б – ступенчатые отверстия.
Один из вариантов обработки гладких отверстий показан на рис.9.

Рекомендуемые материалы
Рис.9 Схема обработки
Информация в лекции "Внешняя политика Украины" поможет Вам.
Конструкция детали позволяет провести обработку за одну операцию на токарном станке, используя борштангу с двумя резцами и приспособление, аналогичное показанному на рис.7.
Если размеры отверстий (малы) и габариты деталей не позволяют проводить такую обработку, то придется обрабатывать на поворотном приспособлении (см. рис.10).

Рис.10 Схема поворотного приспособления (механизм закрепления не показан) огрехи в чертеже
Приспособление состоит из планшайбы 10, прикрепленного к ней угольника 2, осевой системы с гайкой 3, фиксирующего механизма с пружиной 4 и поворотного столика 5.
Приспособление работает следующем образом. Поставим и закрепим деталь, обработали правое отверстие. Затем опускается гайка 3, выводится фиксатор из отверстия столика, столик поворачивается до тех пор, пока фиксатор не войдет в другое отверстие. Таким образом произойдет поворот детали на
и обрабатывается другое отверстие. Для выдерживании размера
приходится подрезать торец стойки





















