Трансформаторы
1.5. Трансформаторы
1.5.1. Основные соотношения для однофазного трансформатора
1.5.2. Холостой ход трансформатора
1.5.3. Режим нагрузки трансформатора
1.5.4. Эквивалентная схема и параметры приведенного трансформатора
1.5.5. Режим короткого замыкания трансформатора
1.5.6. Падение напряжения в трансформаторе и его КПД
1.5.7. Особенности работы трехфазных трансформаторов
1.5.8. Автотрансформатор
Рекомендуемые материалы
1.5.9. Измерительные трансформаторы
Трансформатором называется статический электромагнитный аппарат, передающий энергию из одной цепи в другую посредством электромагнитной индукции. Он применяется для различных целей, но чаще всего служит для преобразования напряжения и тока.
Трансформаторы бывают: силовые, измерительные, специального назначения. Кроме того, трансформаторы различаются по числу фаз на однофазные и трехфазные; по способу охлаждения на сухие и жидкостные.
Условные обозначения трансформаторов (рис 1.16):
![]() |

Рис.1.16. Условные обозначения трансформаторов: однофазного (а); трехфазного (б).
1.5.1. Основные соотношения для однофазного трансформатора

Трансформатор состоит из двух или более обмоток, расположенных на общем сердечнике, который для улучшения магнитной связи между обмотками изготавливается из ферромагнитного материала (рис. 1.17а).
а) б)
Рис.1.17. Устройство однофазного трансформатора (а) и его схема замещения (б).
При анализе электромагнитных процессов в катушке с сердечником мы выяснили, что при питании ее синусоидальным напряжением магнитный поток можно считать синусоидальным, несмотря на нелинейность зависимости B=f(H):
Ф=Фmsin
.
Этот поток сцеплен с двумя обмотками w1 и w2 и индуцирует в них ЭДС:
;
;
E1=4,44w1fФm; E2=4,44w2fФm..
Из последних двух выражений
. (1.23)
Величина
называется коэффициентом трансформации трансформатора.
При номинальной нагрузке КПД трансформатора достигает 98%. Это дает возможность считать одинаковыми первичную и вторичную полные мощности трансформатора:
S1=U1I1
S2=U2I2.
Тогда
. (1.24)
Как и в цепи катушки с ферромагнитным сердечником, заменим несинусоидальный ток трансформатора эквивалентным синусоидальным и, учитывая индуктивности рассеивания первичной обмотки Lр1 и вторичной обмотки Lр2:
xр1=
Lр1; xр2=
Lр2 ,
а также
R1 – активное сопротивление первичной обмотки;
R2 – активное сопротивление вторичной обмотки;
Zн – сопротивление нагрузки,
запишем уравнения для обеих цепей по 2-му закону Кирхгофа в комплексной форме (рис. 1.17б):
(1.25)
1.5.2. Холостой ход трансформатора
При холостом ходе трансформатора имеем
(1.26)
Первое из уравнений ничем не отличается от уравнения катушки с ферромагнитным сердечником. Следовательно, векторная диаграмма трансформатора (рис.1.18) в режиме холостого хода будет аналогичной векторной диаграмме катушки.

Рис.1.18.Векторная диаграмма трансформатора в режиме х.х.
Следует иметь ввиду, что на векторной диаграмме не отображены количественные соотношения между напряжениями I10R1, I10xр1 и ЭДС E1 и E2. На самом деле, напряжения I10R1, I10xр1 составляют всего несколько процентов E1. В свою очередь ток холостого хода I10 составляет всего от 10 до 4% номинального тока трансформатора. Поэтому с помощью опыта холостого хода определяется коэффициент трансформации:
. (1.27)
Этот коэффициент указывается на щитках трансформаторов как отношение высшего напряжения к низшему:
.
Мощность потерь в обмотках трансформатора в режиме холостого хода пренебрежимо мала, так как ток I10 достаточно мал. Все потери в этом режиме работы трансформатора определяются потерями в сердечнике.
1.5.3. Режим нагрузки трансформатора
Поток в магнитопроводе в режиме холостого хода трансформатора
. При подключении сопротивления нагрузки Zн во вторичной цепи появляется ток
. В соответствии с законом Ленца МДС
будет направлена так, чтобы ослабить поток
, который ее вызвал. Величина ЭДС E1
U1 и не зависит от режима работы трансформатора:
(
)
При E1= U1 компенсация уменьшения потока производится за счет увеличения тока
, в соответствии с равенством
. (1.28)
Из уравнения видно, что увеличение
приводит к увеличению
. В результате геометрическая сумма
остается постоянной и равной
. Последнее выражение можно записать как
, (1.29)
где
(1.30)
- составляющая первичного тока, уравновешивающая размагничивающее действие вторичного тока.
Таким образом, первичный ток равен векторной сумме тока холостого хода и приведенного вторичного тока. Ток холостого хода I10 составляет лишь несколько процентов от тока I1 в режиме номинальной нагрузки. Поэтому
или
,или
.
Уравнения для первичной и вторичной цепей трансформатора:
(1.31)
Построение векторной диаграммы начинают с вектора магнитного потока
. Вектор тока
опережает вектор магнитного потока
на угол магнитного запаздывания. Вектор
отстает от вектора
на
. Вектор
составляет угол
с ЭДС
(при условии индуктивного характера нагрузки вектор тока
будет располагаться в третьей четверти). Величина
, с учетом параметров вторичной обмотки трансформатора, определяется выражением
=arctg
. (1.32)
Чтобы построить вектор
необходимо из вектора
вычесть векторы
и
: из конца вектора
опускаем перпендикуляр на вектор
и откладываем -
, затем из начала вектора
проводим прямую, параллельную току
и откладываем вектор
-
. Полученную точку соединяем с началом координат. В результате получаем вектор напряжения на нагрузке
(рис. 1.19).

Рис.1.19. Векторная диаграмма трансформатора в режиме нагрузки.
1.5.4. Эквивалентная схема и параметры приведенного трансформатора
При расчетах необходимо сопоставить параметры первичной и вторичной цепей трансформатора. Если коэффициент трансформации велик, например, более 100, то изобразить векторные диаграммы первичной и вторичной цепей невозможно, т. к. при конкретных величинах векторов напряжении, токов и падений напряжений первичной (вторичной) цепи векторная диаграмма вторичной (цепи) вырождаются в точку. Эту проблему можно решить, если пользоваться приведенной схемой замещения трансформатора, в которой число витков вторичной обмотки равно числу витков первичной, но при этом не изменяются энергетические соотношения. Положим, что вторичная обмотка приводится к первичной, тогда
;
;
;
; (1.33)
;
;
. (1.34)
Так как реактивная мощность должна оставаться постоянной, то
;
. (1.35)
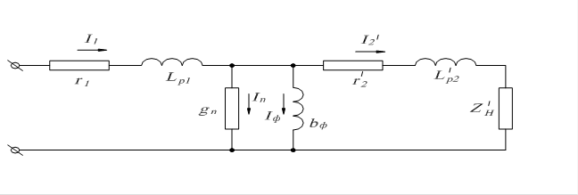
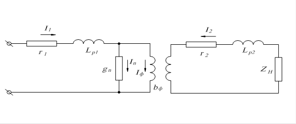
Эквивалентную схему замещения трансформатора (рис.1.20) заменяем схемой замещения приведенного трансформатора (рис.1.21).
Рис.1.20. Схема замещения трансформатора с учетом потерь в магнитопроводе.

; 
Рис.1.21. Схема замещения приведенного трансформатора с учетом потерь в магнитопроводе.
1.5.5. Режим короткого замыкания трансформатора
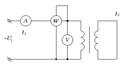
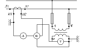
Режимом короткого замыкания называется режим, при котором вторичная обмотка замкнута накоротко. Если при опыте холостого хода определяются потери в сердечнике трансформатора, то при опыте короткого замыкания определяются потери в обмотках трансформатора. На первичную обмотку трансформатора подается напряжение такой величины, при которой ток в первичной цепи равен номинальному. При этом измеряется мощность, потребляемая трансформатором из сети, напряжение, ток (рис.1.22):

а)

б)
Рис.1.22. Схемы измерения тока, напряжения и мощности в режиме к. з. трансформатора (а), схема замещения приведенного трансформатора в режиме к.з. (б).
Величина Uк составляет 5-10% номинального напряжения. Так как поток прямо пропорционален напряжению питания трансформатора, а потери в сердечнике пропорциональны квадрату потока, то в режиме короткого замыкания потерями в сердечнике можно пренебречь. Током холостого хода также пренебрегают, так как его величина незначительна по сравнению с Iном. Поэтому gn и bф в схеме замещения трансформатора в режиме короткого замыкания отсутствуют.
Параметры трансформатора определяются выражениями:
(1.36)
1.5.6. Падение напряжения в трансформаторе и его КПД
Для определения напряжения на нагрузке трансформатора воспользуемся его упрощенной схемой замещения без намагничивающего контура (рис.1.23а):


a) б)
Рис.1.23. Схема замещения приведенного трансформатора без учета контура намагничивания (а) и его векторная диаграмма в режиме нагрузки (б).
Погрешность определения тока I1, вызванная таким упрощением, при нагрузках, близких к номинальной, составляет величину порядка 0,1%, что вполне допустимо. Обычно падение напряжения в трансформаторе определяется разностью вторичного напряжения трансформатора при холостом ходе U20 и
в режиме нагрузки в процентах по отношению к
:
U%=
%=
%.
При холостом ходе отсутствуют падения напряжения в обмотках трансформатора. Поэтому, приняв
, получим
U%=
%.
Эта величина называется относительной потерей напряжения. Ввиду того, что
можно приближенно за модуль
принять его проекцию на направление вектора
, т.е. отрезок
(рис.1.23б).
Тогда
.
Из рис.1.23б получаем:
;
U%=
%.
При номинальной нагрузке
Uн%=
%
или
Uн%=Ukacos
+ Ukr sin
,
где
Uka=
и Ukr=
% - активная и реактивная составляющие напряжения короткого замыкания в процентах от U1н.
Для относительного падения напряжения, соответствующего току I1 получаем
, (1.37)
где:
– коэффициент нагрузки.
Так как
, (1.38)
а
,
,

Рис.1.24. К расчету формулы 1.38.
то
(1.39)
Окончательно имеем
, (1.40)
где
. (1.41)

Рис.1.25 Внешняя характеристика трансформатора.
Высокие значения КПД трансформатора не позволяют определить его с достаточной точностью путем непосредственного измерения мощности, потребляемой от сети
и мощности, отдаваемой нагрузке
. Поэтому, согласно требованиям ГОСТа, его вычисляют косвенным методом по данным опытов холостого хода и короткого замыкания. Точность этого метода приемлема для практики.
Зависимость активной мощности трансформатора
от коэффициента нагрузки b может быть выражена следующим образом:
. (1.42)
При опыте холостого хода ток I10 невелик, и потерями мощности в первичной обмотке можно пренебречь. Следовательно, с достаточной степенью точности можно считать, что потери в сердечнике трансформатора определяются мощностью, потребляемой из сети при номинальном напряжении сети:
.
Из схемы замещения (без учета тока намагничивания) трансформатора имеем для режима к. з.:
.
Коэффициентом полезного действия трансформатора называют отношение отдаваемой мощности к мощности, потребляемой из сети:
;
;
. (1.43)
1.5.7. Особенности работы трехфазных трансформаторов
Все соотношения, которые мы получили для однофазных трансформаторов, справедливы и для трехфазных трансформаторов, точнее для одной фазы трансформатора, нагруженного симметрично.
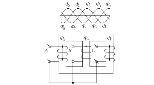
Возьмем три однофазных трансформатора и подключим их к трехфазной цепи (рис.1.26).

Рис.1.26. Трехфазный трансформатор, состоящий из трех однофазных.
В результате на выводах a,b и c получим три фазных напряжения (по отношению к выводу 0)
и
Величина этих напряжений определяется отношением
- коэффициентом трансформации трансформатора. Вместо трех однофазных трансформаторов можно взять один трехфазный (рис.1.27а).
а) б)


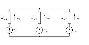
Рис.1.27. Устройство трехфазного трансформатора (а) и его схема замещения магнитной цепи (б).
На каждый из стержней магнитопровода наматывается одна первичная обмотка и одна или несколько вторичных обмоток трансформатора. Магнитное сопротивление
отличается от магнитных сопротивлений
и
(рис. 1.27б), что приводит к некоторой асимметрии намагничивающих токов. Однако эту асимметрию в основных соотношениях каждой из фаз для симметричного режима работы трансформатора можно не учитывать. Трансформаторная группа из трех трансформаторов дороже, чем трехфазный трансформатор той же мощности, она занимает больше места и ее КПД ниже. Но в случае аварии в группе трансформаторов, как правило, выходит из строя лишь один из трех трансформаторов. Таким образом, группа из трех трансформаторов обеспечивает большую эксплуатационную надежность. Большинство трансформаторов малой и средней мощности выполняются трехфазными. Начиная с мощности 3 x 600 = 1800 кВА, допускается применение трех трансформаторов, вместо одного.
Обмотки трансформатора соединяются звездой (Y) или треугольником (
). Соединение обмоток звездой целесообразнее при больших питающих напряжениях и малых токах. При больших токах применяют соединение треугольником. При больших напряжениях питающей сети и больших токах нагрузки наиболее целесообразный способ соединения обмоток трансформатора - (Y/
) (рис.1.28). Отношение
всегда равно
трансформатора, а отношение линейных напряжений зависит от способа соединений обмоток трансформатора. Изменяя способ соединения обмоток трансформатора, можно регулировать выходное напряжение.
Согласно закону Ленца ток
должен иметь противоположное току
направление. При этом ток и напряжение на нагрузке могут совпадать по фазе с первичным током и напряжением или быть с ними в противофазе (рис.1.29).

Рис.1.28. Соединение трехфазного трансформатора по схеме: Y/

Рис.1.29. К определению направления тока во вторичной обмотке трансформатора.
Все многообразие способов соединений согласно ГОСТ делится на 12 групп. При определении номера группы (рис.1.30) минутная стрелка часов устанавливается на цифре 12 и с ней совмещается вектор линейного высшего напряжения, а часовая стрелка
совмещается с вектором линейного низшего напряжения. Отсчет угла производится от минутной стрелки к часовой по направлению их вращения.

группа11
Рис.1.30. К определению номера группы трансформатора.
1.5.8. Автотрансформатор
Автотрансформатор (рис. 1.31) имеет одну обмотку – обмотку высшего напряжения.
Обмотка низшего напряжения является частью обмотки высшего напряжения.
. (1.44)

Рис. 1.31. Принципиальная схема автотрансформатора.
Часть обмотки
можно выполнить тонким проводом, т. к. через нее протекает ток примерно равный разности величин
, которая мала по сравнению с токами
и
. Это позволяет снизить габариты автотрансформатора по сравнению с трансформатором такой же мощности. Полная расчетная мощность общей части обмотки:
. (1.45)
Полная расчетная мощность остальной части обмотки:
. (1.46)
Так как
,
то
. (1.47)
Расчетная мощность трансформатора:
. (1.48)
При одной и той же передаваемой мощности:
. (1.49)
Чем ближе
к
, тем выгоднее применение автотрансформатора. На практике
¸
.
1.5.9. Измерительные трансформаторы
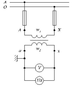
Измерительные трансформаторы применяются для изоляции измерительных приборов от высокого напряжения и расширения пределов измерения вольтметров и амперметров (рис.1.32).

Рис.1.32. Схема включения измерительного трансформатора напряжения.
Измерительные трансформаторы делятся на трансформаторы напряжения и трансформаторы тока. Соединение обмоток по группе 12.
Вторичное номинальное напряжение у всех трансформаторов напряжения согласно ГОСТ равно 100 В.
До 6 кВ трансформаторы напряжения изготавливаются сухими, т.е. с естественным охлаждением. Свыше 6 кВ трансформаторы напряжения изготавливаются жидкостными.
Измерительные приборы, работающие с измерительными трансформаторами, градуируются с учетом коэффициента трансформации
.
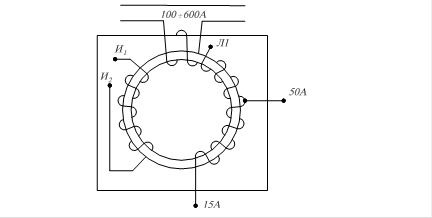
Трансформатор тока со стороны первичной обмотки включается как амперметр (рис. 1.33а).


а) б)
Рис. 1.33. Схема включения измерительного трансформатора тока (а)
и его устройство (б).
Рекомендуем посмотреть лекцию "14 Механизм разрешения споров в международном праве".
;
. (1.50)
При большой величине сопротивления в измерительной цепи нарушается это приближенное равенство и точность показаний прибора, обмотка которого питается от измерительной цепи трансформатора тока, ухудшается.
Чем меньше магнитное сопротивление магнитной цепи, тем меньше (согласно закону Ома для магнитной цепи) должен быть ток намагничивания
для создания потока
, определяющего необходимую величину
. Вместе с тем уменьшается и величина тока
, при которой выполняется приближенное равенство с требуемой точностью. Поэтому сердечник трансформатора тока обычно выполняется из материала с высокими магнитными характеристиками, например пермаллоя (рис. 1.33б).
Нельзя размыкать измерительную цепь трансформатора тока, т. к. ток намагничивания
резко увеличивается, вызывая резкое увеличение, до 1,5 кВ, выходного напряжения, что очень опасно для обслуживающего персонала.
Показания ваттметра необходимо умножить на два коэффициента:
- коэффициент трансформации трансформатора напряжения и
- коэффициент трансформации трансформатора тока:
. (1.51)






















