Детекторы
Раздел 3. Детекторы. Регулировки.
РПрУ различного назначения.
Глава 7. Амплитудные детекторы и ограничители
7.1 Основные характеристики амплитудных детекторов
Амплитудный детектор (АД) – устройство, на выходе которого создаётся напряжение в соответствие с законом модуляции амплитуды входного гармонического сигнала. Если на входе АД действует напряжение
uвх=UH(1+mcosWt)coswct, модулированное по амплитуде колебанием с частотой
(UH – амплитуда несущей, m- индекс модуляции), то график изменения этого напряжения во времени и его спектр имеют вид, показанный на рис. 7.1а. Напряжение на выходе детектора Ед и его спектр приведены на рис. 7.1б.
В зависимости от способа выполнения АД можно подразделить на синхронные детекторы, использующие линейную цепь с периодически меняющимися параметрами (схема аналогична схеме ПрЧ с гетеродином, частота и фаза которого совпадают с частотой и фазой сигнала) и детекторы на основе нелинейной цепи (наиболее часто используются диодные АД).
Коэффициент передачи АД (см. рис. 7.1)
.
![]() |
Основной характеристикой АД является детекторная характеристика, показывающая зависимость выпрямленного напряжения детектора от амплитуды высокочастотного напряжения, подводимого ко входу (рис. 7.2).
Очевидно, для детектирования без искажений детекторная характеристика должна быть линейной. В этом случае по её наклону можно определить коэффициент передачи Кд.
7.2 Диодный АД. Принцип работы
![]() |
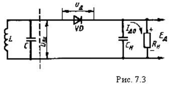
Схема последовательного АД (нагрузка и диод включены последовательно) приведена на рис. 7.3. Принцип работы диодного АД можно пояснить с временной или спектральной точек зрения.
Временная трактовка принципа работы АД
Рекомендуемые материалы
Пусть на вход АД поступает гармоническое напряжение с медленно меняющейся амплитудой
(рис. 7.4). Если напряжение uвх положительно, то диод открывается и конденсатор нагрузки Сн начинает заряжаться. Постоянная времени заряда tз мала, так как определяется ёмкостью Сн и малым сопротивлением открытого диода.
Согласно рис. 7.3 напряжение на диоде uд=uвх-Ед и в момент времени t1 диод закрывается (uвх<Ед), а конденсатор начинает разряжаться через резистор Rн. Постоянная времени разряда конденсатора tр=RнСн>>tз, поэтому разряд Сн происходит значительно медленнее, чем его заряд. Разряд конденсатора Сн продолжается до момента времени t2, при котором uд=0, далее диод снова открывается и конденсатор Сн начинает заряжаться. В результате на выходе АД создаётся продетектированное напряжение Ед, имеющее пульсирующую составляющую с частотой сигнала. Уровень пульсаций мал, если 
Спектральная трактовка принципа работы АД
На рис. 7.5 показан характер изменения тока диода при постоянной амплитуде детектируемого сигнала в установившемся режиме.
Пренебрегая пульсациями, считаем, что напряжение на выходе детектора Ед постоянно во времени (Uн=const) и обуславливает отрицательное напряжение смещения на диоде, относительно которого прикладывается uн. ВАХ диода iд=F(uд) для простоты рассмотрения аппроксимирована линейно-ломанной зависимостью с нулевым обратным током. Ток через диод iд протекает при открытом

диоде и представляет собой синусоидальные импульсы с углом отсечки q<900. В этом токе (как в любой периодической функции ) содержится постоянная составляющая Iдо и высокочастотные составляющие с частотами fc, 2fc… Очевидно, постоянная составляющая протекает через сопротивление нагрузки Rн (по цепи: D – Rн – L – D), создавая на ней выпрямленное напряжение Ед=IдоRн, а высокочастотные составляющие замыкаются через Сн (по цепи D - Сн – LC контур – D). Если uвх – АМ-колебания, то напряжение Ед изменяется в соответствии с законом изменения огибающей входного напряжения.
Анализ детектора с идеализированной линейно-ломанной ВАХ показывает, что коэффициент передачи диодного детектора
Кд=cos q,
где при Sобр=0, q
(Sпрям и Sобр – крутизна прямого и обратного токов соответственно). Характеристика детектирования Ед=Uнcosq в данном случае прямолинейна и детектирование осуществляется без искажений.
Из других параметров следует обратить внимание на входное сопротивление АД, характеризующее его шунтирующее действие на источник сигнала. Можно показать, что при линейно-ломанной аппроксимации диода с Sобр=0 и при малых q входное сопротивление последовательного АД
, а параллельного АД, у которого нагрузка включена параллельно диоду, соответственно
.
7.3 Искажения при детектировании АМ – колебаний
1. Искажения из-за нелинейности характеристики детектирования. Характеристика детектирования реальных АД отличается от прямолинейной на начальном участке (рис. 7.6).
Искажения этого вида будут отсутствовать, если минимальное напряжение на входе детектора не попадёт в нелинейную область, т.е.
. Для выполнения этого условия нужно, чтобы амплитуда несущего колебания на входе АД
.
2. Искажения из-за большой постоянной времени нагрузки tн. Рис. 7.7 поясняет механизм возникновения нелинейных искажений, вызванных слишком большой постоянной времени tн. При этом в интервале времени t1-t2 напряжение Ед>Uвх, диод закрыт и скорость разряда конденсатора Сн меньше скорости спадания напряжения Uвх. Условием отсутствия искажений является
, где W - высшая угловая частота модуляции.
3. Искажения из-за соизмеримости частоты модуляции F и частоты несущего колебания fн. При соизмеримости частот F и fн напряжение Ед практически перестаёт следить за изменением Uвх. Поэтому частоту несущей следует выбирать из условия fн=fпр>(5-10)Fmax, где Fmax – максимальная частота модуляции.
4. Искажения из-за влияния разделительной цепи. Схема АД с разделительной цепью Ср Rвх показана на рис. 7.8. Напряжение Ед на резисторе Rн содержит постоянную составляющую Едо, соответствующую уровню продетектированной несущей и переменную низкочастотную составляющую, соответствующую передаваемому сообщению. Переменная составляющая проходит на вход следующего каскада (УНЧ) через цепь Ср Rвх. На конденсаторе Ср выделяется постоянная составляющая Едо=Uнcosq, где cosq - коэффициент передачи АД, Uн – амплитуда несущей напряжения на входе АД. Конденсатор Ср становится источником постоянного напряжения и вызывает ток Iсм, создающий на Rн запирающее напряжение
. Детектор становится пороговым. Для борьбы с искажениями нужно выполнить условие:
, что при заданных Rн и m сводится к правильному выбору
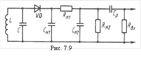
. Кроме того, используют детектор с раздельной нагрузкой (рис. 7.9), в котором сопротивление
нагрузки по постоянному току Rн=Rн1+Rн2. Смещение заметно уменьшается, так как создаётся только на Rн2. Однако во столько же раз снижается и коэффициент передачи Кд.
7.4 Виды ограничителей
Ограничителем называют устройство, обеспечивающее постоянство выходного напряжения при изменении входного в определённых пределах. Ограничители подразделяются на ограничители мгновенных значений и амплитудные. В ограничителях мгновенных значений обеспечивается постоянство максимальных или минимальных (или тех и других) значений на выходе ограничителя. На рис. 7.10 показаны сигналы на входе и выходе двухпорогового ограничителя. При превышении сигнала на входе некоторого порогового уровня Uпор.max, напряжение на выходе остаётся постоянным. Аналогично, если уровень сигнала на входе ниже Uпор.min, то напряжение на выходе также постоянное (в частности, нулевое).
Амплитудные ограничители (АО) служат для ограничения гармонических колебаний с медленно меняющейся амплитудой. Диаграммы соответствующих напряжений поразаны на рис.7.11. Напряжение на выходе АО постоянно по амплитуде, однако фаза и частота сигнала при ограничении практически не изменяются. Такие ограничители используются для устранения паразитной АМ и не вносят искажений в частотную и фазовую модуляции. АО применяются в РПрУ перед детекторами угловой модуляции (частотными и фазовыми) для устранения паразитной АМ, которая обязательно возникает в результате прохождения сигналов с угловой модуляцией через радиотракт с неидеальной АЧХ. При отсутствии АО паразитная АМ будет передана на выход детектора с угловой модуляцией, реагирующей на любые изменения амплитуды (см. ниже). Операция ограничения – нелинейная и для обеспечения на выходе АО гармонического напряжения нужно после нелинейного преобразования uвх осуществить фильтрацию (рис. 7.12).
В зависимости от вида нелинейной цепи АО подразделяются на диодные и транзисторные.
7.5. Диодные АО
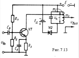
Диодный АО (рис. 7.13) - это резонансный однокаскадный усилитель, в котором параллельно контуру подключен диод с источником постоянного запирающего смещения Ед (схема с фиксированным смещением). Вместо источника можно включить параллельную RC – цепь (схема с автоматическим смещением). Напряжение Ед получается при этом за счёт детектирования напряжения на контуре Uк. Чтобы Ед практически не менялось при изменении огибающей напряжения на контуре постоянная времени t=RC выбирается достаточно большой (по сравнению с периодом паразитной АМ).

Принцип работы диодного АО: Если амплитуда напряжения на контуре Uk<Eд, то диод закрыт и не оказывает влияния на контур. В этом случае устройство работает как усилитель с коэффициентом усиления
(рис. 7.14). Если Uk > Ед, то диод открывается, его входное сопротивление начинает шунтировать контур, (и шунтирует его тем больше, чем больше угол отсечки q), его эквивалентное сопротивление Rэ уменьшается, следовательно, снижается коэффициент усиления. Отметим, что снижение коэффициента усиления Ко при увеличении Uвх происходит до тех пор, пока увеличивается шунтирующее действие диода, т.е. возрастает угол отсечки q. (При Uвх>>Ед q»90о). На рис. 7.14 представлена основная зависимость, характеризующая работу АО – амплитудная характеристика (АХ), показывающая как изменяется амплитуда выходного напряжения Uвых ~Uk при изменении амплитуды входного напряжения Uвх.
Чтобы приблизить АХ к идеальной, следует выбирать диод с возможно большей крутизной, а контур с большим эквивалентным резонансным сопротивлением Rэ или включать в параллель два диода (для увеличения их шунтирующего действия).
7.5 Транзисторные АО
Существует несколько разновидностей транзисторных АО. Простейший выполнен на одном транзисторе и схема его совпадает со схемой усилителя (апериодического для ограничителя мгновенных значений или резонансного для АО). В отличие от усилителя транзистор АО работает в нелинейном режиме, для чего коллекторное напряжение Uкэо берут меньше чем в обычном усилителе. Процесс двустороннего ограничения иллюстрируется на рис. 7.15.
![]() |
Вопросы для самопроверки
1. На основе каких компонетов можно реализовать амплитудный детектор?
2. Поясните принцип действия синхронного АД.
3. Объясните принцип действия диодного АД с временной и спектральной точек зрения.
4. Как определяется, чему равен и от каких параметров зависит коэффициент передачи диодного АД с линейно – ломаной ВАХ без начального смещения?
Информация в лекции "7 Нормы и институты банковского права" поможет Вам.
5. От каких параметров зависит входное сопротивление последовательного диодного АД и почему оно меньше у параллельного АД?
6. Какие искажения возникают при детектировании АМ – колебаний и способы борьбы с ними?
7. В чём разница между ограничителем мгновенных значений и амплитудным ограничителем?
8. По какой характеристике оценивается действие амплитудных ограничителей и как выглядит идеальная характеристика?
9. Поясните принцип работы диодных и транзисторных АД.
10. Что такое детекторная характеристика АД? Как оно зависит от сопротивления нагрузки и почему?

























