Rc-генераторы
Rc-генераторы.
Генераторы с двойным Г-образным мостом (цепью Винна). Мост должен включаться в цепб ПОС.

![]() |
Для выполнения балансировки амплитуд:
Для коррекции выходного сигнала иногда вместо R2, включают в цепь ООС нелинейные элементы (теристоры).
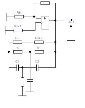
RC-генераторы с двойным Т-образным мостом.
Двойной Т-образный мост должен работать на высокоомную нагрузку, поэтому в качестве усилителя необходимо использовать ОУ с полевыми транзисторами на входе.
Стабилизации частоты генераторов.
Рекомендуемые материалы
Стабильность частоты зависит от температуры, разброса параметров элементов, направления источника питания.
Нестабильность частоты – отношение абсолютного значения изменения частоты к частоте резонанса:
∆ω/ωо (%)

Если Вам понравилась эта лекция, то понравится и эта - 65 Ультразвуковая диагностика трикуспидального клапана и клапана легочной артерии.
Методы повышения стабильности.
- параметрические (подбор элементов мало зависит от частоты);
- кварцевая стабилизация (состоит в применении кварцевых резонаторов).
Rкв, Cкв – малы, Q – высокая.
![]() |


























