Задача анализа цепи. Законы Кирхгофа
1.5. Задача анализа цепи. Законы Кирхгофа.
Задача анализа электрической цепи формулируется следующим образом: заданы схемы электрической цепи со значениями всех ее элементов, а также напряжения и токи источников, действующих в цепи, требуется найти токи в ветвях и напряжения на элементах цепи. Для определения искомых токов и напряжений необходимо составить уравнения цепи, которые определяются только геометрической конфигурацией и способами соединения элементов цепи. Эти уравнения составляются на основе двух законов Кирхгофа, которые связывают токи ветвей, сходящихся в узлах, и напряжения элементов, входящих в контуры.
Первый закон Кирхгофа, выражающий закон сохранения заряда, формулируется так: в любой момент алгебраическая сумма токов ветвей, сходящихся в узле электрической цепи, равна нулю.

(1.12)
Знак тока ,при записи первого закона Кирхгофа, определяется выбором положительных направлений токов ветвей: например, токам, входящим в узел, приписывают условно знак плюс, а токам, выходящим из узла - знак минус. Так, для узла изображенного на рис. 1.10.
Второй закон Кирхгофа, выражающий закон сохранения энергии, формулируется следующим образом: в любой момент алгебраическая сумма напряжений в ветвях контура равна нулю.
(1.13)
Рис 1.10 Суммирование напряжений производится с учетом их положительных направлений и выбранного направления обхода контура. Если положительное направление напряжения ветви совпадает с напряжением обхода контура, то оно входит в (1.13) со знаком плюс, в противном случае – со знаком минус.
Часто используется другая формулировка второго закона Кирхгофа: алгебраическая сумма э.д.с. источников, действующих в контуре, равна алгебраической сумме напряжений на элементах контура.
Рекомендуемые материалы
(1.14)
При этом напряжения на элементах контура и э.д.с. источников входят в уравнение (1.14) со знаком плюс, если их положительные направления совпадают с направлением обхода контура, в обратном случае слагаемые в (1.14) берутся со знаком минус. Например, для схемы (рис 1.11) при обходе по
часовой стрелке уравнение второго закона Кирхгофа запишется следующим образом:

Для разветвленной цепи, содержащей q узлов и k ветвей, при определении неизвестных токов следует составить k уравнений по первому и второму законам Кирхгофа, т.к. число неизвестных токов
Рис 1.11 равно числу ветвей цепи. Причем число уравнений, составленных по первому закону Кирхгофа, равно (q-1), а число уравнений, составленных по второму закону Кирхгофа, - (k-(q-1)).
Уравнение второго закона Кирхгофа может быть записано для участка цепи между точками «а» и «b» (см. рис. 1.12). При этом контур замыкается по стрелке, указывающей положительное направление напряжения между точками «a» и «b»

(1.15)
Таким образом можно всегда определить напряжение между двумя любыми точками электрической цепи.
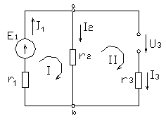
Пример 1.1. Записать уравнения по законам
Рис 1.12 Кирхгофа для расчета токов цепи, представленной на рис. 1.13. 
Информация в лекции "13. Организация взаимодействия и полномочия" поможет Вам.
Решение.
Цепь содержит 3 ветви и два узла: «a» и «b», следовательно, по первому закону Кирхгофа составим одно уравнение, а остальные два – по второму закону Кирхгофа. Выбрав положительные направления токов I1, I2, I3 такими, как показано на рисунке 1.13, и обходя контур I и II по часовой стрелке, получим Рис 1.13



После решения и подстановки числовых значений полученные результаты могут быть либо положительными, либо отрицательными. В случае отрицательного значения действительное направление тока будет противоположным указанному на рисунке.






















