Лекция 3 - Уравнения и передаточные функции
Лекция № 3
Тема:
Уравнения и передаточные функции разомкнутых импульсных систем.
План лекции:
1. Эквивалентная схема разомкнутой импульсной системы.
2. Уравнения разомкнутой импульсной системы.
3. Передаточная функция разомкнутой импульсной системы.
1. Эквивалентная схема разомкнутой импульсной системы.
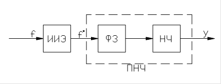
Рассмотрим простейшую разомкнутую импульсную систему, состоящую из амплитудно-импульсного элемента и непрерывной части. Импульсный элемент может быть представлен в виде последовательного соединения идеального импульсного элемента и экстраполятора. Таким образом, импульсная система всегда может быть приведена к соединению ИИЭ и непрерывных звеньев, как это показано на рис.8.
При таком представлении используют понятие приведенной непрерывной части (ПНЧ), состоящей из собственно непрерывной части, последовательно соединенной с формирующим звеном ИЭ. Передаточная функция ПНЧ определяется выражением
.
ПНЧ также может исчерпывающим образом характеризоваться своей весовой функцией
Рекомендуемые материалы

![]() |
Рис. 8
2. Уравнения разомкнутой импульсной системы.
В соответствии с определением ИИЭ имеем
. (6)
Выходной сигнал в силу свойства линейности можно рассматривать как сумму реакций приведенной непрерывной части на модулированную последовательность d–функций (6). В соответствии с известной формулой для непрерывных линейных систем при нулевых начальных условиях получим

или с учетом формулы (6)
(7)
Так как весовая функция
, рассматриваемая по аргументу t, удовлетворяет условию

то

Таким образом, оба сомножителя под знаком интеграла отличны от нуля только при выполнении условия
. Для этих значений к в силу фильтрующего свойства d-функции найдем
(8)
Так как имеет смысл рассматривать только значения к, не превосходящие n, то в выражении (7) можно заменить верхний предел суммирования. Окончательно с учетом формулы (8) получим
(9)
При этом в дискретные моменты времени t=nT , n=0,1,… будем иметь
. (10)
Уравнение (10) представляет собой уравнение импульсной системы во временной области, позволяющее определить выходной сигнал системы при известном входном воздействии.
3. Передаточная функция разомкнутой импульсной системы.
3апишем теперь уравнения разомкнутой системы в изображениях. Применим к зависимости (10) Z-преобразование, С учетом свойств Z-преобразования найдем
, (11)
где Y(z)=Z{y[nT]}, F(z)=Z{f[nT]},W(z)=Z{w[nT]}.
Определим Z -передаточную функцию импульсной системы как отношение Z -преобразования выходной величины к Z -преобразованию входной величины при нулевых начальных условиях:
.
Из уравнения (11) следует, что Z -передаточная функция разомкнутой импульсной системы равна Z -преобразованию дискретной весовой функции w[nT] ПНЧ. т.е.
. (12)
Формула (12) используется при вычислении Z -передаточных функций разомкнутых импульсных систем.
Иногда возникает необходимость определить реакцию системы в смещенные дискретные моменты времени
. Подставив в зависимость (9)
,
получим
Диагностика осложнений острого панкреатита - лекция, которая пользуется популярностью у тех, кто читал эту лекцию.

(13)
Перейдя к уравнению в изображениях, найдем
(14)
Здесь изображения
соответствуют модифицированному Z-преобразованию решетчатых функций
,
. Уравнению (14) соответствует передаточная функция
,
cвязывающая модифицированное Z-преобразование выходного сигнала и обычное Z-преобразование входной переменной. При изменении параметра
от 0 до 1 зависимости (13), (14) позволяют определить значение выходной величины в любой промежуточный момент времени.























