Лекция 3
Лекция № 3.
САР по контролируемым возмущениям
Принцип действия этих систем базируется на принципе компенсации контролируемых возмущений.
Суть этого принципа: в системе непрерывно измеряется контролируемое возмущение, оценивается его отклонение от базового уровня внешнего воздействия и при известной модели каналов преобразования контролируемых возмущений, рассчитывается эффект влияния этих отклонений на регулируемую переменную. При этом базовый уровень контролируемого внешнего воздействия Wк0 должен однозначно соответствовать заданному значению Y*. Затем вырабатывается регулирующее воздействие, направленное на полную компенсацию этого рассчитанного заранее эффекта влияния возмущений на регулируемую переменную. Таким образом, эффекты контролируемых возмущений компенсируются внутри объекта, не дожидаясь отклонений регулируемой переменной под действием возмущений.
Возникает вопрос, когда и при каких условиях такого рода системы регулирования могут полностью компенсировать контролируемые возмущения.
Ответ: при выполнении следующих условий:
τu ≤ τw – запаздывание по каналам преобразования регулирующих воздействий меньше либо равно запаздыванию по преобразующим каналам контролирующих возмущений;
Тu ≤ Тw – постоянная времени по каналу регулирования меньше либо равно постоянной времени по каналу преобразования контролирующих возмущений.
Теоретически такое регулирование обладает тем преимуществом по сравнению с регулированием по обратной связи, что оно действует с опережением по сравнению с последним. Поэтому теоретически при наличии контролируемых возмущений такой способ решения является более эффективным, однако имеются серьезные ограничения на область эффективного его применения.
Рекомендуемые материалы

w0 – действительные значения возмущений;
wк – контролируемые возмущения.
Особенность этой структуры в том, что она является разомкнутой по выходу объекта.
Rw – регулятор по возмущениям.
W(t) = W 0(t) + w(t);
Для функционирования такой САР необходимо иметь:
1. wk(t) – измеренное значение контролируемого возмущения;
2. φw{٠} – функциональную модель канала преобразующих возмущений;
3. u(t) – регулирующее воздействие;
4. φu{٠} – модель канала преобразования регулирующих воздействий.
Регулирующее воздействие в регуляторе Rw, которое в общем виде записывается посредством выражения 5. Это выражение получено исходя из условия 3, которое отражает равенство эффектов влияния контролируемых возмущений 1 и регулирующих воздействий 2. Учитывая выражения 1, 2 условие 3 можно записать в виде 4, откуда путем преобразования можно получить закон регулирования 5.
yw(t) = φw{wk(t)} (1);
yu(t) = φu{u(t)} (2);
yu(t) = - yw(t) (3);
φu{u(t)} = - φw{wk(t)} (4);
u(t) = - φw φu-1{wk(t)} (5);
где φu-1 – обратная модель канала преобразования регулирующих воздействий.
Сформулируем условия, которые определяют область эффективного применения:
1) отсутствие неконтролируемых возмущений: w0=wk.
2) измерения регулирующих воздействий и контролируемых возмущений информационной системы должны быть безошибочными.
3) регулирующее воздействие u(t) должно рассчитываться без ошибок, другими словами модели φw{٠} и φu{٠} должны быть точными.
4) Динамика каналов преобразования регулирующих воздействий и контролируемых возмущений должна быть такой, чтобы регулирующие воздействия могли полностью подавлять эффекты контролируемых возмущений.
Если модели этих каналов точно аппроксимированы моделью инерционного звена первого порядка с запаздыванием, то τu ≤ τWк, Тu ≤ TWк.
Оценивая область эффективного применения такой структуры, можно отметить, что она существенно меньше области фактического регулирования с обратной связью.
Несмотря на указанные недостатки область эффективного применения САР по контролируемым возмущениям, ее целесообразно применять при выборе структуры систем регулирования технологических объектов, так как подавляющее большинство промышленных объектов адекватно представляется с помощью следующей структуры:

Теоретически для такой структуры объекта регулирования целесообразно применять комбинированные системы. Однако практически необходимо всегда при реализации комбинированной системы оценивать эффективность контура регулирования по контролируемым возмущениям.
Приведем две структуры комбинированных САР:
1. 


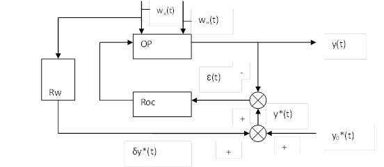
Структура параллельно работающих контуров по отклонениям и по возмущениям.
Рекомендуем посмотреть лекцию "15. Математический аппарат описания дискретных систем".
Данная структура часто встречается на практике, она является эффективной и работоспособной практически во всех случаях.
Эта система работает эффективнее чем любая из ее составляющих, потому что она будет компенсировать и контролируемые и неконтролируемые возмущения, в то время как система по контролируемым возмущениям будет компенсировать только контролируемые возмущения, а система по отклонению будет регулировать только неконтролируемые возмущения. Данная система более работоспособна при большом количестве контролируемых возмущений.
2. Комбинированная система регулирования каскадного типа.

Система регулирования каскадного типа используется для тех объектов, для которых система регулирования, состоящая из двух параллельно работающих контуров оказалась неработоспособной. Например методическая нагревательная печь температура выдачи металла в которой является контролируемым возмущением. Если она обслуживает сортовой прокатный стан производительность которого может меняться в пределах ±25% (в среднем), то такие же колебания производительности будут у этой нагревательной печи. Следовательно, темп выдачи металла также будет меняться в этих диапазонах, при этом будет меняться время нахождения заготовок в печи, и соответственно будет меняться температура нагрева заготовки. При увеличении темпа выдачи температура будет ниже заданной, а при уменьшении – выше. Для такого объекта регулирования система с параллельно работающими контурами будет неэффективной, так как оба контура вступят в противоречие с друг другом. Если температура возрастает регулятор по возмущениям увеличивает подачу газа, но так как у* не изменилось, регулятор по отклонению будет уменьшать подачу газа. Поэтому здесь эффективное регулирование может быть в случае, когда выход контура регулятора по контролируемым возмущениям будет направлен на изменение задания контура регулирования по отклонению. В этом случае логика функционирования такой комбинированной системы будет соответствовать реальной ситуации на объекте. При повышении темпа прокатки температура в печи будет повышаться не дожидаясь ее отклонения от задания и наоборот.
В этой САР сигнал на выходе регулятора по контролируемым возмущениям вырабатывается как коррекция к задающему воздействию регулятора обратной связи.





















