Эквивалентные схемы вращательных механических систем
Эквивалентные схемы вращательных механических систем.
В таких схемах базовый узел, как правило, соответствует неподвижной (невращающейся) части объекта. Ветвь, изображающая момент инерции, включается между базовым узлом и узлом, через который осуществляется взаимодействие тела с данным моментом инерции с телами, находящимися с ним на одной оси вращения.
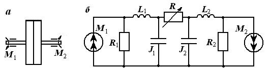
Пример модели муфты сцепления автомобиля.
Примером, когда ветвь типа R включается между двумя небазовыми узлами, может служить эквивалентная схема муфты сцепления автомобиля, составленная для вращательного движения (рис. 6, б). На рис. 6, а схематично изображена муфта сцепления.

Рис. 6. Схематичное изображение муфты сцепления (а) и ее эквивалентная схема (б).
Лекция "11.6 Художественная культура Нового времени" также может быть Вам полезна.
На рис. 6 М1 - момент на входном валу; М2 - нагрузка на выходном валу муфты; R1 и R2 - коэффициенты трения в подшипниках; L1 и L2 - крутильные гибкости валов;
и
- моменты инерции ведущего и ведомого дисков муфты;
- коэффициент трения между дисками сцепления.
При составлении эквивалентных схем вращательных механических систем особое внимание следует обратить на направление источников моментов и скоростей. На рис. 7, а представлен случай, когда моменты М1 и М2 противодействуют друг другу, а на рис. 7. б - случай, когда моменты М1 и М2 действуют в одном направлении.

Рис. 7. Схемы встречного включения источников момента (а) и согласного включения источников момента (б).
Примечание. Аналогичное замечание справедливо и для источников силы в механических поступательных подсистемах.






















