Примеры расчета зажимных усилий
3. Примеры расчета зажимных усилий.
Расчет устройства, предупреждающего смещение заготовки под действием силы.
1)
Силы резания Р и силы зажима Q одинаково наравлены и действуют на опоры.
При постоянном значении Р сила Q = 0. Этой схеме соответствует протягивание отверстий, обтачивание в центрах, цекование бобышек и др.
2) Сила резания Р направлена против зажимного усилия.
,
где k – коэффициент запаса > 1.

3) Сила резания стремится сдвинуть заготовку с установочных элементов.
Эта схема характерна для тех случаев, когда подача инструмента меняется в разных направлениях: маятниковое фрезерование, фрезерование замкнутых контуров и т.д. Смещение заготовки предупреждается силами трения, возникающими в местах контакта заготовки с установочными и зажимными элементами.
,
Рекомендуемые материалы
где f1 и f2 – коэффициенты трения заготовки с установочными и зажимными элементами.
С учетом коэффициента запаса k > 1, получим:

коэффициент трения f2 принимается при контакте с опорными пластинами 0,1 – 0,16. Если поверхность заготовки не обработана, при контакте со сферическими штырям f2 = 0,2 – 0,3. При контакте с рифлеными опорами или кулачками f2 до 0,7 в зависимости от рисунка рифлений и глубины.
4)
Усилия резания направлены на опоры (Р1) и одновременно сдвигают деталь по установочным элементам.



5) Сила резания Р1 направлена против зажимного усилия и одновременно сдвигает заготовку(Р2).
Рассчитывают 2 силы:


Из полученных значений Q1 и Q2 выбирают большее и принимают за расчетную величину Q необходимой силы зажима.
Направление действия сил P1 и Р2 зависит от ориентации сил Рх, Ру, и Рz при обработке.
Зажимные устройства, предотвращающие провертывание заготовки в закреплении от действия момента.
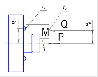
1)Заготовка, установлена в патроне и находится под действием момента М и осевой силы P.


где Qc – суммарная сила зажима всеми кулачками:
,
где z – число кулачков в патроне.
С учетом коэффициента запаса k потребная сила, развиваемая каждым кулачком, будет:

2) Заготовка центрируется по выточке и прижимается к трем опорам двумя или несколькими прихватами.

В процессе обработки возникают сдвигающий момент и осевая сила. При равных реакциях опор и при наличии жесткой установки в тангенциальном направлении (т.е. касательно к поверхности заготовки в месте приложения зажимной силы) сила Q находится из равенства:

откуда:

3) Заготовка центрируется с помощью оправки и удерживается от проворота моментом трения на кольцевой площадке бурта оправки и между зажимом и заготовкой.

Если тангенциальная жесткость зажима незначительна, то сила трения (момент трения) между прихватами и заготовкой не учитывается.
4) Цилиндрическая заготовка закреплена в призме с углом a без упора в торец.
При действии на заготовку момента сил резания Мр, стремящегося провернуть заготовку вокруг оси и осевой силы Рх потребная сила зажима определяется из условий:

В лекции "Причины, по которым люди попадают под влияние" также много полезной информации.

здесь N (из треугольника векторов):

Откуда:
, 























