Усилительный каскад на биполярном транзисторе с об
2.7. Усилительный каскад на биполярном транзисторе с об
![]() |
Вариант схемы каскада с ОБ с эмиттерной схемой термостабилизации приведен на рисунке 2.23, схема каскада для частот сигнала - на рисунке 2.24.
![]() |
Каскад с ОБ называют еще "повторителем тока", т.к. коэффициент передачи по току этого каскада меньше единицы:
.
При подаче на эмиттер положительной полуволны синусоидального входного сигнала будет уменьшаться ток эмиттера, а, следовательно, и ток коллектора. В результате падение напряжение на
уменьшится, а напряжение на коллекторе увеличится, т.е. произойдет формирование положительной полуволны выходного синусоидального напряжения. Таким образом, каскад с ОБ не инвертирует входной сигнал.
Анализ работы усилительного каскада с ОБ по входным и выходным динамическим характеристикам можно провести аналогично разделу 2.5.
Для расчета параметров каскада с ОБ по переменному току используем методику раздела 2.3, а БТ представлять моделью предложенной в разделе 2.4.1.
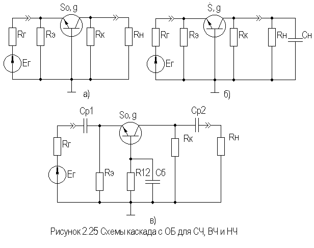
Представим каскад с ОБ схемами для областей СЧ, ВЧ и НЧ (рисунок 2.25а,б,в):
Рекомендуемые материалы

Проведя анализ, получим для области СЧ:
,
где
;
,
где
, обычно
.
.
Эти соотношения получены в предположении, что низкочастотное значение внутренней проводимости транзистора
много меньше
и
. Это условие (если не будет оговорено особо) будет действовать и при дальнейшем анализе усилительных каскадов на БТ. Такое допущение справедливо потому, что БТ является токовым прибором и особенно эффективен при работе на низкоомную нагрузку.
В области ВЧ получим:
,
где
- постоянная времени каскада в области ВЧ, определяемая аналогично ОЭ.
,
где
- выходная емкость каскада,
.
,
т.е. модуль входной проводимости уменьшается с ростом частоты, что позволяет сделать вывод об индуктивном характере входной проводимости каскада с ОБ на ВЧ. Количественно индуктивную составляющую входного импеданса можно оценить следующим образом:

где m=(1,2...1,6).
Выражения для относительного коэффициента передачи
и коэффициента частотных искажений
и соотношения для построения АЧХ и ФЧХ каскада с ОБ аналогичны приведенным в разделе 2.5 для каскада с ОЭ.
В области НЧ получим:
,
где
- постоянная времени разделительной цепи в области НЧ.
Далее все так же, как для каскада с ОЭ, за исключением расчета базовой блокировочной цепи, постоянная времени которой приближенно оценивается следующей формулой:
,
сопротивление БТ со стороны базы приблизительно равно
, а влиянием
можно пренебречь, обычно
>>
.
2.8. Усилительный каскад на биполярном транзисторе с ОК
Схема каскада с ОК с эмиттерной схемой термостабилизацией приведена на рисунке 2.26.
![]() |
Схема для частот сигнала изображена на рисунке 2.27.
![]() |
Каскад с ОК называют еще "повторителем напряжения" или "эмиттерным повторителем", т.к. коэффициент передачи по напряжению этого каскада меньше единицы, что вытекает из его дальнейшего анализа.
При подаче на базу положительной полуволны входного синусоидального сигнала будет увеличиваться ток коллектора и, следовательно, ток эмиттера. В результате падение напряжения на
увеличится, т.е. произойдет формирование положительной полуволны выходного напряжения. Таким образом, каскад с ОК не инвертирует входной сигнал.
Напряжение сигнала, приложенное к эмиттерному переходу, является разностью между
и
. Чем больше и
(при заданном
), тем меньше окажется напряжение, приложенное к эмиттерному переходу, что будет приводить к уменьшению тока эмиттера и, соответственно, к уменьшению
, т.е. в каскаде с ОК проявляется действие ООС, причем 100%-ной.
Анализ работы усилительного каскада с ОК по входным и выходным динамическим характеристикам проводится как для ОЭ (см. раздел 2.5).
Для расчета параметров каскада с ОК по переменному току используем методику раздела 2.3, а БТ представлять моделью предложенной в разделе 2.4.1.
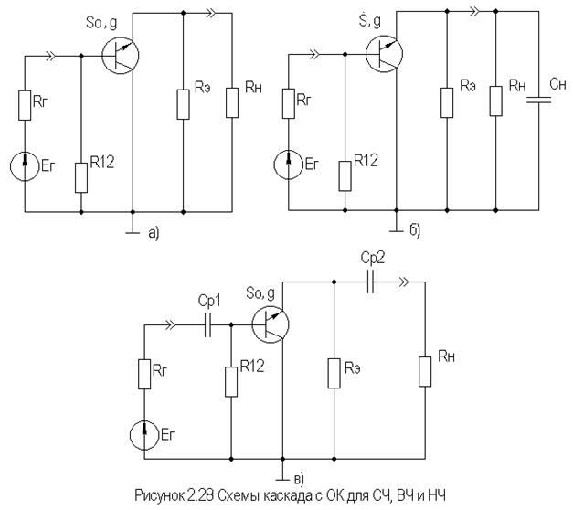
Представим каскад с ОК схемами для областей СЧ, ВЧ и НЧ (рисунок 2.28а,б,в):

Проведя анализ, получим для области СЧ:
,
где
,
- глубина ООС;
,
где
- входное сопротивление собственно транзистора,
;
,
где
- выходное сопротивление собственно транзистора,
,
т.к.
и при работе каскада от низкоомного источника сигнала (при этом
) второе слагаемое оказывается существенно меньше первого. В целом
,
потому, что, как правило,
.
В области ВЧ получим:
,
где
- постоянная времени каскада в области ВЧ,
; t - постоянная времени БТ.
,
где
, т.е. каскад с ОК имеет входную динамическую емкость меньшую, чем каскад с ОЭ;
,
т.е. модуль выходной проводимости уменьшается с ростом частоты, что позволяет сделать вывод об индуктивном характере выходной проводимости каскада с ОК на ВЧ. Количественно индуктивную составляющую выходного импеданса можно оценить следующим образом:

где m=(1,2...1,6).
Выражения для относительного коэффициента передачи
и коэффициента частотных искажений
и соотношения для построения АЧХ и ФЧХ каскада с ОК аналогичны приведенным в разделе 2.5 для каскада с ОЭ.
В области НЧ получим:
,
где
- постоянная времени разделительной цепи в области НЧ. далее все так же, как для каскада с ОЭ.
Характеристики БТ при различных схемах включения приведены в таблице 2.1.
Таблица 2.1
Характеристики БТ при различных схемах включения
| Параметр | Схема | ||
| ОЭ | ОБ | ОК | |
|
| Сотни Ом | Единицы, десятки Ом | Единицы кОм |
|
| Единицы кОм | Единицы кОм | Единицы, десятки Ом |
|
| >>1 | >>1 | <1 |
|
| >>1 | Люди также интересуются этой лекцией: Значение учения об инфекции и иммунитете в практической деятельности ветеринарного врача. <1 | >>1 |
|
|
|
|
|


































