Усилительный каскад на полевом транзисторе с ои
2.9. Усилительный каскад на полевом транзисторе с ои
Среди усилительных каскадов, выполненных на полевых транзисторах, наиболее широкое применение получил каскад, в котором ПТ включен по схеме с общим истоком. На рисунке 2.29 приведена принципиальная схема наиболее распространенного варианта каскада с ОИ с цепью автосмещения, служащей для обеспечения режима работы ПТ по постоянному току.
Если БТ разделяется на два типа - p-n-p и n-p-n, отличающиеся противоположными полярностями питающих напряжений, то разновидностей ПТ существует, по меньшей мере, шесть. Рассмотрим схему рисунка 2.29, где изображен ПТ с p-n переходом и n-каналом. Анализ каскадов на других типах ПТ будет отличаться лишь в незначительных деталях.
![]() |
![]() |
Выходные статические вольтамперные характеристики (ВАХ) ПТ представлены на рисунке 2.30. В отличие от БТ, у ВАХ ПТ имеется значительная область управляемого сопротивления, в которой возможно использование ПТ в качестве электронного управляемого резистора. В качестве усилительного элемента ПТ используется в области усиления.
В отсутствие входного сигнала каскад работает в режиме покоя. С помощью резистора
задается напряжение смещения
, которое определяет ток покоя стока
.
Координаты рабочей точки определяются соотношениями:
,
где
- граница области управляемого сопротивления на выходных статических характеристиках транзистора (рисунок 2.30),
;
Рекомендуемые материалы
,
где
- сопротивление нагрузки каскада по переменному току;

,
где
- напряжение отсечки,
- ток стока при
(либо при
для ПТ в режиме обогащения, см. рисунок 2.33 в подразделе 2.10).
С помощью резистора
, помимо задания необходимого напряжения смещения, в каскад вводится ООС , способствующая термостабилизации (у ПТ как и у БТ наблюдается сильная температурная зависимость параметров), на частотах сигнала эта ОС устраняется путем включения
.
Графически проиллюстрировать работу каскада с ОИ можно, используя проходные и выходные статические характеристики ПТ, путем построения его динамических характеристик. Построение во многом аналогично каскаду с ОЭ и отдельно не рассматривается.
Нетрудно показать, что каскад с ОИ, как и каскад с ОЭ, инвертирует входной сигнал.
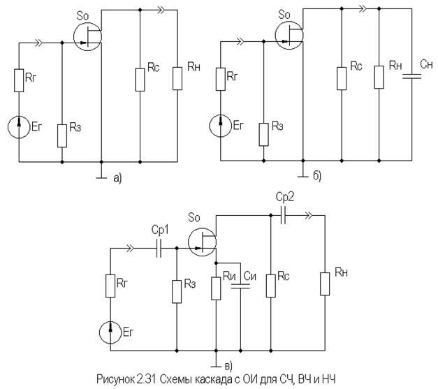
На рисунке 2.31а,б,в приведены, соответственно, малосигнальные схемы для областей СЧ,НЧ, и ВЧ.

Для расчета параметров усилительного каскада по переменному току удобно использовать методику, описанную в разделе 2.3, а ПТ представить моделью, предложенной в разделе 2.4.2.
В результате расчета в области СЧ получим:
,
где
;
,
.
Эти соотношения получены в предположении, что низкочастотное значение внутренней проводимости транзистора
много меньше
и
. Это условие (если не будет оговорено особо) будет действовать и при дальнейшем анализе усилительных каскадов на ПТ.
В области ВЧ получим:
,
где
- постоянная времени каскада в области ВЧ,
;
,
Рекомендуем посмотреть лекцию "1 Словарь основных понятий".
где
;
.
Выражения для относительного коэффициента передачи
и коэффициента частотных искажений
и соотношения для построения АЧХ и ФЧХ каскада с ОК аналогичны приведенным в разделе 2.5 для каскада с ОЭ.
В области НЧ получим:
,
где
- постоянная времени разделительной цепи в области НЧ. далее все так же, как для каскада с ОЭ.
























