Структура радиосистем передачи
1.2 Структура радиосистем передачи
Под радиосистемой передачи РСП понимают совокупность технических средств, обеспечивающих образование типовых каналов передачи и групповых трактов первичной сети ВСС, а также линейного тракта, по которому сигналы электросвязи передаются посредством радиоволн в открытом пространстве рисунок 1.2.1.
С помощью современных РСП можно передавать любые виды информации: телефонные, телеграфные и фототелеграфные сообщения, программы телевидения и звукового вещания, газетные полосы, цифровую информацию и так далее.
Как и проводные системы передачи, подавляющее число РСП являются многоканальными. При этом обычно используются частотное или временное разделение сигналов.

Рисунок 1.2.1 – Обобщенная структурная схема многоканальной РСП
Многоствольные РРЛ. Пропускная способность РРЛ может быть в несколько раз увеличена за счет образования новых стволов. Для этого на станциях устанавливают дополнительные комплекты приемопередающего оборудования, с помощью которых создаются новые высокочастотные тракты. Для сигналов разных стволов используются различные несущие частоты. Вся система многоствольной РРЛ организуется таким образом, чтобы все стволы работали независимо один от другого, а с другой стороны были взаимозаменяемы. Такой принцип позволяет обеспечить необходимую верность передачи сообщений в каждом стволе и повышает надежность работы всей линии в целом. В тоже время повышение пропускной способности РРЛ за счет многоствольной работы не приводит к пропорциональному росту стоимости линии, так как многие высоконадежные компоненты линии (антенны, станционные сооружения, опоры для подвеса антенн, источники электроснабжения и тому подобное) являются общими для всех стволов.
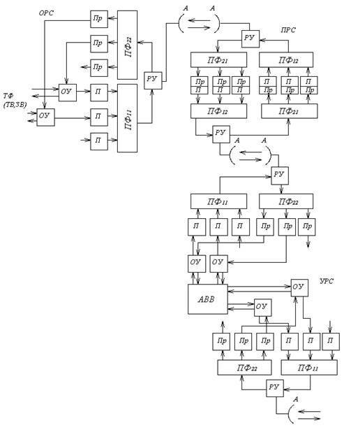
В качестве примера, поясняющего принцип организации многоствольной работы, рассмотрим вариант РРЛ из трех дуплексных стволов. На рисунке 1.2.2 представлена упрощенная структурная схема основного оборудования трех станций этой линии: ОРС, ПРС, и УРС. Схема содержит: передатчики (П); приемники (Пр); оконечные устройства (ОУ), включающие модемы, усилители и другие элементы, осуществляющие преобразование групповых телефонных сообщений (ТФ) или компонентов сигналов телевизионного и звукового вещания (ТВ, ЗВ) в сигналы линейного тракта, а также обратное преобразование: системы полосовых фильтров (ПФ), каждый из которых имеет полосу прозрачности, соответствующую одному стволу при односторонней связи; в режиме передачи ПФ обеспечивает необходимую развязку передатчиков (у этих систем ПФ указан первый индекс 1, то есть они обозначены ПФ11, ПФ12, ПФ13; изменение вторых индексов отражает смену частот приема и передачи в соответствии с двухчастотным планом); в режиме приема системы ПФ являются разделительными фильтрами: из суммарного ВЧ сигнала каждый полосовой фильтр системы выделяет сигнал одного ствола и направляет его в соответствующий приемник (у этих систем ПФ указан первый индекс 2, то есть они обозначены ПФ21, ПФ22, ПФ23); развязывающие устройства (РУ), задачей которых является дополнительное уменьшение взаимовлияния трактов передачи и приема: ряд элементов этих трактов, таких, например, как фидеры и антенны (А), как правило являются общими. Аппаратура ввода-вывода сигналов (АВВ) обеспечивает решение специфических для УРС задач – разветвления и объединения информационных потоков.

Рисунок 1.2.2 – Упрощенная структурная схема РРЛ из трех дуплексных стволов.
Рекомендуемые материалы
В качестве примера использования схемы рассмотрим на рисунке 1.2.2 передачу группового телефонного сообщения (ТФ) в одном направлении связи. Это сообщение формируется в аппаратуре объединения каналов (АОК) и по соединительной линии поступает на ОРС. С помощью ОУ и П сигнал ТФ преобразуется в ВЧ сигнал требуемой мощности, который через один из полосовых фильтров системы ПФ11 и РУ поступает в антенну А и излучается в направлении ПРС. Здесь сигнал данного ствола проходит последовательно через элементы А, РУ, ПФ22 и группу приемников. С помощью одного из Пр и ОУ ВЧ сигнал данного ствола может быть преобразован в сигнал ТФ и направлен в АВВ. Здесь односторонние ТФ каналы могут быть распределены по группам, одна из которых, например, может быть направлена в ближайшую МТС, другие же могут войти в состав новых ТФ стволов и направлены по разным радиоканалам. Кроме того, возможна и транзитная передача через УРС полного сигнала организованного на ОРС ствола в том или ином направлении связи. В этом случае сигналы с Пр на П могут идти в обход ОУ и АВВ.
Заметим, что при модуляции групповым телефонным сообщением того или иного параметра несущей в основном применяют два метода:
1. Модуляцию групповым сообщением колебаний промежуточной частоты (модулятор в ОУ) и транспонирование полученного таким образом в область ВЧ (в передатчике).
2. Непосредственную модуляцию групповым сообщением одного из параметров ВЧ несущей (модулятор – в передатчике).
Последний вариант используется, в частности, на цифровых РРЛ.
В настоящее время прием и передачу сигналов на станции на каждом направлении связи ведут в основном по общему антенно-фидерному тракту (обычно антенны и фидеры оказываются гораздо более широкополосными, чем сигналы одного ствола), а необходимую развязку приема и передачи обеспечивают не только фильтрами, но и различными невзаимными устройствами, то есть устройствами, свойства которых зависят от направления распространения электромагнитных волн. К этим устройствам относят, в частности, широко применяемые ферритовые вентили и циркуляторы. Кроме того, для обеспечения эффективной развязки трактов передачи и приема, а также соседних стволов, во многих современных РРС используют волны различной поляризации (горизонтальной и вертикальной). В этом случае в качестве РУ применяют, например, поляризационные селекторы. Схема на рисунке 1.2.2 построена с учетом рекомендованного МККР (ныне МСЭ) двухчастотного плана с группированием частот передачи и приема: группы передаваемых и принимаемы на каждой станции сигналов проходят через различные системы полосовых фильтров, например на ПРС – это ПФ12 и ПФ21. Заметим, что конструктивно системы ПФ с различными первыми, но одинаковыми вторыми индексами, например ПФ11 и ПФ21, могут быть выполнены вполне идентично.
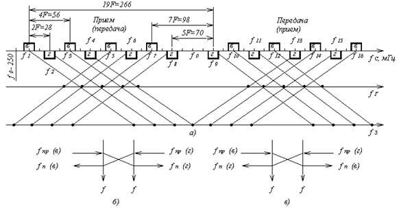
Рассмотрим один из вариантов конкретного частотного плана и некоторые примеры схем антенно-фидерных трактов (АФТ) многоствольных систем. На рисунке 1.2.3, а представлен план распределения частот, применяемый в магистральных радиорелейных системах «Восход», «Рассвет-2», «Курс-4», работающих в диапазоне 3.4…3.9 ГГц, в системе «Курс-6», работающей в диапазоне 5.67…6.17 ГГц и в зоновой системе «Курс-8», работающей в диапазоне 7.9…8.4 ГГц. Этот план позволяет организовать до восьми дуплексных широкополосных стволов по двухчастотной системе. Каждый из стволов может использоваться для организации телефонных каналов (до 1920) или для передачи телевизионной программы. Как видно из рисунка 1.2.3, а, несущие частоты стволов (f1,f2,…,f16 – отложены на оси fс) разнесены на интервалы, кратные F = 14 МГц. План рассчитан на промежуточную частоту Fпч = 5F = 70 МГц. При этом частоты гетеродинов (помечены точками на оси fг) размещаются в интервалах между рабочими частотами стволов, а частоты зеркальных каналов (помечены точками на оси fз) – внутри полосы, выделенной для системы. Частоты приема и передачи в одном дуплексном стволе разнесены на величину 19F = 266 МГц. Для соседних по частоте стволов в диапазонах, близких к 4 и 6 ГГц, должны использоваться различные антенны и разные типы поляризации волн – горизонтальная (г) и вертикальная (в). Распределение волн по поляризации на частотах приема (fпр) и передачи (fп) должно соответствовать рисунку 1.2.3, а, б или в. Обычно стволы разбиваются на две перемежающие группы. Одна группа стволов, например с нечетными номерами, используется для магистральных линий, а другая (с четными номерами) – в линиях, являющихся ответвлениями от магистрали, как показано на рисунке 1.2.4, а. Пример разнесения сигналов по разным антеннам на ПРС для шести дуплексных стволов показан на рисунке 1.2.4, б. Частотный план на рисунке 1.2.3, а предусматривает, что разность между частотами соседних стволов в одной антенне составляет величину 4F = 56 МГц, а в разных антеннах – 2F = 28 МГц; разность между ближайшими несущими частотами приема и передачи в разных антеннах – 5F = 70 МГц, в одной антенне – 7F = 98 МГц. Заметим, что система «Курс-8», функционирующая в диапазоне 7.9…8.4 ГГц при соответствующей компоновке АФТ (рисунок 1.2.5) допускает работу восьми дуплексных стволов на одну антенну. Разнесение сигналов разных стволов по частоте, по поляризации и по различным ветвям антенно-фидерного тракта, а также соответствующий выбор частот местных гетеродинов – все это в совокупности обеспечивает минимум внутрисистемных помех без значительного расширения частотных интервалов между стволами.

Рисунок 1.2.3 – План распределения частот и волн различной поляризации в системах «Восход», «Рассвет-2», «Курс-4», «Курс-6», «Курс-8».

Рисунок 1.2.4 – Примеры распределения частот и волн различной поляризации на УРС (а) и ПРС (б)
На рисунке 1.2.5 приведен вариант комплектации АФТ системы, в которой реализуется частотный план, показанный на рисунке 1.2.3, а. При этом многократное использование АФТ достигается на основе применения всех известных способов селекции радиоволн: по частоте, по поляризации и по направлению распространения (трехступенчатая схема разделения).

Рисунок 1.2.5 – структурные схемы АФТ
Элементами структурной схемы на рисунке 1.2.5 являются:
- приемопередающая антенна (А);
- переход (П), обеспечивающий согласование фидеров различной конструкции (в данном случае согласование антенны с волноводом);
- герметизирующие элементы (ГЭ) – специальные волноводные вставки, создающие замкнутый объем для системы осушки волноводных трактов (СОВТ);
- секции со штуцером (СШ), с помощью которых АФТ соединяется с воздухопроводом СОВТ;
- фильтр поглощения (ФП), предназначенные для уменьшения в «многоволновом» круглом волноводе уровня паразитных высших волн (например, Е01 и Е11) с продольной составляющей электрического поля вдоль оси волновода (его основная волна – Н11; паразитные волны могут преобразовываться в основную волну и вызывать попутные потоки искажающие сигналы и, следовательно, ухудшающие качество передачи);
- волновод круглого сечения (ВК), обычно используемый в вертикальном тракте, соединяющем установленную на опоре антенну с горизонтальным трактом, где применяют в основном эллиптические волноводы (ВЭ);
- корректор эллиптичности (КЭ), снижающий уровень паразитной кросс-поляризованной волны в круглом волноводе, которая затрудняет разделение волн по поляризации;
- поляризационный селектор (ПС), в котором с помощью поляризационных фильтров осуществляется разделение и объединение волн с различным типом поляризации – горизонтальной (г) и вертикальной (в);
"17 Условия организации эффективного учения" - тут тоже много полезного для Вас.
- нагрузка (Н), для поглощения паразитных волн, возникающих за счет несогласованности и неидеальности элементов АФТ;
- ферритовые циркуляторы (ФЦ), обеспечивающие разделение волн по направлению распространения (основное свойство ФЦ: сигнал поступивший в ФЦ в плечо с номером i, (где i = 1,2,3), может выйти из ФЦ только через ближайшее плечо, указанное стрелкой);
- разделительные фильтры (РФ), выполняющие задачу объединения и разделения сигналов различных стволов по частоте.
Приемники, подключенные к РФ1 и РФ3, и передатчики, соединенные с РФ2 и РФ4, обеспечивают дуплексную связь в одном направлении. Путь сигналов (на несущих f1…f16) каждого из стволов нетрудно проследить по схеме, руководствуясь направлением соответствующих стрелок.
На РРЛ прямой видимости, работающих в диапазоне СВЧ, используются рупорно-параболические антенны (РПА), перископические и параболические (однозеркальные и двухзеркальные). Выбор той или иной антенны зависит не только от типа аппаратуры, но и от емкости РРЛ. Этим же определяется состав и структура АФТ. Если, например, линия включает в себя не 8, а 4 ствола, то каждый из поляризационных фильтров через ВЭ и ГЭ может быть непосредственно соединен с одним из РФ. В другом варианте когда отсутствует разделение по поляризации, внешний волновод может быть соединен с двумя РФ (работающими один на передачу, другой – на прием) посредством ФЦ.
Разделительные фильтры также как и весь АФТ, допускают различные варианты построения. В последнее время все более широкое распространение получают РФ, в которых используются ферритовые циркуляторы (ФЦ).























