Вывод
Вывод
Сравнение дисперсии адекватности и дисперсии воспроизводимости показало, что полученная математическая модель адекватно описывает процесс отжига ТЭМ, и как следствие, процесс деградации ТЭМ при их эксплуатации.
Проанализировав полученную математическую модель процесса, можно сделать вывод о том, что время отжига (время эксплуатации ТЭМ) наибольшим образом влияет на электрическое сопротивление. Увеличение R является индикатором процесса диффузии материала проводника и припоя в полупроводник, т.е. деградации ТЭМ. В данном случае сдерживающим фактором служит использование в ТЭМ полупроводникового термоэлемента, подтравленного с тех сторон, с которых производилась резка слитка. Чем больший слой ТЭ будет подтравлен, тем более правильная структура полупроводника будет использована в ТЭМ, тем дольше прослужит ТЭМ, имея характеристики в пределах допуска. Взаимное влияние времени отжига t и величины стравленного слоя ∆ также увеличивает электрическое сопротивление. Однако взаимное влияние этих двух факторов в 8,5 раз ниже влияния времени отжига (времени эксплуатации ТЭМ) и в 3,5 раза ниже влияния структуры ТЭ (величины стравленного слоя ∆).
Пример
«Выявление значимых факторов для выходных параметров сварного шва на установке электронно-лучевой сварки «Луч-II ». Применение дисперсионного анализа для определения влияния факторов»
1. Описание технологического процесса
Назначение: Современная техника неразрывно связана с созданием конструкций, к сварным швам которых предъявляются требования повышенной плотности, прочности, пластичности и коррозионной стойкости. В настоящее время электронно-лучевая сварка (ЭЛС) применяется в производстве изделий из обычных, широко распространённых материалов: сталей, сплавов алюминия, сплавов на медной основе и неметаллических материалов.
Сущность процесса заключается в использовании энергии, выделяющейся при столкновении потока ускоренных электронов со свариваемыми деталями.
Кинетическая энергия электронов превращается в теплоту, которая расходуется на расплавление свариваемых деталей в зоне действия электронного луча.
Рекомендуемые материалы
Электронным лучом называют острофокусный поток ускоренных электронов. Пучок электронов, эмитированный катодом, ускоряется в вакууме разностью потенциалов между катодом и анодом, а затем фокусируется в пятно малых размеров (диаметром 0,01 – 1,0 мм). При торможении ускоренных электронов вблизи поверхности свариваемых материалов их кинетическая энергия переходит в тепловую со значительным КПД (до 90%). Свариваемые заготовки – цилиндрические детали.
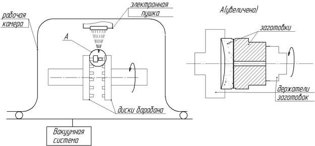
2. Схема эксперимента.

В рабочей камере сваривающей установки расположен барабан с двумя дисками. В рабочей камере возможны следующие движения подачи заготовок:
· вращение дисков вокруг своей оси (для подвода каждой из позиций в положение сварки);
· вращение каждой из позиций вокруг своей оси (для сварки цилиндрического шва);
· схождение/расхождение дисков (для возможности размещения деталей больших габаритов);
· движение барабана по оси в горизонтальной плоскости.
3. Факторы, предположительно оказывающие влияние на выходной параметр.
Входные факторы (контролируемые и управляемые):
- ускоряющее напряжение;
- длительность импульсов;
- диаметр фокального пятна;
- частота следования импульсов;
- длительность импульсов;
- ток луча в непрерывном режиме;
- предельное разрежение в рабочей камере
Выходной параметр, рассматриваемый в данной работе:
- толщина сварного шва;
- глубина проплавления.
В силу того, что измерять глубину проплавления на заготовках нерационально (такое наблюдение проводится лишь на опытном образце методом металлографии шлифов), в качестве основного выходного параметра примем толщину шва.
В качестве заготовок берём прессованную таблетку из вольфрама с медью (1) и втулку из молибдена (2). Их необходимо сварить перед помещении в обойму катодного узла для изготовления металлопористого многолучевого катода. Эмиттер имеет следующие габаритные размеры:
· диаметр эмиттера = 7,6 мм
· длина эмиттера = 7,4 мм.
Рисунки заготовок:
1) + 2) = Эмиттер катода:


На основе результатов измерений наиболее существенными входными факторами выбираем:
- ускоряющее напряжение;
- ток луча в непрерывном режиме;
- длительность импульсов.
4. Математическое моделирование технологического процесса
Проведение моделирования выбранного технологического процесса необходимо для того, чтобы аналитическим методом определить, какие из входных факторов наиболее существенно влияют на выходной параметр, а какие влияют на выходной параметр в меньшей степени. Поэтому, исходя из полученных результатов, мы сможем выбирать оптимальные режимы процесса электронно-лучевой сварки.
Уровни варьирования факторов:
| Уровень | Ускоряющее напряжение, кВт Х1 | Ток луча в непрерывном режиме, мА Х2 | Длительность импульсов, мсек, X3 | Уровни факторов в безразмерной системе координат |
| Верхний | 100 | 15 | 150 | +1 |
| Нижний | 30 | 6 | 50 | -1 |
Выберем центр планирования.
;
;

Координаты центра плана равны нулю и совпадают с началом координат.
Так как входные параметры взаимодействуют между собой, и существует вероятность того, что математическая модель будет иметь линейный характер, то для построения модели воспользуемся методикой полного факторного эксперимента (ПФЭ). При использовании ПФЭ учитывается влияние на функцию отклика исследуемого процесса не только каждого рассматриваемого в эксперименте фактора в отдельности, но и их взаимодействий.
5. Разработка общего вида модели
Планирование начинаем с предположения, что модель имеет вид полинома первого порядка:

Определим число опытов
:
,
где
— число уровней каждого фактора (должно быть на 1 больше порядка полинома),
— число исследуемых факторов.
Для линейной модели и трёх исследуемых факторов проводим 8 опытов, т. е. опытные точки расположим в вершинах куба (рис. 1) факторного пространства. Модель будет иметь вид:
,
где
- значение функции отклика в центре плана;
,
,
— коэффициенты, характеризующие степени влияния соответствующих факторов на функцию отклика;
,
,
,
- коэффициенты, характеризующие влияние взаимодействия факторов.
Для рассматриваемого случая матрица планирования и проведения эксперимента будет имеет следующий вид (см. табл. 2).
Таблица 2
| № опыта | X0 | X1 | X2 | X3 | X1X2 | X1X3 | X2X3 | X1 X2X3 |
|
|
| |
|
|
| 1 | + |
|
|
| + | + | + |
| 940 | 950 | 930 | 940,000 | 100,000 | 945,83 |
| 2 | + | + |
|
|
|
| + | + | 960 | 950 | 960 | 956,667 | 33,333 | 955,83 |
| 3 | + |
| + |
|
| + |
| + | 940 | 950 | 960 | 950,000 | 100,000 | 952,50 |
| 4 | + | + | + |
| + |
|
|
| 950 | 970 | 960 | 960,000 | 100,000 | 962,50 |
| 5 | + |
|
| + | + |
|
| + | 930 | 940 | 940 | 936,667 | 33,333 | 937,50 |
| 6 | + | + |
| + |
| + |
|
| 940 | 950 | 970 | 953,333 | 233,333 | 947,50 |
| 7 | + |
| + | + |
|
| + |
| 980 | 970 | 960 | 970,000 | 100,000 | 960,83 |
| 8 | + | + | + | + | + | + | + | + | 970 | 960 | 970 | 966,667 | 33,333 | 970,83 |
Проверка воспроизводимости экспериментов (проверка однородности вычисленных по данным параллельных опытов дисперсий среднего арифметического значения функции отклика в каждом опыте, т. е. в каждой строке) по критерию Кохрена.

Критическое значение критерия Кохрена GКР (β = 0,05, N = 8, n = 3): GКР = 0,52
- число параллельных наблюдений; β - уровень значимости;
- число сравниваемых дисперсий. G < GКР, следовательно, эксперимент является воспроизводимым.
Вычислим коэффициенты полинома по формуле

Таблица 3.
| b0 | b1 | b2 | b3 | b12 | b13 | b23 | b123 |
| 954,167 | 5,000 | 7,500 | 2,500 | -3,333 | -1,667 | 4,167 | -1,667 |
Далее проводим оценку значимости коэффициентов. Основой для оценки является критерий Стьюдента:

где дисперсия ошибки определения коэффициента
:
,
где
- дисперсия воспроизводимости.
Экспериментальные значения критерия Стьюдента приведены в табл. 4.
Таблица 4
| t0 | t1 | t2 | t3 | t12 | t13 | t23 | t123 |
| 488,315 | 2,559 | 3,838 | 1,279 | -1,706 | -0,853 | 2,132 | -0,853 |
Число степеней свободы равно
, уровень значимости β=0,05, тогда критическое значение критерия Стьюдента tкр=2,12. Так
,
,
,
, то соответствующие коэффициенты признаются значимыми, а остальные — незначимыми. С учётом значимости коэффициентов математическая модель примет вид:

Проверим модель на адекватность. Оценим отклонение предсказанного моделью значения выходного параметра (функции отклика)
от результатов эксперимента в каждой точке факторного пространства при помощи дисперсии адекватности:

где
- число значимых коэффициентов в аппроксимирующем полиноме.
Дисперсия адекватности
— меньше дисперсии воспроизводимости
, следовательно, проверку гипотезы об адекватности проводим с помощью критерия Фишера:
= 0,57415
Для чисел степеней свободы:
:
и
:
при уровне значимости
критическое значение критерия Фишера
.
Так как
, то признаем модель адекватной.
В лекции "Революция в Иране 1905-1911 гг." также много полезной информации.
Итак, полученная математическая модель имеет вид:

Сравнение дисперсии адекватности и дисперсии воспроизводимости показало, что гипотеза об адекватности модели принимается как верная.
6. Выводы.
Проанализировав полученную математическую модель процесса электронно-лучевой сварки в вакууме, мы установили, что из трёх выбранных факторов незначимым оказался фактор
— длина импульсов воздействия. Наиболее значимыми факторами оказались
- ток луча и
- ускоряющее напряжение.


, мм
, мм
, мм
, мм






















