Базовые несущие конструкции
10 Базовые несущие конструкции
Составной частью всех уровней конструкции ЭС является несущая конструкция (НК)
Несущая конструкция – это элемент или совокупность элементов конструкции, предназначенных для размещения технических средств и обеспечения их устойчивости и прочности в заданных условиях эксплуатации.
Базовая несущая конструкция (БНК) – несущая конструкция, предназначена для размещения составных частей аппаратуры, габариты которой стандартизованы.
Рассматривая общую структуру конструкции ЭС, можно сказать, что аппаратура состоит из модулей 0, 1, 2, 3 уровней.
Соответственно модули 0 и 1-го уровня размещаются на БНК 1 и выполняются в виде ячеек и кассет.
Модули 2-го уровня размещаются на БНК 2, которые выполняются в виде рамы, корпуса блока, шасси.
Модули 3-го уровня строятся на основе БНК 3, в виде корпуса шкафа, стеллажа, стойки, пульта.
10.1 Базовые несущие конструкции 1-го уровня (проектирование ячеек ЭС)
В процессе проектирования ячеек решаются следующие 6 задач:
1) Компоновка конструктивно-технологических зон на ПП;
Рекомендуемые материалы
2) Выбор типоразмеров ПП;
3) Выбор варианта конструкции ячейки;
4) Определение типа соединителя;
5) Выбор элементов крепления, контроля и фиксации;
6) Обеспечение нормальных тепловых режимов.
Из перечисленных задач ранее мы рассмотрели 1 и 2-ю.
Выбор варианта конструкции ячейки (3) определяется техническими требованиями к аппаратуре. А так как ячейки устанавливаются в блоки, то вариант конструктивного исполнения ячейки характеризуется вариантом конструкции блока.
Конструктивно ячейки располагаются в блоках, в рамках или без рамок. Рамки предназначены для улучшения эксплуатационных параметров, а также для исключения деформации ПП в процессе монтажа и эксплуатации.
Таким образом, конструкции таких ячеек следующие:
Ячейки в безрамочном исполнении (безрамочные БНК):
1 – соединительный разъем
2 – ПП
3 – элемент жесткости, планка, элемент крепления
4 – штыри-фиксаторы

Рамочная конструкция:
1 – соединительный разъем
2 – ПП
4 – штыри-фиксаторы
5 - рамка
Кроме одноплатных ячеек существуют и двухплатные ячейки.
а) в безрамочном исполнении:
1 – ПП;
2 – соединитель;
3 – накладка.
б) в рамочном исполнении:
1 – гибкий печатный кабель;
2 – ПП;
3 – рамка;
4 – плоский кабель;
Для выбора ячеек из стандартного ряда установлена условная классификация принадлежности ячейки к определенной БНК.
Принята следующая система обозначения:
Я Х Х ХХ Х Х
1 - вид аппаратуры
1-стационарная ЭВМ;
2-аппаратура дискретной автоматики;
3-аппаратура стационарная;
4-аппаратура, установленная на колесном шасси;
5-аппаратура, установленная на самоходном шасси (гусеничная);
6-морская аппаратура;
7-самолетная аппаратура.
2 – тип конструкции
1-безрамочная;
2-рамочная.
3,4 – типоразмер ячейки.
5 – количество плат в ячейке.
6 – модификация конструктивного исполнения.
Чаще всего встречаются обозначения ячеек из трех цифр.
Например:
Я 1 – 1 – 1
(то есть стационарная ЭВМ(1-я 1), без рамки(2-я 1), одна плата(3-я 1))
Я 7 – 2 – 2
(7-самолетная РЭА, 2-с рамкой, 2-две платы)
Основными вариантами конструкции для различных видов аппаратуры являются БНК 1 типов ЯУ 1; ЯУ 2; ЯУ –3(ячейка унифицированная).
Так, для ЯУ 1 вдоль базовой стороны (170 мм) установлен электрический соединитель СНП 34 и ЯУ 1 имеет 4 типоразмера: 170*75; 170*110; 170*150; 170*200 – основной.
Ячейка ЯУ 2 имеет размер 170*200 мм, а ЯУ 3 – 360*200 мм.
Подчеркнем, что во всех ЯУ установлены разъемы СНП 34.
Определение типа соединителя. Электрические соединения ячеек в блоках (внутриблочная электрическая коммутация) выполняются с помощью разъемных электрических соединителей, гибких шлейфов, плоских кабелей и монтажных проводов. Элементы электрических соединений ячеек выбирают в зависимости от эксплуатационных требований варианта конструкции ячейки (разъемная, книжная), конструктивно-технологических требований, габаритных размеров соединителя, а также от необходимого числа контактов в электрическом соединителе.
При выборе соединителя необходимо резервировать не менее 10% необходимого числа контактов.
Наиболее широкое применение получили разъемные электрические соединители применяемые в блоках разъемной конструкции. Они обеспечивают достаточно надежное электрическое соединение и многосъемность ячеек в блоке. . Гибкие шлейфы и плоские кабели, применяющиеся для внутриблочного монтажа в блоках книжной конструкции, позволяют более рационально использовать объем блока, уменьшить его габариты и массу, снизить трудоемкость монтажа путем применения групповых методов пайки и повысить надежность электрических соединений.
Элементы крепления, фиксации, контроля.
Элементы крепления и фиксации(5) являются неотъемлемой частью БНК.
Для повышения прочности конструкции к механическим воздействиям (вибрации, удары) на ячейке устанавливают планки, угольники, рамки, штыри-ловители, скобы, стяжные винты.
Для безрамной конструкции ячеек основным элементом крепления в блоке является планка. Такие планки предназначены для индивидуального крепления ячеек в блоке.
Планка устанавливается на ПП ячейки с противоположной стороны установки соединителя.

Opkop
Существуют также металлические планки.
В ячейках рамочной конструкции роль элементов крепления выполняет рамка, которая предает необходимую жесткость всей конструкции.
Крепление ПП в рамочной конструкции осуществляется либо винтами, либо заклепками. ПП в ячейках крепят не менее чем в 4-х точках.
Элементы фиксации ячеек предназначены для ориентирования ячеек в блоках и представляют собой штыри-ловители и направляющие. Штыри-ловители могут быть установлены и на рамках.
Элементы контроля ячеек предназначены для контроля и проверки работоспособности ячеек в процессе настройки и профилактического осмотра. Эти элементы, как правило, устанавливаются на краях печатных плат, а иногда непосредственно на планке.
Помимо групповых контрольных контактов на планке располагают индивидуальные контрольные контакты или контрольные гнезда, пистоны.
Контрольные контакты:
Контрольные гнезда:

Пистоны для контроля:

Рассмотренные конструкции ячеек предназначены для монтажа в блоки разъемной конструкции.
Обеспечение теплового режима
Охлаждение теплонагруженных элементов, размещенных в блоках осуществляют за счет естественного или принудительного воздушного охлаждения. Таким путем осуществляют теплообмен из всего объема блока.
Отвод тепла от наиболее теплонагруженных элементов таких как транзисторы, диоды, некоторые типы микросхем дополнительно может быть осуществлен размещением их на специальные радиаторы или применением теплоотводящих шин, металлических оснований.
1. Отвод тепла с помощью радиаторов осуществляют от элементов мощностью в несколько десятков ватт. Наибольшее распространение в конструкциях РЭА нашли пластинчатые и штырьевые радиаторы с естественным или принудительным воздушным охлаждением.
1 – радиатор пластинчатый
2 – транзистор.
2. Для отвода тепла от микросхем и МСБ возможно использовать теплостоки в виде теплоотводящих шин или металлических оснований.

1 – МСБ (ИС);
2 – контактная площадка;
3 – ПП;
4 – шина.

1 – МСБ (ИС);
2 – контактная площадка;
3 – ПП;
4 –металлическое основание.
Толщина таких шин 0,4…0,8 мм, а металлических оснований 0,4…1 мм. Материал теплостоков – алюминий и его сплавы.
Чтобы получить наибольший эффект при отводе тепла от элементов, установленных на теплоотводящие шины или основания, необходимо обеспечить малое тепловое сопротивление между рамкой ячейки и теплоотводящими шинами или основанием.
При применении ячеек в блоках, работающих в условиях естественной конвекции, необходимо выполнить следующие требования:
1) Ячейки в блоках должны устанавливаться вертикально; рекомендуется устанавливать таким образом, чтобы меньшая сторона была вертикальной.
2) Расстояние между крайними точками микросхем на соседних платах следует выбирать не менее 5 мм.
3) Тепловой контакт шин и основания с рамой ячейки необходимо осуществлять путем пайки, сварки и склеивания мест соединений, а также при помощи заклепочных и винтовых соединений.
В местах контактов следует применять теплопроводящие пасты с низким коэффициентом теплопроводности.
Теплопроводящие поверхности ячеек следует покрывать гальваническими и лакокрасочными покрытиями, увеличивающими теплообмен путем излучения.
При использовании принудительного охлаждения необходимо ячейки устанавливать так, чтобы их больший габаритный размер совпадал с направлением воздушного потока.
Выполняя эти требования, можно существенно улучшить тепловой режим ячеек.
10.2 Базовые несущие конструкции 2-го уровня (проектирование блоков ЭС)
10.2.1 Общие сведения
На основе несущих конструкций второго уровня могут быть построены составленные из ячеек блоки для установки в шкафы (стойки) или блоки с кожухами, имеющие индивидуальные средства защиты от внешних воздействий и предназначенные для установки на стеллажи или автономной эксплуатации. Типичный пример первого случая — самолетные РЭС, второго — электронные измерительные приборы.
По конструктивному исполнению блоки бывают 3 типов:
- герметичные;
- перфорированные;
- вентилируемые.
Для 1 и 2-го типов характерно естественное воздушное охлаждение. Для 3-го типа характерно принудительное охлаждение.
Теплопередача от нагретых элементов в блоке осуществляется:
1) Для герметичных блоков – за счет разности температур плат
и стенок блока
путем теплоизлучения и конвенции;
2) Для перфорированных как и для герметичных + за счет перфорации (отверстия в стенках блока);
3) Для вентилируемых – как для герметичных и перфорированных + принудительной подачей воздуха вентилятором в блоке (или в блок).
Госты регламентируют основные и габаритные размеры вновь разрабатываемой аппаратуры, а также основные размеры и взаимное расположение входящих в блок элементов.
При выборе габаритов блоков используют различные ряды (размерные ряды): R5, R10, R20, R40.
Конструктором при разработке блока решаются вопросы: электрической и тепловой совместимости, ремонтопригодности, возможности автоматизации процесса сборки и регулировки блока, внешнего оформления.
Тенденции развития РЭА обязывают при проектировании учитывать противоречивые требования такие как:
1) повышение плотности компоновки и снижение рабочей температуры в блоке;
2) уменьшение габаритов и электромагнитная совместимость;
3) снижение массы и обеспечение механической прочности в условиях действия нагрузок.
Аналогично классификации ячеек, введена условная классификация БНК блоков.
Например: Б ХХХХХ
1 – унифицированный корпус блока;
2 – тип конструкции корпуса блока;
3,4 - типоразмер корпуса блока;
5 – модификация конструктивного исполнения передней панели корпуса блока.
10.2.2 Рациональный выбор конструкций блоков
а) Рациональный выбор формы блоков
Блоки современной РЭА, в зависимости от формы объекта, установки имеют различную конфигурацию.
Они бывают в форме шара, цилиндра, многогранной призмы, прямоугольного параллелепипеда или их частей.
Для рационального выбора формы блоков рассматриваются три параметра:
1) Приведённая площадь наружной поверхности
, (1)
где
– наружная поверхность блока,
;
– объём блока
.
2) Коэффициент приведённых площадей
, (2)
где
– приведенная площадь наружной поверхности шара.
- показывает, во сколько раз
любого блока больше 
3) Коэффициент заполнения объема.
(3)
где
– объем аппаратуры;
– общий объем блока.
1. Рассматривая 1-ый параметр
. для блоков различной формы, ясно, что его значение вычисляется по формулам из геометрии.
Например: для шара
, а
, тогда
.
Аналогичным образом можно найти
и для блоков других конструкций.
2.
Анализ этих данных показывает:
1) Чем
меньше, тем форма блока наиболее оптимальна по массе.
2) Для шара, полушара, куба значения
являются постоянной величиной, зависящей только от диаметра
или ширины
(для куба)
3) При увеличении длины
цилиндра, призм, параллелепипеда значение
уменьшается.
4) При равенстве
наиболее оптимальными по массе являются параллелепипед, куб. цилиндр и прямая призма.
5) При одинаковых объемах блока шар имеет минимальное значение
.
В связи с 5-ым свойством анализа коэффициент приведенных площадей
вычисляется относительно величины
.
Наименьшие значения
, (а следовательно и наилучшие присущи блокам, имеющим форму цилиндра, восьмигранника и шестигранника)
(для цилиндра с
)
(для шестигранной призмы с
)
(для восьмигранной призмы с
)
Между
и
существует зависимость
,
где индексы 1 и 2 характеризуют блоки двух любых конструкций.
Если
,то 2-ой блок более оптимальный по площади наружной поверхности, и соответственно при
– 1-ый блок наиболее оптимальный.
Коэффициент
показывает, сколько процентов от объема объекта занимает аппаратура.
Например: пусть объект имеет форму прямоугольной призмы
, а изделие или аппарат форму цилиндра.

, 

Чаще всего объекты имеют форму параллелепипеда, а для специальных объектов (ракета) – форму цилиндра.
б) Рациональный выбор профилей элементов несущих конструкций.
Профиль – элемент конструкции обеспечивающий прочность и жёсткость.
Выбор профилей элементов несущих конструкций зависит от формы блока и нагрузок и нагрузок, воспринимаемых блоком.
Основные типы профилей применяемых в несущих конструкциях показаны на рис. 23.
Для выбора наиболее экономных по площади профилей применяется отношение:
, (мм) (1)
где G – характеристика профиля;
W – момент сопротивления профиля [мм3];
F – площадь поперечного сечения профиля [мм2].
Чем больше это отношение, тем профиль экономичнее.
Однако выражение 1 зависит от размеров элементов профиля, что не позволяет сопоставлять сечения, имеющие различные формы и размеры.
![]() |
Для определения рациональных характеристик профиля несущих конструкций работающих на изгиб имеются соотношения независимые от их форм и габаритов (величины безразмерные). Это так называемые рациональные характеристики профилей.
При расчёте на прочность:
(2)
и при расчёте жёсткости
(3)
где
,
– рациональные характеристики профилей;
– момент инерции сечения профиля [мм4].
Из прикладной механики известно, что сопротивление элементов конструкций различным видам деформаций зависит:
- от применяемых материалов и размеров;
- от формы поперечных сечений;
- расположения относительно направлений действующих нагрузок.
Основными характеристиками профилей, применяемых в НК, являются: площади поперечных сечений, моменты инерции, моменты сопротивления.
Момент инерции – осевым моментом инерции площади фигуры называется интеграл произведений элементарных площадок на квадрат их расстояний от рассматриваемой оси.
Момент инерции произвольной фигуры относительно осей x и y равны:
;
.
Прямоугольник
.
;
.
;
.
Момент сопротивления – это отношение момента инерции относительно данной оси к расстоянию до наиболее удалённой точки поперечного сечения:
;
.
Расчёты рациональных характеристик
и
для приведённых профилей показывают:
1 – чем меньше
и
, тем профиль более рационален по площади, а следовательно и по массе.
Например:
Круг имеет
,
.
Кольцо при
имеет
,
.

2 – Отношение величин
и
, позволяют сопоставлять между собой любые профили.
Например: круглый профиль имеет Gжкр=3.6, а квадратный с квадратным отверстием Gжкв=1.1 и если взять отношение
, то это показывает, что при одной и той же жёсткости круглый профиль будет иметь в 3.27 раза большую площадь сечения.
3 – Величины
и
позволяют проводить анализ различных профилей для выявления определённых зависимостей.
Например: Исследовать зависимость
от толщины стенок кольца.
Из данной зависимости видно, что чем тоньше стенка, тем профиль более экономичен по толщине (и по массе).
Для ЭС, установленных на подвижных объектах, действуют различные усилия на элементы НК, поэтому целесообразно применять несимметричные профили, рационально выбиранные по осям x и y.
Если на балку со сложным профилем действует усилие
и
, относительно осей x и y, то между усилиями
и
будет зависимость:

(4)
где,
– характеристики расчёта на жёсткость по осям x и y, а
, где
и
деформация балки по осям x-x и y-y.
Используя формулы 2, 3, 4 можно подобрать несимметричный профиль таким образом, чтобы он в равной степени воспринимал усилия
и
.
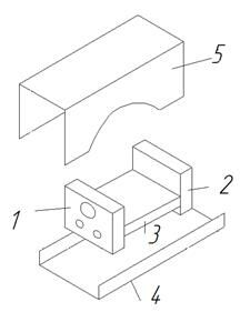
10.2.3 Блоки с кожухами
Кожух – наружная оболочка блока, предназначенная для придания изделию автономности применения, законченного вида, экранирования, защиты от атмосферных воздействий и устранения несанкционированного доступа во внутренний объем ЭС.



а) б)
| 1 – каркас; 2 – передняя панель; 3 - направляющие; 4 – кожух. | 1 – передняя панель; 2 - задняя панель;3 – каркас; 4 – нижняя крышка; 5 – верхняя крышка. |
В приведённых НК блоках плоскости крепления или симметрии проходят через середину блока (оси x1–x1, y–y) или через основание – ось (x2 – x2).

Крепления каркаса возможны следующим образом:

Рисунок 25 - Варианты крепления каркаса
Наиболее рациональным является третий вариант крепления (для него значение величины
наименьшее).
В блоках с крышками каркасы называются шасси:

10.2.4 Меры по снижению массы НК
При разработке ЭС с минимальной массой НК следует придерживаться следующих положений:
1) Необходимо стремиться к простоте НК и иметь оптимальные запасы по прочности.
При расчётах обычно исходят из следующей зависимости:
,
,
, где
- максимальные напряжения,
– запас прочности (
).
Увеличение
ведёт к увеличению массы; уменьшение
– снижение прочности.
Запас прочности
выбирают с учётом вида ЭС, условий работы, долговечности и т.д.
2) В конструкциях должны быть равнопрочные детали.
Равнопрочной называется деталь, работающая на растяжение-сжатие, которая имеет одинаковое напряжение во всех сечениях.
Пример: Имеется деталь

Для этой детали напряжение в сечениях I, II, III будут определяться соответственно
;
,
где P – усиление, F – поперечное сечение.
Если имеются сложные напряжения (изгиб, кручение и т.д.), то напряжения по сечению распределяются неравномерно. В этом случае равномерными считаются детали, у которых напряжения в каждом сечении будут одинаковыми и равны:

где
– изгибающий момент, действующий в каждом сечении;
– момент сопротивления данного сечения.
,
где
- момент инерции.
3) Должна соблюдаться оптимальная жёсткость деталей.
Жёсткость оценивается коэффициентом жёсткости
.
Для случая растяжения – сжатия:
,
где
– модуль упругости материала модуль Юнга
и
–сечение и длинна балки.
Для случая изгиба

где А – коэффициент, зависящий от вида балки и условий нагружения;
– момент инерции.
Как видим, жёсткость
зависит от вида балки и нагрузки (А изменяется в широких пределах от 3 до 192). Влияние длинны детали e невелико для случая растяжения-сжатия и значительно при изгибе.
На жёсткость влияют размеры и форма сечения.

Рисунок 26 - Зависимость коэффициента А от вида балки
Оптимальную жёсткость можно получить способами, не требующими увеличения массы:
а) Использованием в листовых деталях отбортовок, выдавок, рёбер жёсткости.
Так применение отбортовок I и II

и выдавок III и IV

позволяет повысить момент инерции
деталей в зависимости от высоты
отбортовок и выдавок по сравнению с моментом инерции
листа от десятков до сотен раз.

Рисунок 27 - Зависимость момента инерции от высоты отбортовок
б) Для сопряжения стержневых деталей, каркасов и рам необходимо вводить косынки, которые существенно повышают их жёсткость
в) Необходимо напряжения изгиба в конструкциях заменить на напряжение растяжения-сжатия вводя дополнительные стяжки.

Прогиб балки, имеющий диаметр
изменится, если подпереть её стяжкой 2, который будет работать на сжатие. При такой конструкции диаметр стержня
может значительно уменьшить, а общая масса стержня 1 и 2 будет меньше массы стержня с диаметром
.
4) Снижение массы конструкции возможно путём выбора формы профилей деталей НК на основе расчёта их рациональных характеристик
и
;
5) Для облегчения массы необходимо во все детали вводить облегчающие отверстия, выемки, проточки с целью изъятия лишнего материала не несущего нагрузки.
В кожухах, крышках, шасси, перегородках делают отверстия круглой или квадратной формы, которые необходимы так же и для улучшения охлаждения.
6) Выбор материала несущих конструкций.
Материал выбирают с учётом удельной прочности и жёсткости или обобщённого коэффициента.
Удельная прочность материала.
(1)
где,
- условный предел текучести, это напряжение, вызывающее в испытываемом образце остаточную деформацию в 0,2%;
- плотность материала.
Удельная жёсткость.
(2)
где, E – модуль упругости.
Обобщённый коэффициент.
(3)
При выборе материала детали нужно учитывать направленность работы детали.
Если деталь рассчитывают на прочность, то материал выбирают исходя из
, а если на жёсткость - Eуд.
Рекомендуется при выборе материалов пользоваться обобщенным коэффициентом
. Он характеризует способность материалов нести наиболее высокие нагрузки при наименьших деформациях и массе.
7) Необходимо учитывать выбор покрытия.
Гальванические и лакокрасочные покрытия составляют значительный процент от общей массы конструкций.
Если рассматривать покрытия листов площадью 1 м2 и толщиной 1 мм, то суммарная масса гальванических и лакокрасочных покрытий может достигать от 8 до 55% от массы покрываемого материала.
Результат оптимизации конструкции по массе определяют в процентном отношении к базовому варианту по формуле:

где
– масса конструкции первого варианта;
– масса конструкции нового варианта;
- относительный выигрыш по массе.
10.2.5 Направляющие в несущих конструкциях
Направляющими называются детали, обеспечивающие подвижное соединение, при котором одна деталь под действием приложенной силы перемещается относительно другой по определенной траектории.
Деталь, перемещающаяся относительно направляющих, называется ползуном.
![]() |
В НК ЭС чаще всего применяются направляющие для прямолинейного движения.
При перемещении изделия 1 со скоростью
по основанию 2 возникает сила трения-скольжения 
,
где
– коэффициент трения-скольжения
;
– сила нормального давления одного тела на другое (опорные реакции).
На рисунке результирующая
– это сила реакции, которая отклоняется на угол
от
(от опорной реакции).
Для предотвращения заклинивания ползуна в направляющих при разработке подвижных устройств ЭС необходимо соблюдать определенную зависимость между:
а) силами, приложенными к устройству;
б) коэффициентом трения
;
в) размерами ползуна и направляющих.
Пусть действует усилие
параллельно оси направляющей, но смещено на расстояние
. Так называемая сила сопротивления
направлена по оси симметрии направляющей встречно.
![]() |
При равномерном движении ползуна V=const должны соблюдаться следующие условия равновесия:
(1)
(2)
Из первого равенства определяются опорные реакции

Зная коэффициент трения
, силу
, размеры
и
можно определить движущую силу
(3)
Отсюда
(4)
При анализе последнего выражения можно сказать, что заклинивание ползуна происходит при Р =
и возможно, когда знаменатель равен нулю
.
Отсюда можно найти критическое значение отношения
.
а допустимое значение отношения

где
- коэффициент запаса против заклинивания.
Для плоских призматических направляющих
.
Рассмотрим некоторые виды направляющих и ползунов.

Рисунок 28 – Направляющие в несущих конструкциях
По конструкции направляющие бывают: индивидуальные (применяемые для одного ползуна); групповые (рассчитанные на несколько ползунов); совмещенные (например, с разъемом).
![]() |
10.2.6 Компоновочные схемы блоков и компоновочные характеристики
Под компоновкой блока понимают взаимное расположение и ориентация ячеек и других конструктивных элементов (электрической коммутации, электромеханических элементов и т.д.).
Наибольшее применение нашли книжный и разъёмный варианты конструкций ЭС.

Обычно, когда рассматриваются схемы компоновки блоков ЭС, то учитывают отдельно объём занимаемый функциональными ячейками
и объём занимаемый под элементы электрического соединения и электрический монтаж
.
Рассмотрим шесть возможных схем расположения объёмов
и
.
Объём
и
блоков для различных компоновочных схем можно выразить следующим образом:
;
: для 1 и 2.
;
: для 3 и 4.
;
: для 5 и 6.
Из приведённых формул видно, что наиболее рационально использовать варианты компоновки 5 и 6 и наименее рационально 1 и 2, т.к. в блоках ЭС как правило
,
и
.
Поэтому получим следующие неравенства:
,
.
Практика конструирования блоков ЭС показала, что варианты компоновки 2 и 4 применяются редко, т.к. имеют очень плохие условия для естественной конвекции и для принудительного охлаждения из-за перекрытия зоны прохождения воздуха внутри блока.
Варианты 1 и 3 позволяют установить большее число ячеек по сравнению с вариантами 4 и 5, т.к. L/HЯ>B/HЯ.

Рисунок 30 - Пространственная ориентация ячеек в блоках разъемной конструкции
Для книжных конструкций предпочтительней варианты 4 и 5 , т.к. данные конструкции должны иметь относительно небольшое число печатных плат по сравнению с разъёмными конструкциями чтобы обеспечить достаточный угол раскрытия ячеек.
Для блоков разъёмной конструкции применяют 3 вариант компоновки при естественной конвекции и 1 вариант при принудительной вентиляции.
10.2.7 Конструкционные методы обеспечения ремонтопригодности блоков.
Большинство ЭС предназначены для длительной эксплуатации и поэтому в течение срока службы может неоднократно подвергаться ремонту.
Для обеспечения ремонтопригодности предусмотрены следующие меры:
1) доступность всех частей ЭС для осмотра и замены без предварительного удаления других частей;
2) контрольные точки для подсоединения измерительных приборов при проверке работоспособности ЭС;
3) должны быть предусмотрены меры для предотвращения неправильного соединения разъёмных частей;
4) применение быстросъёмных фиксаторов вместо резьбовых соединений;
5) возможность установки на стол извлечённых частей в любом удобном для ремонта положении.
10.2.8 Герметизация блоков ЭС
10.2.8.1 Общие сведения
Герметизация – это обеспечение непроницаемости корпуса блока для жидкостей и газов с целью защиты его элементов и компонентов от воздействия климатических факторов, окружающей среды и механических повреждений.
Частичная герметизация обеспечивается пропиткой, обволакиванием и заливкой как компонентов, так и отдельных узлов и элементов ЭС.

Рисунок 31 - Классификация герметизации
Полная герметизация предполагает использование корпусов из металла, пластмассы и керамики.
Основными схемами герметичных блоков ЭС при полной герметизации являются:

Рисунок 32 - Схемы полной герметизации
Герметизация блоков осуществляется в уплотнительном стыке двумя различными способами: неразъёмные – сваркой и пайкой; разъёмные – уплотнительными прокладками.
10.2.8.2 Герметизация сваркой и пайкой
При проектировании сварных корпусов необходимо чтобы сварочный шов был разгружен. Это достигают конструктивными исполнениями:
1) Фланцевые соединения. Материал корпуса (1) следует вводить во фланец. Материал крышки (2) следует зажимать между фланцами;
2) Корпус с отбортовкой – для снижения напряжений целесообразно применять стыковой шов;
3) Для создания прочных и плотных швов применяют роликовую сварку;
4) При приварки фланцев трудно сопрягать торцы корпуса и фланца, поэтому нужно использовать фланец с уступом;
5) Сварка днища с отбортовкой также могут возникать внутренние напряжения разрывающие шов, поэтому необходимо конструктивным исполнением разгрузить шов.
При конструировании паянных соединений необходимо учитывать вид нагрузки, которую они будут испытывать. Поэтому существуют несколько типов соединений:

Приведём несколько вариантов конструкций неразъёмных соединений с пайкой швов.


1 - Крышка огибает корпус снаружи и пайка осуществляется по периметру.
2 - Крышка вставляется внутрь корпуса.
3 - Вариант соединения в зажим.
4 - Соединение в фальц.
10.2.8.3 Конструирование демонтируемых и разъемных уплотнительных стыков
В зависимости от конструкции уплотнительного стыка герметизация бывает разъемной, неразъемной и демонтируемой.
Демонтируемый сварной шов между корпусом и крышкой выполняется оплавлением плазменным или лазерным способом. Т.к. глубина сварки при этом способе
мм, то такое соединение можно демонтировать механическим способом (фрезерованием).
Демонтируемая пайка выполняется следующим способом. В паз между корпусом 1 и крышкой 5 закладываются шнур 2 из термостойкой резины, стальная проволока 3 и запаиваются припоем 4. Резиновый шнур обеспечивает предварительную герметизацию, защищая внутреннюю полость блока от попадания паров флюса при пайке. При демонтаже паяный шов разрушается вытягиванием проволоки 3, которая для удобства работ должна иметь свободный конец, выходящий за пределы пайки.
Разъёмные уплотнительные швы используются в тех случаях, когда необходим доступ к аппаратуре в процессе эксплуатации.
Разъёмный герметизированный корпус состоит из двух частей, которые соединены с помощью фланцевого соединения. В стыке между поверхностями помещают уплотнительную прокладку, способную упруго деформироваться.
1 – крышка
2 – корпус
3 – уплотнительная прокладка
4 – зазоры, которые необходимы для учета старения материала прокладки.
В конструкциях ЭС применяются, в основном, уплотнительные прокладки из резины и металла.

Рисунок 34 - Прокладки резиновые
а, б, в – для широкого диапазона изменяемых давлений;
г – для уплотнений изделий с длительным сроком службы;
д – устанавливают между плоскостями;
е – прокладки с металлической лентой (применяются для защиты от радиации).
Металлические уплотнительные прокладки – изготавливают из алюминия, меди, свинца, индия. Герметизация происходит за счёт деформации металла прокладки – отсюда определяют усилие затяжки и размеры крепёжного узла. Профиль прокладок на рисунке 35.

Рисунок 35 - Металлические прокладки
При конструировании разъёмных соединений с эластичной прокладкой следует выдерживать соотношения размеров проточек и прокладки. После затяжки:

Рисунок 36 - Разъемные соединения с эластичной прокладкой
10.2.8.4 Герметизация электрических и механических выводов
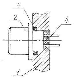
Межблочная электрическая коммутация в герметичных объёмах осуществляется с помощью герметичных разъёмов
![]() |
РСГ.
![]() |
1-корпус блока; 2-РСГ-разъём; 3-уплотнительная прокладка; 4-компаунд.
Герметизация электрических соединений осуществляется прокладками и заливкой компаундом мест соединения разъёма с корпусом.
Герметизация механических вводов вращения или поступательного перемещения осуществляется:
1) применением эластичных материалов (фетра, резины);
2) при большой разности давлений в РЭА и окружающей среде используют сальниковые устройства; сильфонные или волновые вводы вращения; сильфонные вводы поступательного перемещения; магнитные вводы вращения.
Сальники используют также и для электрических выводов в которых кабель 1 с гладкой наружной изоляцией при вращении гайки 2 через шайбу 3 плотно обжимается резиновым уплотнителем 4.
Рекомендация для Вас - 12 Защита от воздействия пыли и герметизация.

Рисунок 38 - Электрический (механический) ввод
Органы управления, выходящие за пределы гермокорпуса, обычно герметизируются резиновыми чехлами и шайбами по форме перестраиваемых элементов. Передача вращательного и поступательного движения в гермообъем производится через сальники, показанные на рисунке 38 (вместо кабеля 1 применяется вращающийся пли перемещающийся валик).

Рисунок 39 - Устройство передачи движения в гермообъем
На рисунке 39 показана конструкция для передачи поступательного движения в герметичный блок с применением мембраны. Толкатель 2, припаянный к мембране 1, получает движение от рычага 3 и передает штоку 4, находящемуся в гермообъеме.





























