Импульсно-проводная автоблокировка
Импульсно-проводная автоблокировка.
Назначение, устройство, неисправности и методы их устранения.
2004 г.
ОДНОПУТНАЯ АВТОБЛОКИРОВКА ПОСТОЯННОГО ТОКА
Типовой частью автоблокировки являются схемы рельсовых цепей одиночной и спаренной сигнальных установок и принципиальные схемы автоблокировки одиночных и спаренных сигнальных установок.
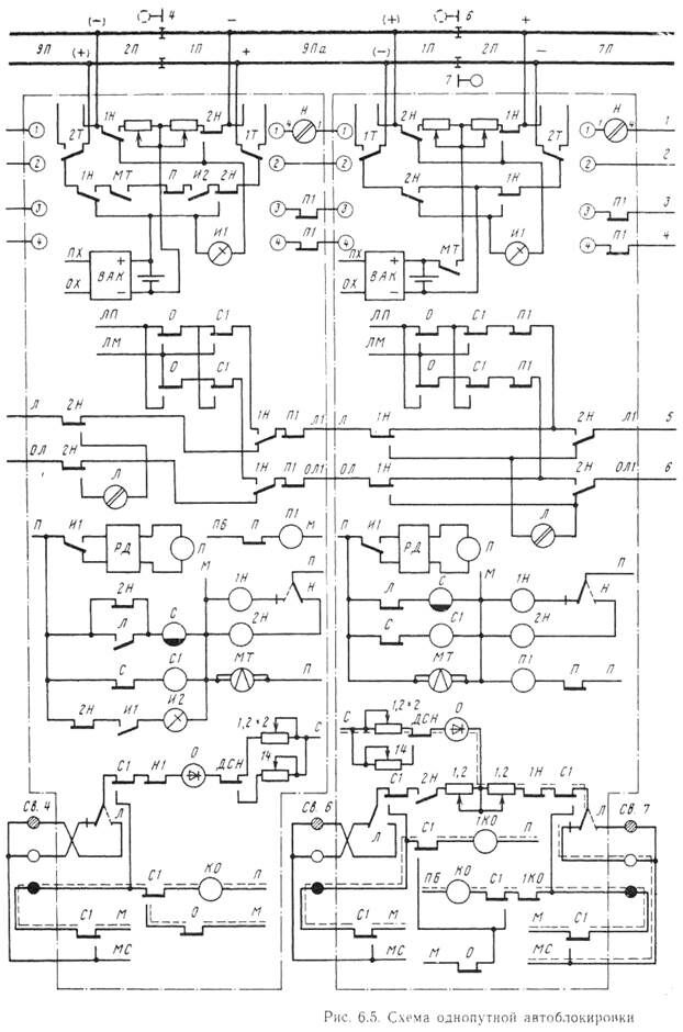
На рис. 6.5 приведена схема однопутной автоблокировки для четырех сигнальных установок перегона. Состояние цепей соответствует нечетному направлению движения и нахождению поезда за светофором 3. Перечень реле, размещенных в релейном шкафу типа ШРУ, приведен ниже.
| Обозначение и тип реле | Рекомендуемые материалыДомашнее задание "Расчет на прочность рамы для грузового автомобиля КАМАЗ 6560" FREE Кодовая автоблокировка FREE Расчет себестоимости ТО и ТР для автомобиля КраЗ–256 Б 1 ПТМ 07-5 Кран на неподвижной колонне поворотный ПТМ 14.08.00.00 ПЗ -51% Пределы и непрерывность функций Назначение реле в схеме |
| Н (КШ1-80) . . . | направления |
| Л (КШ1-280) . . . | линейное |
| 1Н, 2Н (НМШ1-400) | повторители реле направления |
| С (АНШМ2-380) . . | сигнальное |
| С1 (НМШ 1-400) . . | первый повторитель сигнального реле |
| С2 (НМШ2-900) . . | второй повторитель сигнального реле |
| П1 (НМШ1-400) . . | повторитель путевого реле |
| РД | релейный дешифратор |
| И (ИМШ 1-0,3) . . | импульсное путевое |
| А (АСШ2-220) . . . | аварийное |
| 0 (АОШ2-180/0,45) . | огневое |
| КО, 1КО (НМШ2-900) | огневое красного огня |


Установленное нечетное направление движения фиксируется тем, что у сигнальных установок 3, 5 и 7 реле Н возбуждены током прямой полярности и включены реле 1Н. На сигнальной установке 4 реле Н возбуждено током обратной полярности и включено реле 2Н. Контактами реле 1Н и 2Н все цепи сигнальных установок переключены для работы автоблокировки в нечетном направлении движения.
Рассмотрим образование сигнальных цепей автоблокировки за поездом, движущимся в нечетном направлении. Вследствие занятости блок-участка ЗП у впереди стоящего светофора 1 (на схеме не показан) прекращается импульсная работа реле И1 и выключаются все реле релейного дешифратора. Фронтовыми контактами реле П1 размыкается линейная цепь и у светофора 3 и выключается реле Л. После отпускания нейтрального якоря этого реле последовательно выключаются и отпускают якори реле С и С1 светофора 3.
Тыловыми контактами реле С1 замыкается цепь огневого реле О последовательно с лампой красного огня. На светофоре 3 загорается красный огонь. Тыловым контактом реле С1 и фронтовым реле О замыкается цепь питания огневого реле КО. Фронтовые контакты реле КО используются в цепях диспетчерского контроля.
В рельсовую цепь блок-участка 5П от светофора 5 подаются импульсы тока через контакт трансмиттера МТ. От этих импульсов у светофора 3 работает реле И1 и через РД возбуждаются реле ПИ, ПИ1, П и П1. Фронтовыми контактами реле О, 1Н и П1 и тыловыми реле С1 замыкается линейная цепь тока обратной полярности питания реле Л светофора 5. После притяжения нейтрального якоря Л через его фронтовой контакт включается реле С и вслед за ним реле C1. Фронтовыми контактами реле 1Н и С1 и переведенным контактом поляризованного якоря реле Л замыкается цепь огневого реле О последовательно с лампой желтого огня. На светофоре 5 загорается желтый огонь. Целость нитей ламп красного огня на светофорах 5 и 8 контролируется возбужденным состоянием огневых реле 1КО и КО, включенных последовательно с этими лампами. В случае перегорания лампы красного огня на светофоре 3 выключается огневое реле О и, отпуская якорь, своими фронтовыми контактами выключает линейное реле Л светофора 5. После отпускания якорей реле Л, С и С1 на светофоре 5 выключается желтый огонь и включается красный, чем осуществляется перенос красного огня на позади стоящий светофор.
В рельсовую цепь блок-участка 7П от светофора 7 подаются импульсы тока через контакт трансмиттера МТ. От этих импульсов у светофора 5 работает реле И1 и через РД возбуждаются реле ПИ, ПИ1, П и П1. Фронтовыми контактами реле 1Н, П1, С1 и О у светофора 5 включается линейная цепь тока прямой полярности возбуждения реле Л светофора 7. Фронтовыми контактами реле 1Н и С1 и нормальным контактом поляризованного якоря реле Л у светофора 7 замыкается цепь огневого реле О последовательно с лампой зеленого огня. На светофоре 7 загорается зеленый огонь. Целость нитей ламп красного огня на светофорах 6 и 7 контролируется возбужденным состоянием огневых реле 1К0 и КО, включенных последовательно с этими лампами. В случае перегорания лампы желтого огня на светофоре 5 выключается огневое реле О. Отпуская якорь, оно своими контактами изменяет полярность тока с прямой на обратную в цепи питания реле Л светофора 7. Реле Л, переключая поляризованный якорь, выключает на светофоре 7 зеленый огонь и включает желтый, чем осуществляется перенос желтого огня на позади стоящий светофор.
У одиночного светофора 4 образуется разрезная установка рельсовой цепи блок-участка нечетного направления между светофорами 7 и 9. В месте разрезной установки происходит трансляция импульсного питания из рельсовой цепи 9П в рельсовую цепь 9Па. Импульсы тока из рельсовой цепи 9П принимает реле И1 у светофора 4. Оно воздействует на свой повторитель И2, цепь которого замкнута фронтовым контактом реле 2Н. При импульсной работе реле И2 транслируются импульсы в рельсовую цепь 9Па. У светофора 7 в импульсном режиме работает реле И1 и через релейный дешифратор возбуждаются реле ПИ, ПИ1, П и П1. Фронтовыми контактами реле О, С1, П1 и 1Н у светофора 7 замыкается линейная цепь тока прямой полярности возбуждения реле Л светофора 9. У светофора 4 фронтовыми контактами реле 2Н и тыловыми реле 1Н линейная цепь замкнута напрямую к светофору 9. При возбуждении реле Л, С и С1 на светофоре 9 загорается зеленый огонь.
Изменение направления движения происходит в соответствии с рассмотренной четырехпроводной схемой (см. рис. 6.2). С момента изменения направления с нечетного на четное реле Н у светофоров 3, 5/8 и 7/6 возбуждаются током обратной полярности, выключаются реле 1Н и включаются реле 2Н. У светофора 4 реле Н возбуждается током прямой полярности, выключает реле 2Н и включает реле 1Н. По окончании изменения направления движения происходит переключение рельсовых, линейных и сигнальных цепей.
При свободном состоянии перегона у светофора 4 реле Л, включенное тыловыми контактами реле 2Н в линейную цепь, идущую к светофору 2, возбуждается током прямой полярности. Вслед за реле Л возбуждаются реле С и С1. Контактами реле 1Н, С1 и Л на светофоре 4 включается зеленый огонь. В рельсовую цепь 9Па от светофора 6 подается импульсное питание. У светофора 4 работает реле И1, отчего через РД включается реле ПИ, ПИ1, П и П1. Фронтовыми контактами реле О, C1, 1H и П1 у светофора 4 включается линейная цепь тока прямой полярности возбуждения реле Л светофора 6. После возбуждения реле Л срабатывают реле С и С1 и на светофоре 6 включается зеленый огонь. Аналогичным порядком работают схемы рельсовых и линейных цепей для включения на светофоре 8 зеленого огня.
У одиночного светофора 3 образуется разрезная установка рельсовой цепи блок-участка четного направления между светофорами 8 и 10. В месте разрезной установки импульсы тока из рельсовой цепи ЗП транслируются в рельсовую цепь 5П. Реле И1 у светофора 8 работает в импульсном режиме, отчего через РД возбуждаются реле ПИ, ПИ1, П и П1. Фронтовыми контактами реле О, С1, П1, 2Н у светофора 8 включается линейная цепь тока прямой полярности реле Л светофора 10. У выключенного светофора 3 линейная цепь тыловыми контактами реле 1Н и фронтовыми 2Н замкнута напрямую. При возбуждении реле Л, С и С1 светофора 10 на нем загорается зеленый огонь.
Технология поиска причин отказов импульсно-проводной автоблокировки постоянного тока
Проверка, как и в кодовой автоблокировке, по возможности начинается с той точки, на которой зафиксировано неправильное показание сигнала (питающий конец), чаще всего это горение красного огня при свободности ограждаемого блок-участка. В первую очередь проверяется состояние линейного реле и работа маятникового трансмиттера, так как эти проверки практически не требуют затрат времени.

Чтобы убедиться в исправности рельсовой цепи, необходимо измерить напряжение на рельсах питающего конца, нормальное значение которого указывает на то, что рельсовая цепь исправна (за исключением возможных случаев короткого замыкания в районе релейного конца). Убедившись, таким образом, в нормальном состоянии рельсовой цепи (в районе питающего конца), целесообразно проверить режим работы линейной цепи. Целью таких проверок является полное исключение возможностей повреждения на питающем конце, прежде чем перемещаться в сторону релейного конца.
В зависимости от результатов этих проверок по пути следования необходимо проверить рельсовую цепь или воздушные провода, причем характер повреждения рельсовой или линейной цепи также может быть установлен уже на питающем конце с помощью определенных измерений.
Возможны четыре варианта повреждений между сигнальными точками: обрыв провода, сообщение проводов, обрыв рельсовой нити и замыкание рельсовых нитей. В некоторых случаях, когда можно воспользоваться каким-либо видом транспорта и при наличии хорошего подъезда к сигнальной точке, целесообразно, убедившись в отсутствии повреждения на питающем конце, отправиться непосредственно на релейный и выходить на блок-участок уже после того, как проверены устройства на обеих точках.
Общая последовательность поиска отказа с питающего конца при ложном запрещающем сигнале приведена в информационной диаграмме (рис. 95). При отыскании повреждения на релейном конце прежде всего проверяют, нормально ли работает импульсное путевое реле и стоит ли под током его повторитель. Обесточенное состояние повторителя при нормальной работе путевого реле вероятнее всего может быть вызвано отказом одного из элементов дешифратора.
Если повторитель путевого реле находится под током, проверяют напряжение в линейной цепи. Некоторые особенности работы линейной цепи автоблокировки, спроектированной по альбому АБ-8-72 или АБ-14-73, связаны с наличием в ней кодово-включающего реле KB, которое требует строго определенного напряжения, подаваемого в линейную цепь.
Последовательность поиска отказа сигнальной точки автоблокировки может не совпадать с приведенной в соответствующих информационных диаграммах в тех случаях, когда имеется какая-либо дополнительная информация, например отказ произошел непосредственно после плановой замены реле на перегоне, после грозы или когда известно, что на воздушной линии или вблизи нее велись работы, которые могли привести к повреждению, и т. д. Использование такой дополнительной информации может изменить порядок поиска, предусмотренный в диаграммах, и тем самым сократить его время.
Предупреждение и устранение отказов в схемах смены направления
Для быстрого отыскания и устранения отказа в устройствах автоблокировки большое значение имеет правильное определение характера отказа по имеющейся индикации на пульте дежурного по станции. Если для двухпутных участков использование этой индикаций не требует дополнительных пояснений, то для однопутных их следует дать.
Перед тем как приступить к поиску отказа в схеме автоблокировки, необходимо внимательно уяснить состояние схемы смены направления и схемы известителей приближения или удаления. Состояние этих схем контролируется лампочками «Контроль перегона», «Прием», «Отправление», lyn, 2уn, 1уу, 2уу. Дополнительная информация может быть получена также при попытке осуществить смену направления с помощью вспомогательных кнопок ВК.
Характерные признаки отказов и наиболее вероятные причины приведены в табл. 1 для автоблокировки с двухпроводной схемой смены направления (альбомы АБ-2, АБ-4, АБ-8-72, АБ-2-50-73) и для автоблокировки с четырехпроводной схемой смены направления (альбомы АБ-14, АБ-16, АБ-14-73). Технология поиска отказов рассчитана на то, чтобы довести поиск до конкретной сигнальной точки.
Для комплексной проверки режимов работы двух- и четырехпроводной схемы смены направления на Московской дороге разработана специальная технология, предусматривающая фиксацию тока в проводе Н или ОН на одной из станций. Для измерений используется миллиамперметр с нулем посередине или два миллиамперметра, включенные встречно.
Измерения выполняют в такой последовательности. При нажатии на станции приема кнопки смены направления и возбуждения реле В в линию поступает импульс тока обратной полярности 40—60 мА. Амперметр четко фиксирует этот импульс. После изменения полярности реле направления на станции отправления и обесточивания реле В до отпадания якоря медленнодействующего реле КП станции приема последовательно с источником питания станции приема включается источник питания станции отправления. Амперметр в это время должен показывать ток 80— 120 мА. После отпускания якоря реле KП снимается питание со станции приема, и амперметр должен фиксировать ток обратной полярности 40—60 мА.
Таблица 1
| Признаки отказа | Вероятные причины отказа | Способы отыскания причины отказа |
| Двухпроводная схема смены направления | ||
| Ложная занятость перегона, станция стоит «на отправлении», на соседней станции индикации ложной занятости нет | Сообщение проводов Н, ОН | Последовательным отключением проводов на нулевых клеммах и в кабельном ящике и посредством измерения отыскать место короткого замыкания проводов Н, ОН (через разрядники, схлестывание проводов, неисправность кабеля и т. д.) |
| Ложная занятость перегона на обеих станциях | 1. Обрыв проводов Н, ОН | 1. Проверить целость проводов Н, ОН на пайке, стативе, кроссировке, на резисторах 400 и 100 Ом |
| 2. Обрыв цепей Н, ОН контактами обесточенного путевого реле на какой-либо перегонной точке | 2. Выяснить причину и устранить ложную занятость блок-участка | |
| 3. Недостаточное напряжение питания цепи смены направления | 3. Если мал ток в цепи смены направления (помнить, что питание идет со станции, установленной на прием), проверить диоды в блоке питания, исправность ПТМ, контакт движка на резисторе 400 Ом | |
| После отправления поезда ложная занятость стрелочной секции или первого участка удаления | Повреждена рельсовая цепь стрелочной секции, трансмиттерное реле на входном сигнале осталось под током | 1. Отключить провод Т в РШ входного сигнала или РШ выходных сигналов или в помещении ДСП (занятость первого участка должна пропасть), провод поставить на место |
| 2. Отыскать повреждение в рельсовой цепи стрелочной секции | ||
| Станция стоит на приеме, предвходной сигнал горит красным огнем | 1. Неисправность линейных проводов от ДСП до сигнальной точки (обрыв или короткое замыкание) | 1. Проверить исправность проводов. Проверить контакт на резисторах 400 и 1000 Ом. |
| 2. Неисправность блока питания линейной цепи | 2. Проверить исправность диода и ПТМ | |
| При смене направления станция в положение «отправление» не развернулась. Перегон и первый участок показывают занятость | 1. Недостаточное замедление реле ВР на данной станции и реле КПР, КПРП на соседней станции. | 1. Заменить конденсаторы |
| 2. Недостаточный ток в цепи смены направления | 2. Проверить блок питания (или стрелочную батарею при отсутствии переменного тока) на станции приема. | |
| 3. Неисправность линейных проводов Н, ОН | 3. Проверить состояние разрядников, кроссировок | |
| Четырехпроводная схема смены направления | ||
| При установленном направлении движения и свободности перегона от поездов ложная занятость перегона на станции отправления. Смена направления не происходит, в том числе и с помощью кнопки ВК | 1. Обрыв цепи смены направления (Н-ОН) | Проверить наличие постоянного напряжения на выходных клеммах статива цепи Н-ОН на станции приема, при обрыве цепи — в режиме холостого хода. Напряжение должно быть выше 100 В (110—125 В). При отсутствии напряжения на станции отправления — неисправен перегон. Необходимо измерить напряжение, подаваемое от станции приема. Измерения производят последовательно в КЯ и РШ в направлении к станции отправления. При наличии напряжения на станции отправления станция приема и перегон исправны. Неисправность необходимо искать от нулевых клемм до реле СН станции отправления. |
| 2. Короткое замыкание цепи смены направления (Н-ОН) | При измерении тока на станции приема в цепи Н-ОН на нулевых клеммах ток выше 45 мА. Поиск неисправной цепи и места короткого замыкания необходимо производить от станции приема, помня о том, что все реле направления от станции приема до места короткого замыкания будут находиться под током, а после места короткого замыкания без тока. Визуально проверить линию (наброс, схлестывание проводов) или измерить кабель, провода снижения методом отключения и измерения напряжения по участкам | |
| Ложная занятость перегона на станциях приема и отправления. Участки приближения и удаления показывают свободность. Смена направления с помощью кнопки ВК проходит | Обрыв цепи контроля перегона (К-ОК) | Проверить на станции отправления выход постоянного напряжения на выходных клеммах статива цепи К-ОК. При обрыве цепи в режиме холостого хода напряжение должно быть выше 100 В (110—125 В). При отсутствии напряжения на станции приема неисправен перегон, необходимо измерить напряжение от станции отправления. Измерения производят последовательно в КЯ и РШ в направлении станции приема при условии свободности участка от поездов между станцией отправления и местом измерения |
| Ложная занятость перегона на станциях приема и отправления. Сигналы по ходу движения сигнализируют нормально. Смена направления с помощью кнопки ВК не проходит. | Нет питания схемы изменения направления | Вышел из строя ППШ станции отправления |
| При нахождении поезда на перегоне на станции отправления ложная индикация свободности. На станции приема — индикация занятости перегона. Смена направления с помощью кнопки ВК не проходит | Вам также может быть полезна лекция "3.8 Свойства компенсаторов точечных процессов. Случайная замена времени". Короткое замыкание цепи К-ОК | Место короткого замыкания необходимо искать от станции отправления в сторону станции приема методом отключения цепи К-ОК и измерения напряжения по участкам |
Во время работы схемы направления стрелка прибора не должна отклоняться на нуль (разрыв цепи в период перелета контактов реле стрелка амперметра не успевает фиксировать из-за инерционности). Если во время смены направления прибор хотя бы очень короткое время будет фиксировать нулевое положение, это будет указывать, что в схеме имеются неисправности. Часто это происходит из-за кратковременного обесточивания реле ПЖ или 1ИП вследствие обрыва цепи или потери емкости электролитических конденсаторов или из-за резкого искажения кодовых циклов, что приводит к нечеткой работе счетчиков 1 и 1А дешифраторной ячейки и задержке возбуждения реле Ж.
Список используемой литературы:
А.А.Казаков, В.Д. Бубнов, Е.А. Казаков «Системы интервального регулирования движения поездов». Москва. Транспорт. 1986 г.
Б.Д. Перникис, Р.Ш. Ягудин «Предупреждение и устранение неисправностей в устройствах СЦБ». Москва. Транспорт. 1984 г.





















