Для студентов МГТУ им. Н.Э.Баумана по предмету Подъёмно-транспортные машины (ПТМ)Кран-балкаКран-балка
5,0055
2021-03-252024-09-08СтудИзба
Курсовая работа 23: Кран-балка вариант 4
-28%
Описание
КРАН - БАЛКА
ПТМ 23-04 - РПЗ и Листы
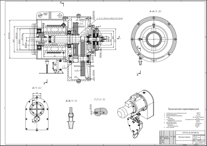
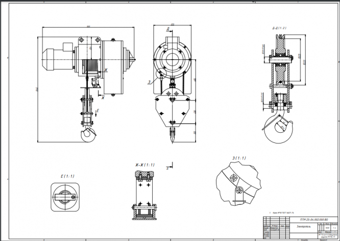
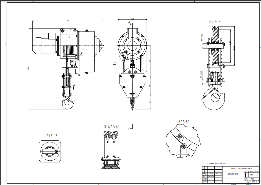
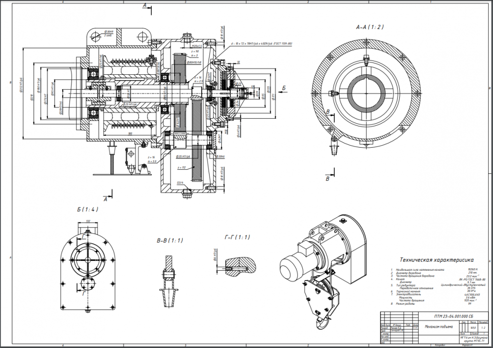
Цель работы – спроектировать металлоконструкцию и следующие механизмы крана: механизм подъёма, механизм передвижения тали. Разработать чертежи металлоконструкции и выше указанных механизмов крана.
![]()
ПТМ 23-04 - РПЗ и Листы
Цель работы – спроектировать металлоконструкцию и следующие механизмы крана: механизм подъёма, механизм передвижения тали. Разработать чертежи металлоконструкции и выше указанных механизмов крана.





Характеристики курсовой работы
Учебное заведение
Семестр
Номер задания
Вариант
Просмотров
101
Размер
2,86 Mb
Список файлов
ПТМ 23 вариант 04
Задание.PNG
Записка -кран балка.pdf
Лист 1.PNG
Лист 1.dwg
Лист 1.pdf
Лист 2.PNG
Лист 2.dwg
Лист 2.pdf
Лист 3.dwg
Лист 3.pdf
Лист 4.dwg
Лист 4.pdf
Лист 5.dwg
Лист 5.pdf

Друзья, спасибо за доверие! Если вам понравилась работа – поставьте 5⭐ и напишите отзыв. Это поможет другим студентам, а мне даст силы делать ещё больше качественных материалов для вас 🔥