Курсовая работа 23: Проектирование и исследование механизмов привода антенны радиолокатора вариант Б
Описание
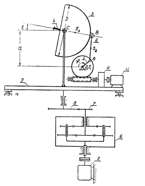
Проектирование и исследование механизмов привода антенны радиолокатора

ИСХОДНЫЕ ДАННЫЕ
|
Характеристики курсовой работы
Список файлов

ИСХОДНЫЕ ДАННЫЕ
|